GM Service Manual Online
For 1990-2009 cars only
Makes
🢒
Chevrolet
🢒
1999
🢒
Chevy Suburban 4WD - RHD
🢒 Cell 21: Fuel Controls
Cell 21: Fuel Controls
Cell 21: Fuel Controls
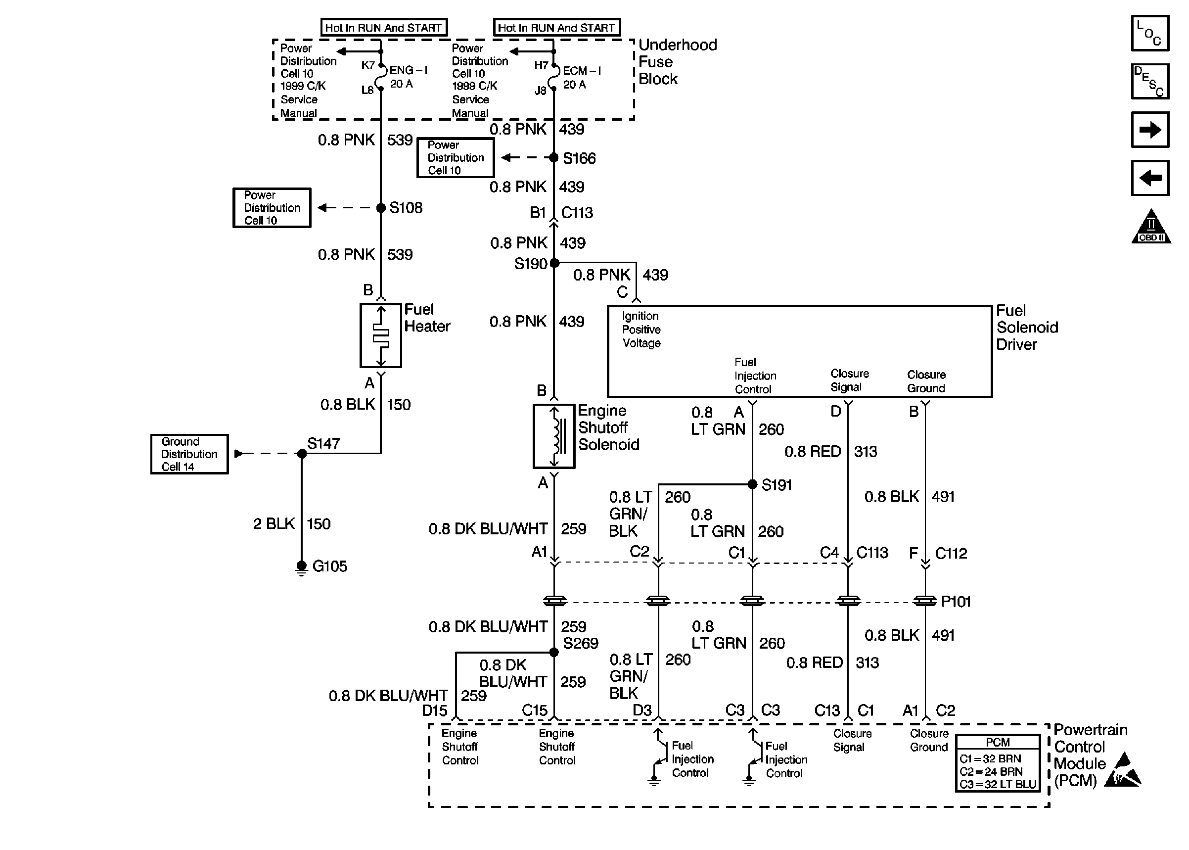
Cell 10: Eng 1 & ECM 1, Diesel
Cell 10: Eng 1 & ECM 1, Diesel
Cell 10: Eng 1 & ECM 1, Diesel
Cell 10: Eng 1 & ECM 1, Diesel
Cell 14: G105, Diesel
Powertrain Control Module Connector End Views
Handling ESD Sensitive Parts Notice
Engine Controls Components
Cell 21: Ignition Controls
Cell 21: Fuel Pump
OBD II Symbol Description Notice