GM Service Manual Online
For 1990-2009 cars only
Makes
🢒
Chevrolet
🢒
1999
🢒
Chevy Suburban 4WD - RHD
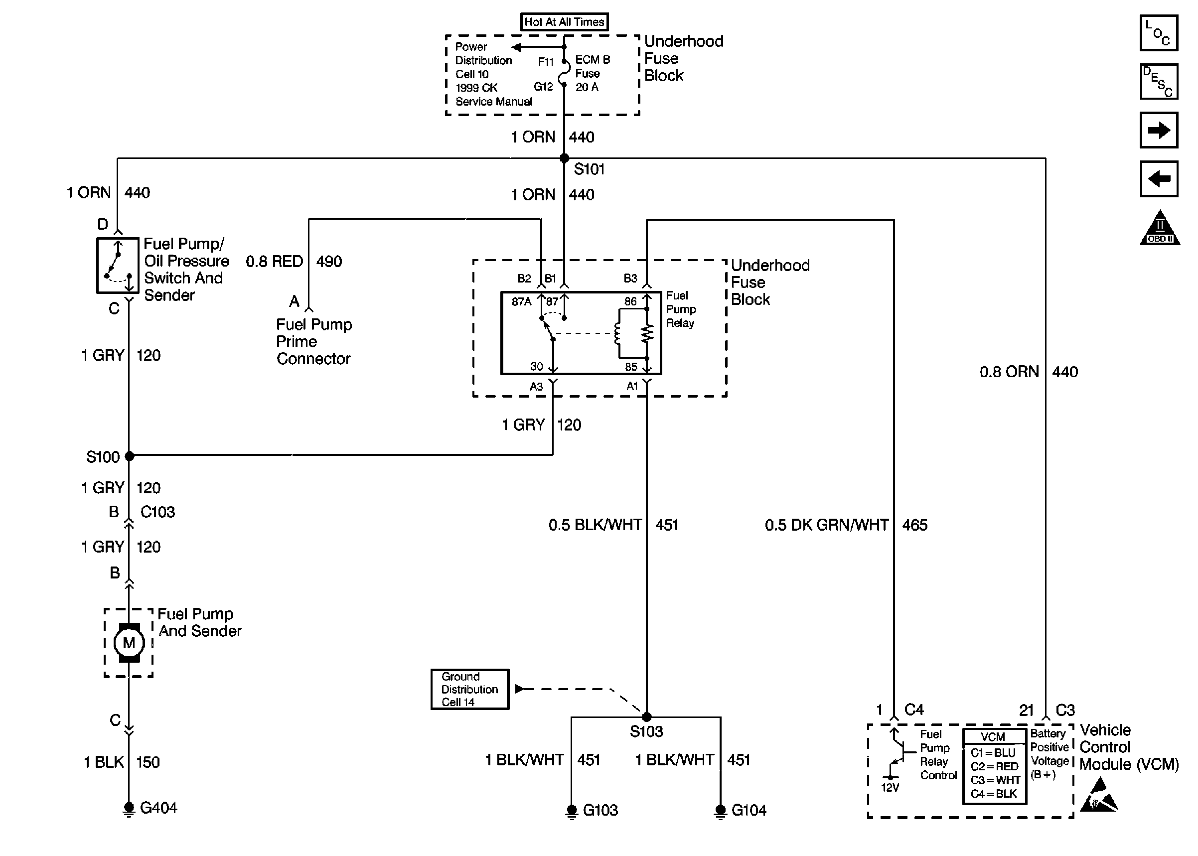
🢒 Cell 20: Fuel Controls
Cell 20: Fuel Controls
Cell 20: Fuel Controls
Engine Controls Components
Cell 20: Engine Sensors
Cell 20: 4WD and Upshift Controls
OBD II Symbol Description Notice
Handling ESD Sensitive Parts Notice
VCM Connector End Views
Cell 14: G103 & G104, Gas