GM Service Manual Online
For 1990-2009 cars only
Makes
🢒
Chevrolet
🢒
1999
🢒
Chevy Suburban 4WD - RHD
🢒 Cell 20: Engine Sensors
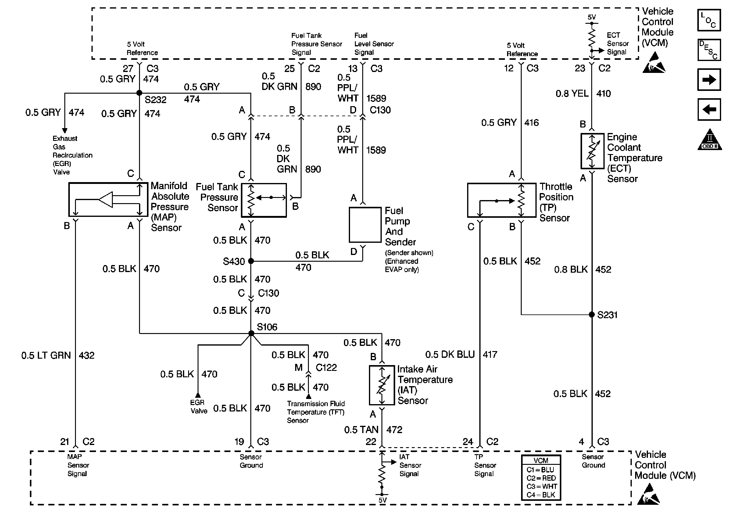
Cell 20: Engine Sensors
Cell 20: Engine Sensors
Cell 20: Evap and EGR Controls
Cell 20: Evap and EGR Controls
Cell 20: Transmission and TCC Controls
VCM Connector End Views
Handling ESD Sensitive Parts Notice
Handling ESD Sensitive Parts Notice
Engine Controls Components
Cell 20: Engine Sensors and Ignition Control
Cell 20: Fuel Controls
OBD II Symbol Description Notice