GM Service Manual Online
For 1990-2009 cars only
Makes
🢒
Chevrolet
🢒
1999
🢒
Chevy Suburban 4WD - RHD
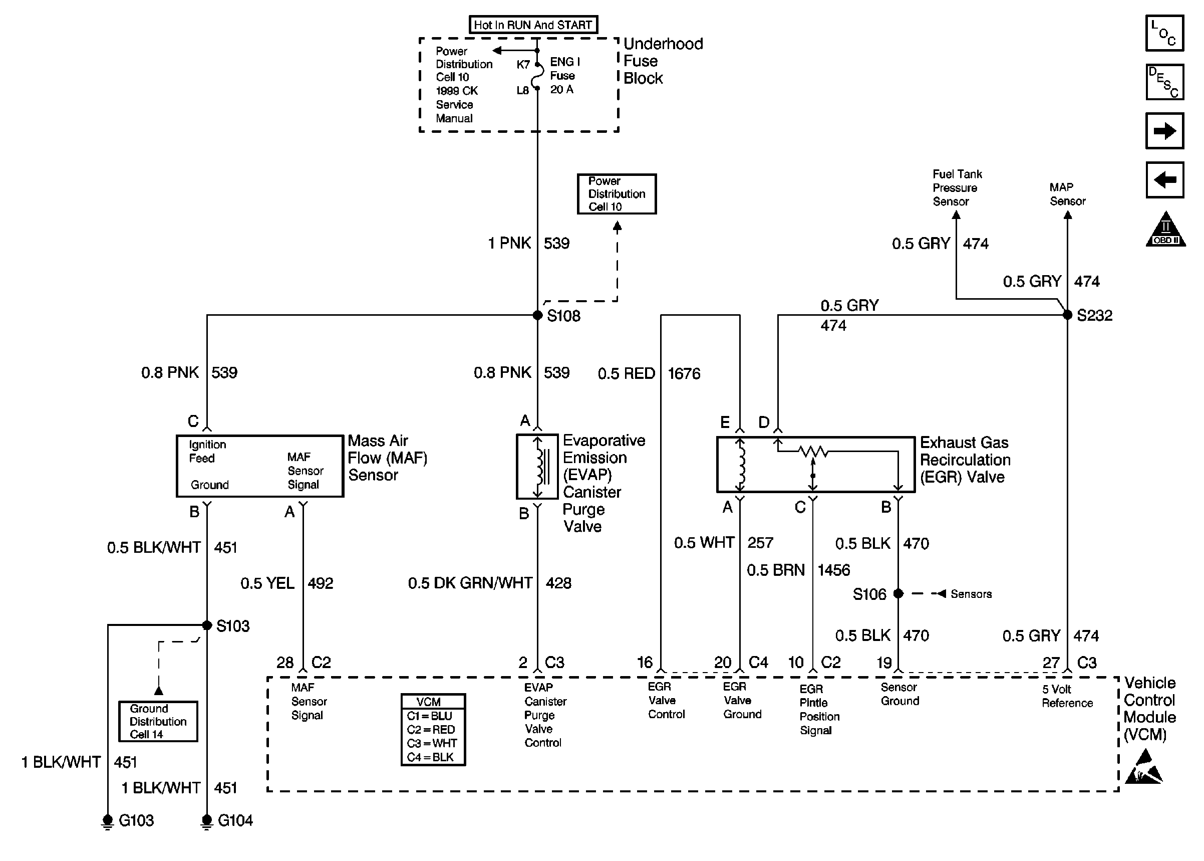
🢒 Cell 20: Evap and EGR Controls
Cell 20: Evap and EGR Controls
Cell 20: Evap and EGR Controls
Cell 10: Eng 1 Fuse, Gas
Cell 10: Eng 1 Fuse, Gas
Cell 20: Engine Sensors
Cell 20: Engine Sensors
Engine Controls Components
Cell 20: Transmission and TCC Controls
Cell 20: Engine Sensors and Ignition Control
OBD II Symbol Description Notice
Cell 14: G103 & G104, Gas
VCM Connector End Views
Handling ESD Sensitive Parts Notice
Cell 20: Engine Sensors