GM Service Manual Online
For 1990-2009 cars only
Makes
🢒
Chevrolet
🢒
1999
🢒
Chevy Suburban 4WD - RHD
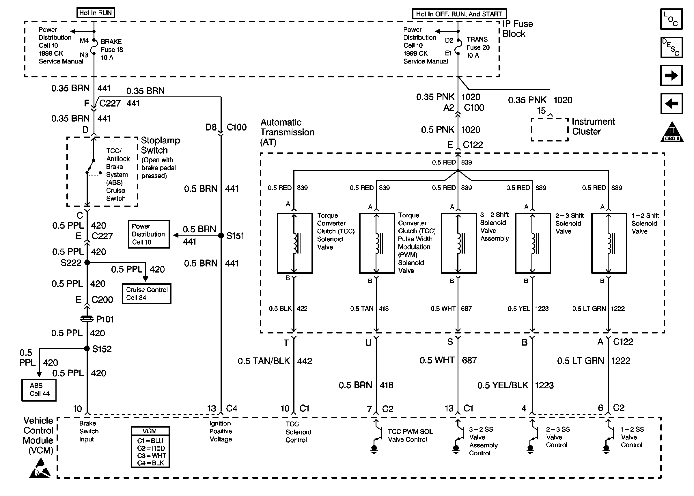
🢒 Cell 20: Transmission and TCC Controls
Cell 20: Transmission and TCC Controls
Cell 20: Transmission and TCC Controls
Cell 10: CRUISE, 4WD, BRAKE & HTR-A/C Fuses
Cell 10: CRUISE, 4WD, BRAKE & HTR-A/C Fuses
Cell 44: Gas
VCM Connector End Views
Handling ESD Sensitive Parts Notice
Cell 10: TRANS & GAUGES Fuses
Engine Controls Components
Cell 20: Transmission and TCC Controls
Cell 20: Evap and EGR Controls
OBD II Symbol Description Notice