GM Service Manual Online
For 1990-2009 cars only
Makes
🢒
Chevrolet
🢒
1999
🢒
Chevy Suburban 4WD - RHD
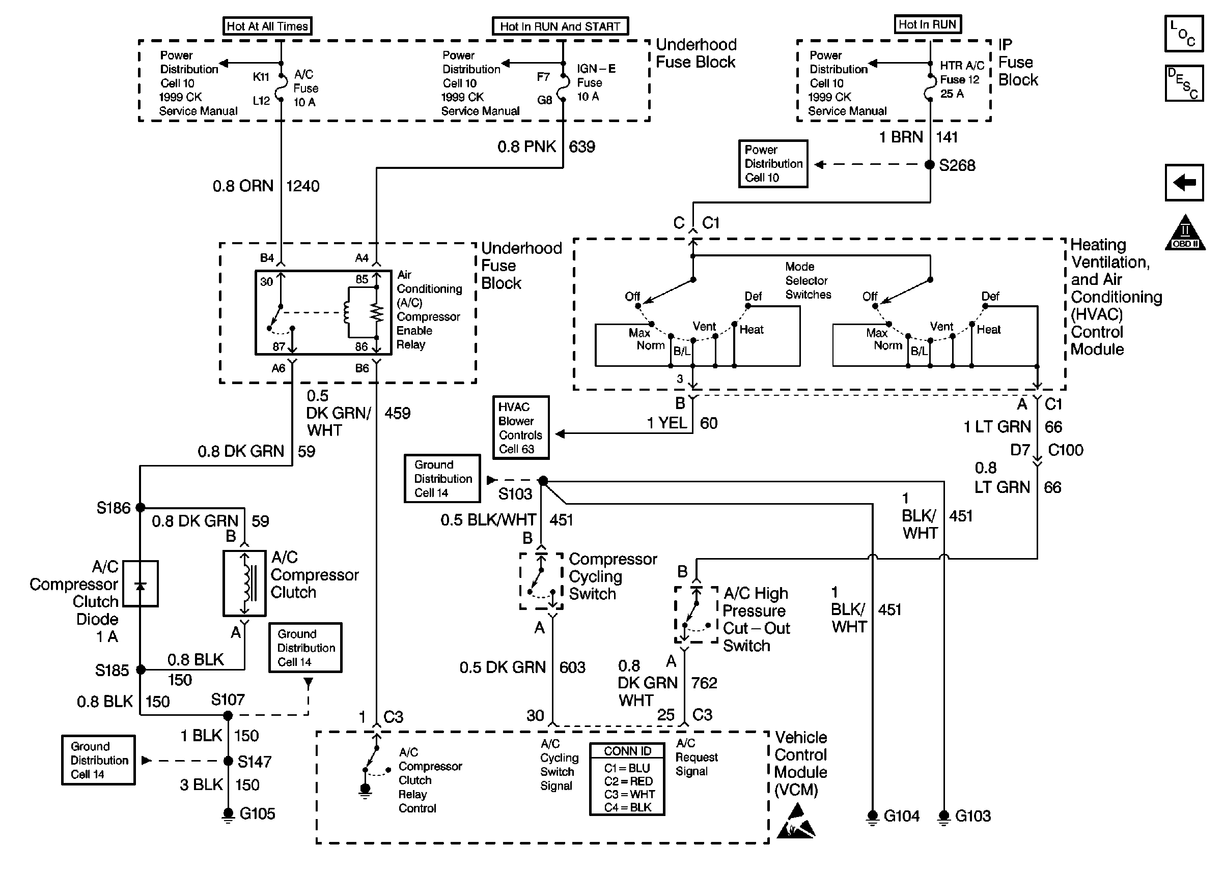
🢒 Cell 20: A/C Controls
Cell 20: A/C Controls
Cell 20: A/C Controls
Cell 10: CRUISE, 4WD, BRAKE & HTR-A/C Fuses
Cell 10: CRUISE, 4WD, BRAKE & HTR-A/C Fuses
Engine Controls Components
Cell 20: Transmission and TCC Controls
OBD II Symbol Description Notice
Cell 63: 1 of 3, Front
Cell 14: G103 & G104, Gas
Cell 14: G105, Gas
Cell 14: G105, Gas
VCM Connector End Views
Handling ESD Sensitive Parts Notice