GM Service Manual Online
For 1990-2009 cars only
Makes
🢒
Chevrolet
🢒
1999
🢒
Chevy Suburban 4WD - RHD
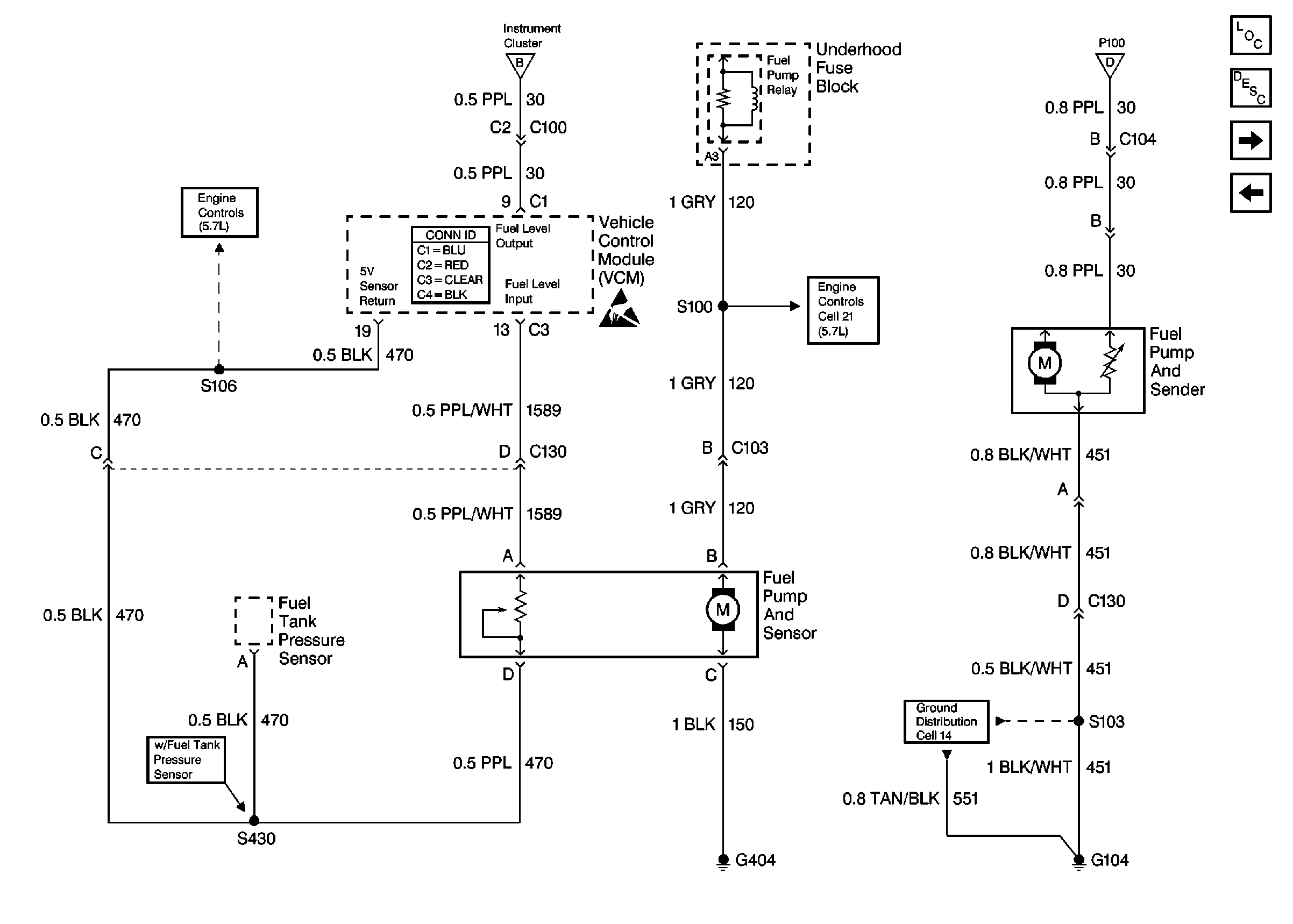
🢒 Cell 81: Fuel Gauge Sender (Gas & Diesel)
Cell 81: Fuel Gauge Sender (Gas & Diesel)
Cell 81: Fuel Gauge Sender (Gas & Diesel)
Instrument Cluster Components
Instrument Cluster Circuit Description
Cell 81: Electronic PRNDL
Cell 81: Indicator Lamps
Cell 81: Gauges
Cell 81: Gauges
Handling ESD Sensitive Parts Notice
VCM Connector End Views
Cell 20: Engine Sensors
Cell 20: Fuel Controls
Cell 14: G104, Diesel