GM Service Manual Online
For 1990-2009 cars only
Makes
🢒
Chevrolet
🢒
2007
🢒
Chevy Suburban - 4WD
🢒
Diagnostic Navigation
🢒
Vehicle Diagnostic Information
🢒 Automatic Transmission Controls Schematics
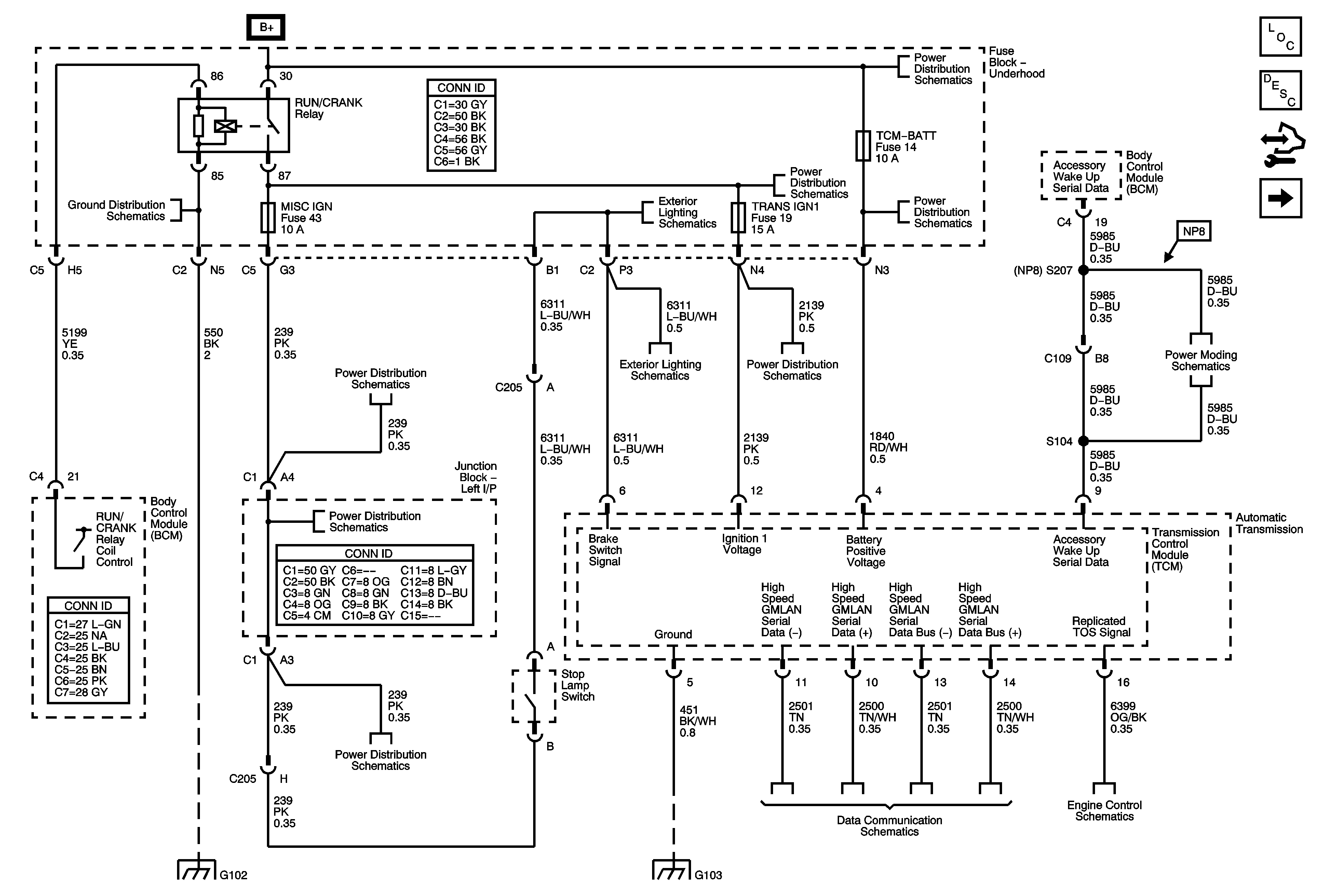
Figure
1:
Module Power, Ground, Serial Data, and Stop Lamp Signal
Master Electrical Component List
Electronic Component Description
Control Module References
Pressure Controls - 1 of 2 and Shift Controls
G102 and G108
RUN/CRANK Bus - AIRBAG IGN, MISC IGN, ans SEO/ALC Fuses
RUN/CRANK Bus - AIRBAG IGN, MISC IGN, ans SEO/ALC Fuses
RUN/CRANK Bus - AIRBAG IGN, MISC IGN, ans SEO/ALC Fuses
G102 and G108
Stop Lamp Controls and CHMSL
Stop Lamp Controls and CHMSL
G103, G110, and G111
RUN/CRANK Bus - AIRBAG IGN, MISC IGN, ans SEO/ALC Fuses
RUN/CRANK Bus - ECM-IGN and TRANS IGN 1 Fuses
B+ Bus - 1 of 3
ECM-BATT, HEADLAMP WASH, HVAC BATT, IPC, LTR, S/ROOF, and TCM-BATT Fuses
DLIS Fuse and Ignition Switch
Figure
2:
Pressure Controls - 1 of 2 and Shift Controls
Master Electrical Component List
Electronic Component Description
Control Module References
Pressure Controls - 2 of 2 and Speed Sensors
Module Power, Ground, Serial Data, and Stop Lamp Switch
Figure
3:
Pressure Controls - 2 of 2 and Speed Sensors
Master Electrical Component List
Electronic Component Description
Control Module References
Transmission Range Signals and Driver Shift Request
Pressure Controls - 1 of 2 and Shift Controls
Figure
4:
Transmission Range Signals and Driver Shift Request
Master Electrical Component List
Electronic Component Description
Control Module References
Pressure Controls - 2 of 2 and Speed Sensors
G201
Cruise Control Schematics
High Speed Bus - 1 of 2
High Speed Bus - 1 of 2