GM Service Manual Online
For 1990-2009 cars only
Makes
🢒
Chevrolet
🢒
2007
🢒
Chevy Suburban - 4WD
🢒
Diagnostic Navigation
🢒
Vehicle Diagnostic Information
🢒 Headlights/Daytime Running Lights (DRL) Schematics
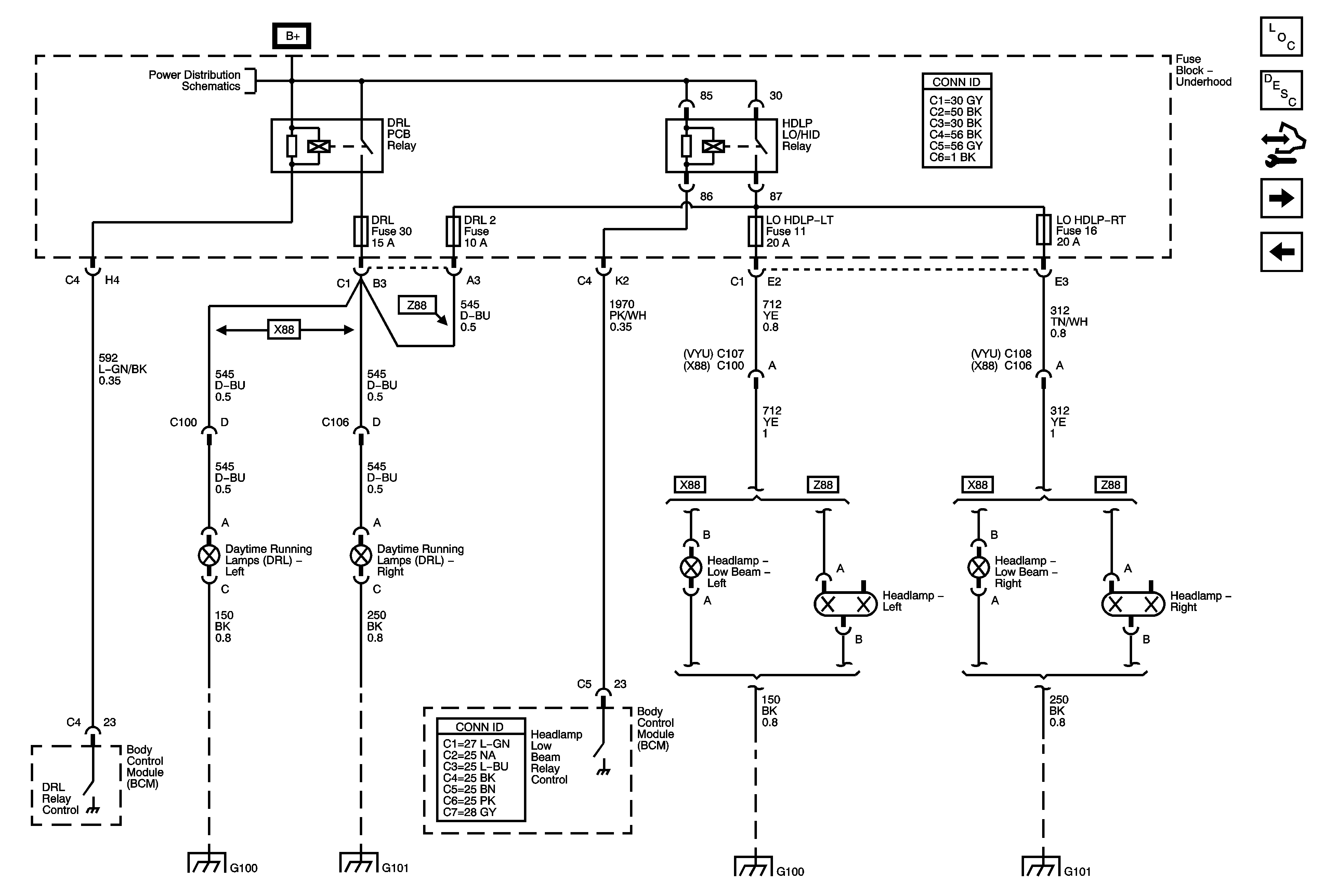
Figure
1:
Headlamp and Daytime Running Lamp Controls
Master Electrical Component List
Exterior Lighting Systems Description and Operation
Control Module References
Low Beam and Daytime Running Lamps - X88/Z88
G201
Front Temperature Controls
G201
Front
Inadvertent Lamp Control
Dimming Control and LED Dimming - 1 of 3
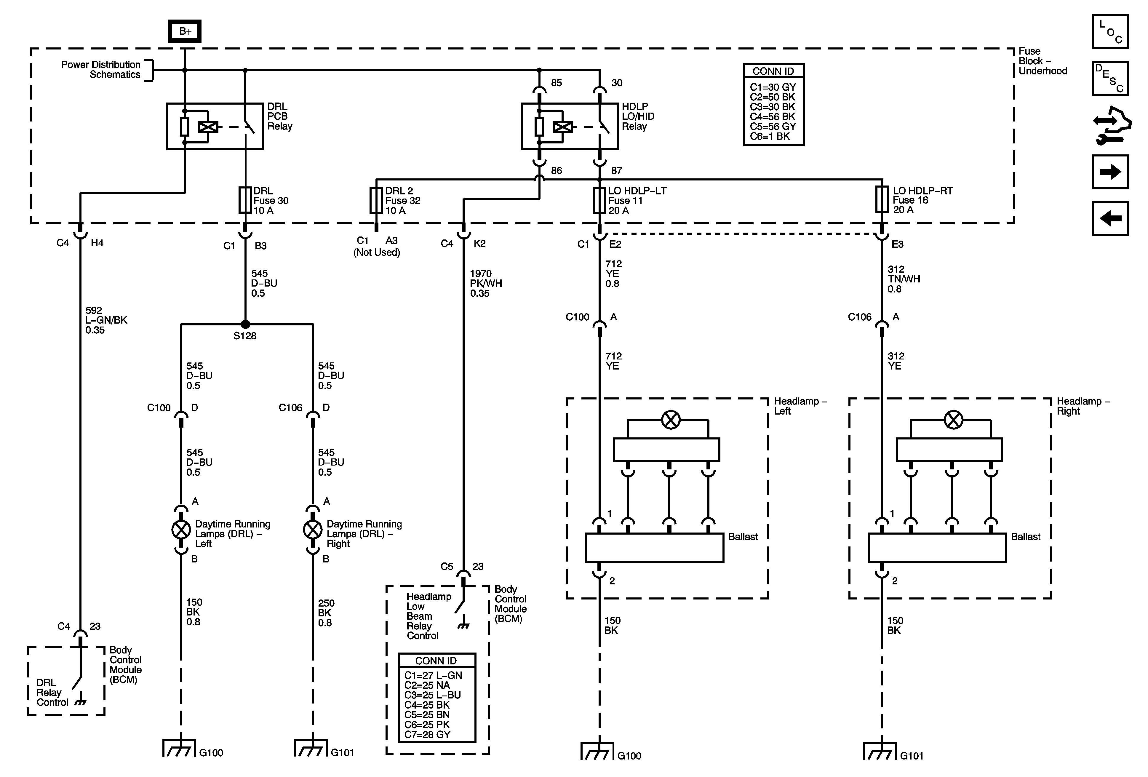
Figure
2:
Low Beam and Daytime Running Lamps - X88/Z88
Master Electrical Component List
Exterior Lighting Systems Description and Operation
Control Module References
Low Beam and Daytime Running Lamps - Z75
Headlamp and Daytime Running Lamp Controls
B+ Bus - 1 of 3
G100
G101
G100
G101
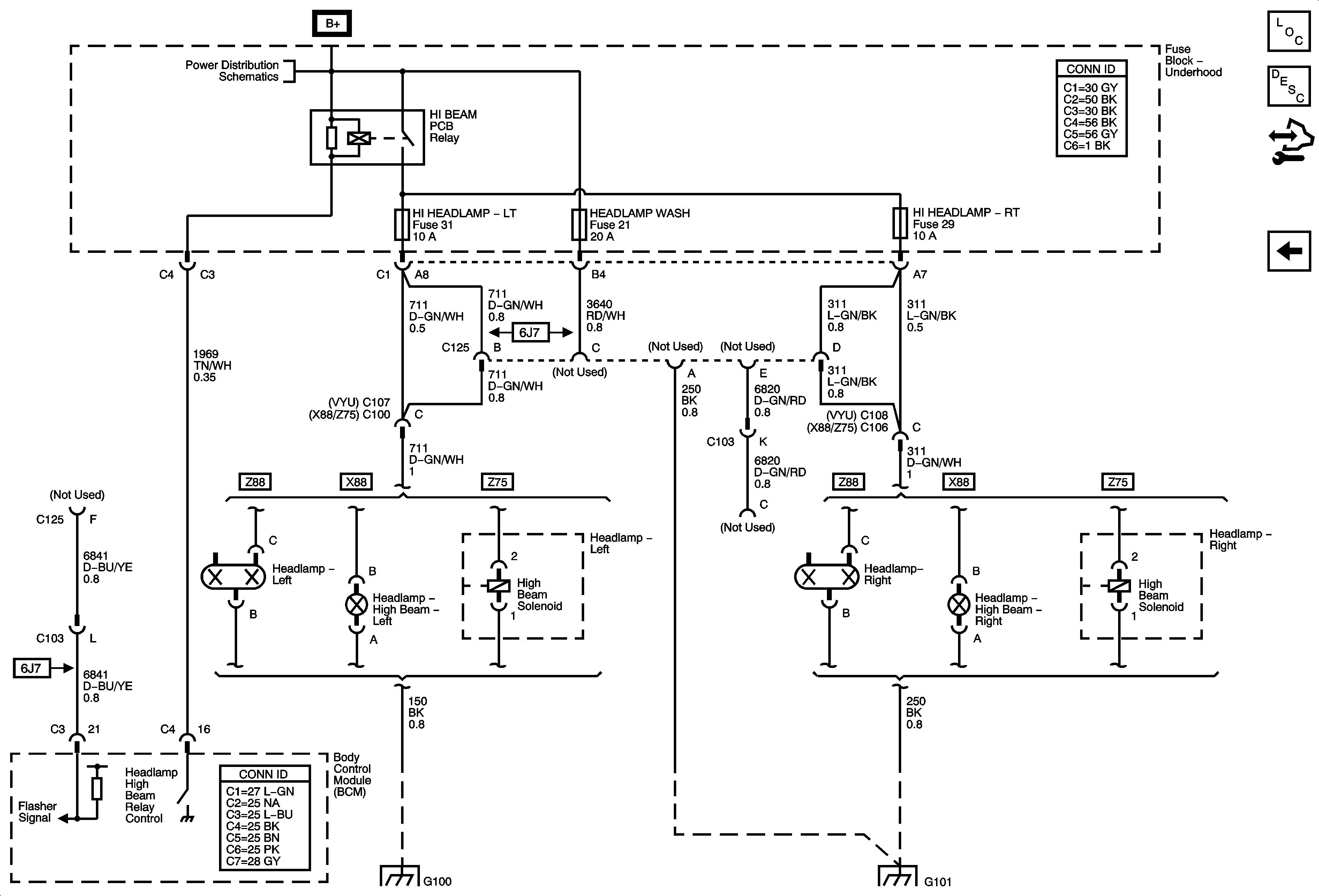
Figure
3:
Low Beam and Daytime Running Lamps - Z75
Master Electrical Component List
Exterior Lighting Systems Description and Operation
Control Module References
High Beams
Low Beam and Daytime Running Lamps - X88/Z88
B+ Bus - 1 of 3
G100
G101
G100
G101
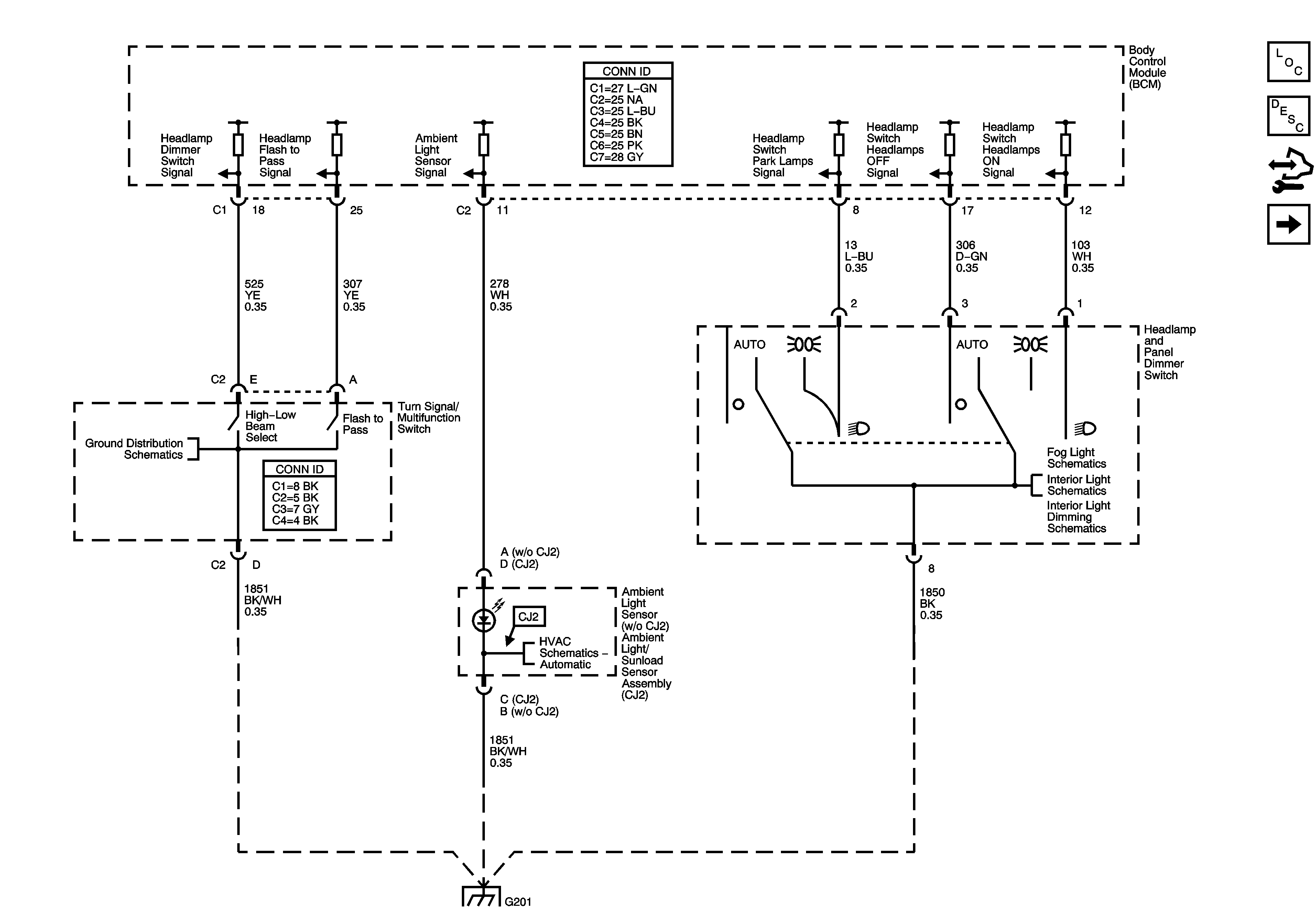
Figure
4:
High Beams
Master Electrical Component List
Exterior Lighting Systems Description and Operation
Control Module References
Low Beam and Daytime Running Lamps - Z75
B+ Bus - 1 of 3
G100
G101