GM Service Manual Online
For 1990-2009 cars only
Makes
🢒
Chevrolet
🢒
2007
🢒
Chevy Suburban - 4WD
🢒
Driver Information and Entertainment
🢒
Secondary and Configurable Customer Controls
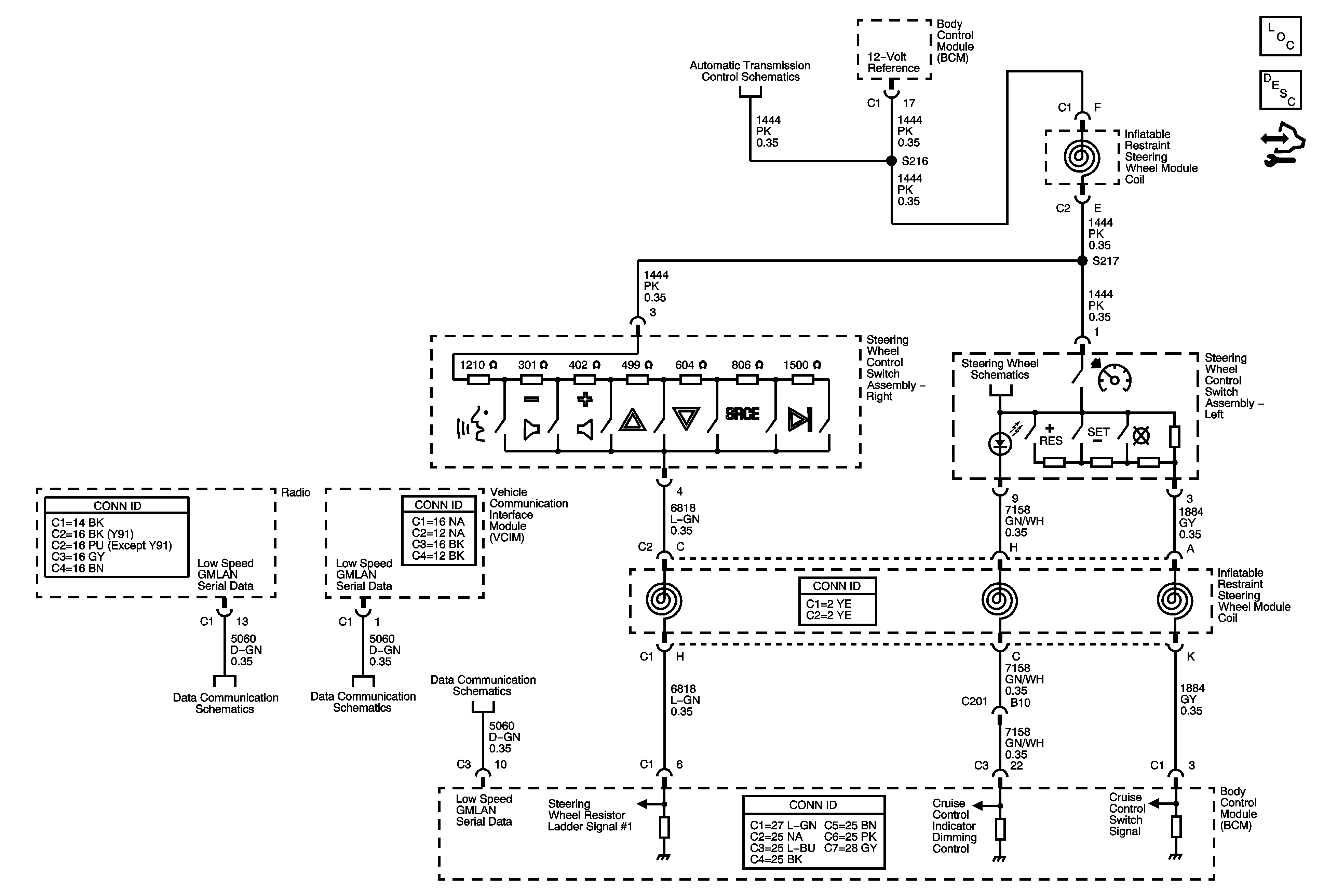
🢒 Steering Wheel Secondary/Configurable Control Schematics
Steering Wheel Controls
Master Electrical Component List
Steering Wheel Controls Description and Operation
Control Module References
Low Speed Bus - SP200 - 1 of 3
Low Speed Bus - SP200 - 1 of 3
Low Speed Bus - SP 200 - 2 of 3
Heated Steering Wheel Schematics
Transmission Range Signals and Driver Shift Request