GM Service Manual Online
For 1990-2009 cars only
Makes
🢒
Chevrolet
🢒
2007
🢒
Chevy Suburban - 4WD
🢒
Transmission/Transaxle
🢒
Automatic Transmission - 4L60-E/4L65-E/4L70-E
🢒 Automatic Transmission Controls Schematics
Figure
1:
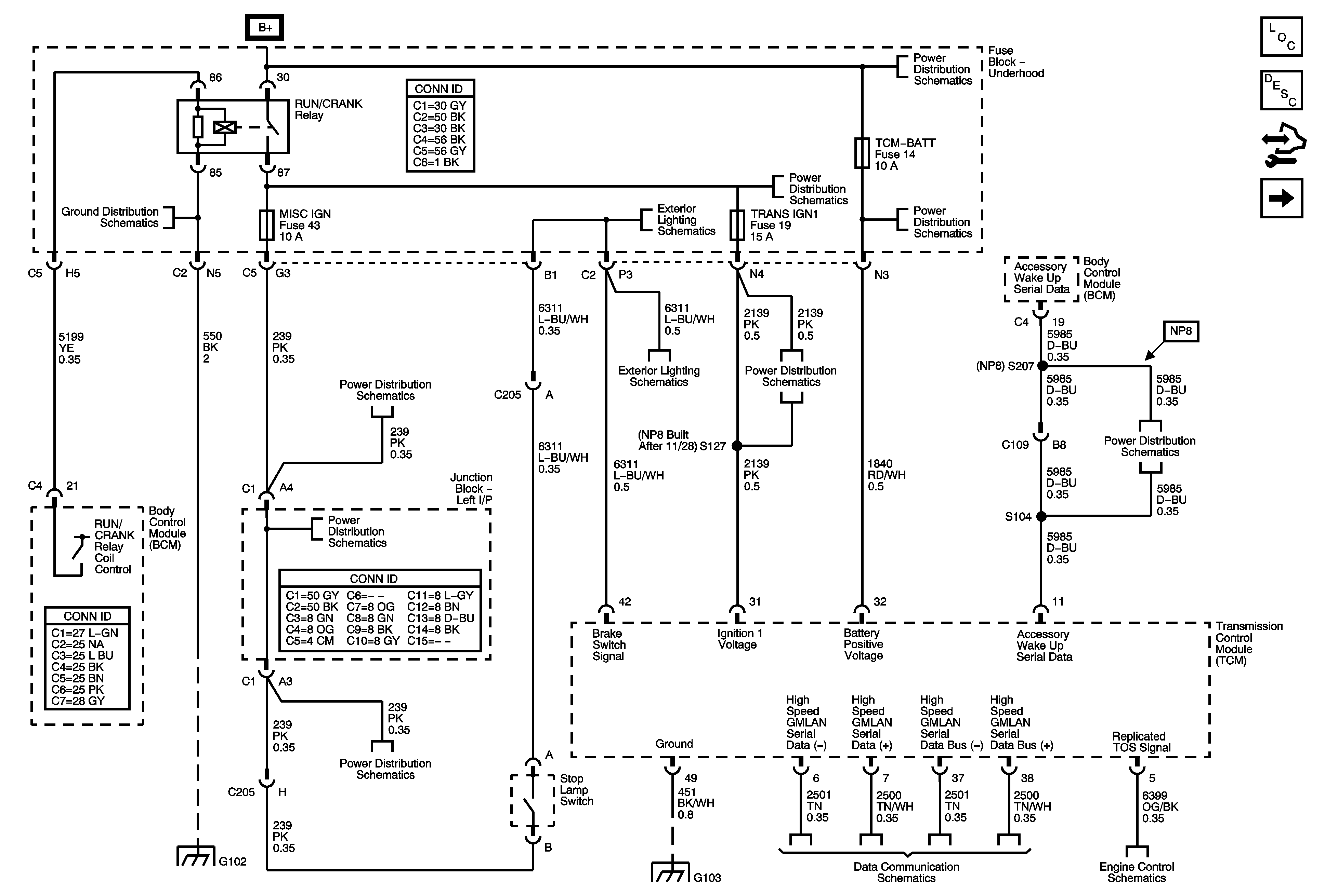
Module Power, Ground, and Serial Data
Master Electrical Component List
Electronic Component Description TCM
Control Module References
Shift Controls
G102 and G108
RUN/CRANK Bus - AIRBAG IGN, MISC IGN, ans SEO/ALC Fuses
RUN/CRANK Bus - AIRBAG IGN, MISC IGN, ans SEO/ALC Fuses
G102 and G108
RUN/CRANK Bus - AIRBAG IGN, MISC IGN, ans SEO/ALC Fuses
Stop Lamp Controls and CHMSL
Stop Lamp Controls and CHMSL
RUN/CRANK Bus - AIRBAG IGN, MISC IGN, ans SEO/ALC Fuses
RUN/CRANK Bus - ECM-IGN and TRANS IGN 1 Fuses
B+ Bus - 1 of 3
ECM-BATT, HEADLAMP WASH, HVAC BATT, IPC, LTR, S/ROOF, and TCM-BATT Fuses
G103, G110, and G111
High Speed Bus - 1 of 2
DLIS Fuse and Ignition Switch
Figure
2:
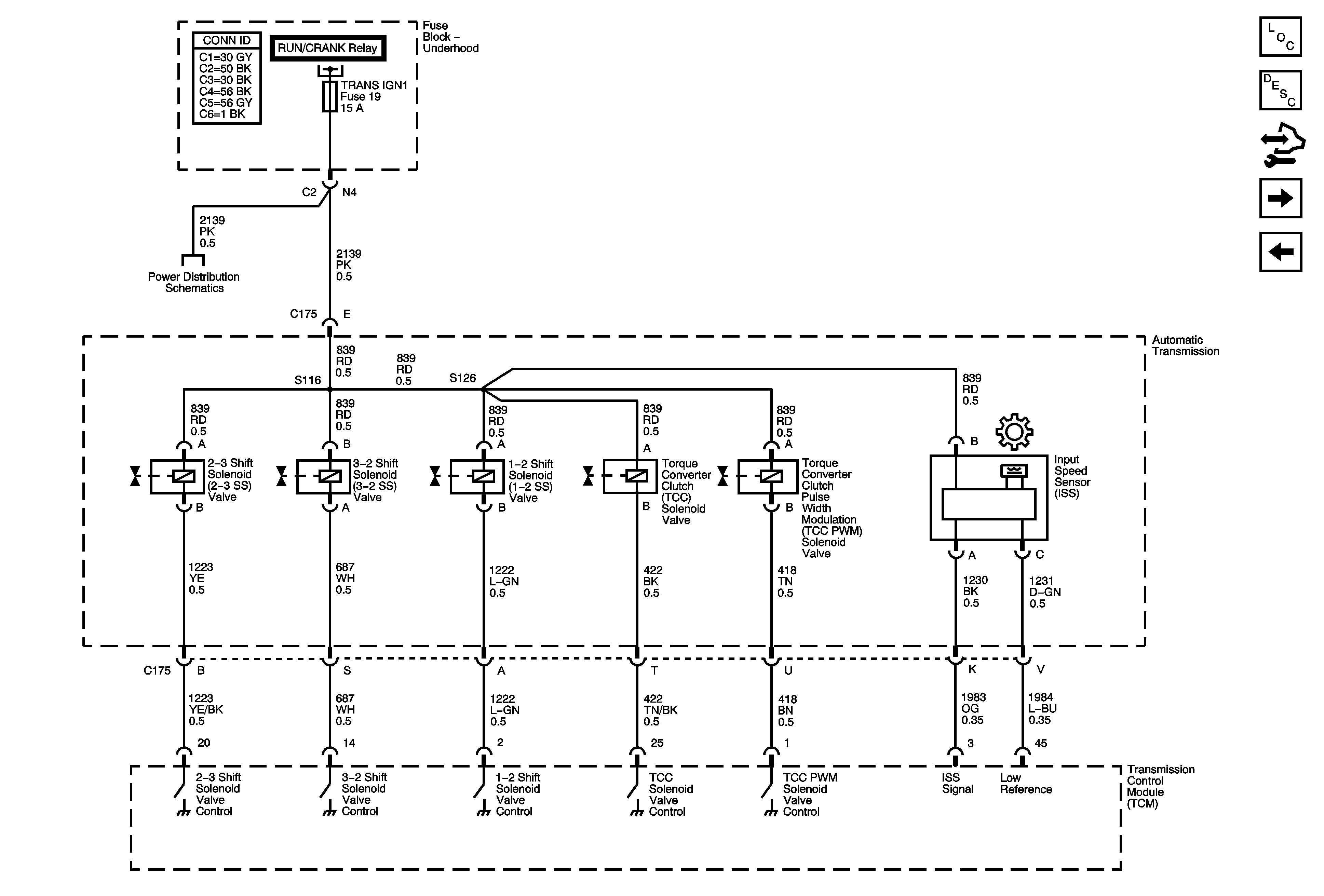
Shift Controls
Master Electrical Component List
Electronic Component Description TCM
Control Module References
Pressure and Temperature Controls
Module Power, Ground, and Serial Data
Module Power, Ground, and Serial Data
RUN/CRANK Bus - ECM-IGN and TRANS IGN 1 Fuses
Figure
3:
Pressure and Temperature Controls
Master Electrical Component List
Electronic Component Description TCM
Control Module References
PNP Signals, VSS Signal, and Tow/Haul Signal
Shift Controls
Figure
4:
PNP Signals, VSS Signals, and Tow/Haul Signal
Master Electrical Component List
Electronic Component Description TCM
Control Module References
Pressure and Temperature Controls
G103, G110, and G111
Automatic Transmission Schematic Icons
Low Speed Bus - SP200 - 1 of 3
G201