GM Service Manual Online
For 1990-2009 cars only
Makes
🢒
Chevrolet
🢒
2008
🢒
Chevy Suburban - 4WD
🢒
Diagnostic Navigation
🢒
Vehicle Diagnostic Information
🢒 Headlights/Daytime Running Lights (DRL) Schematics
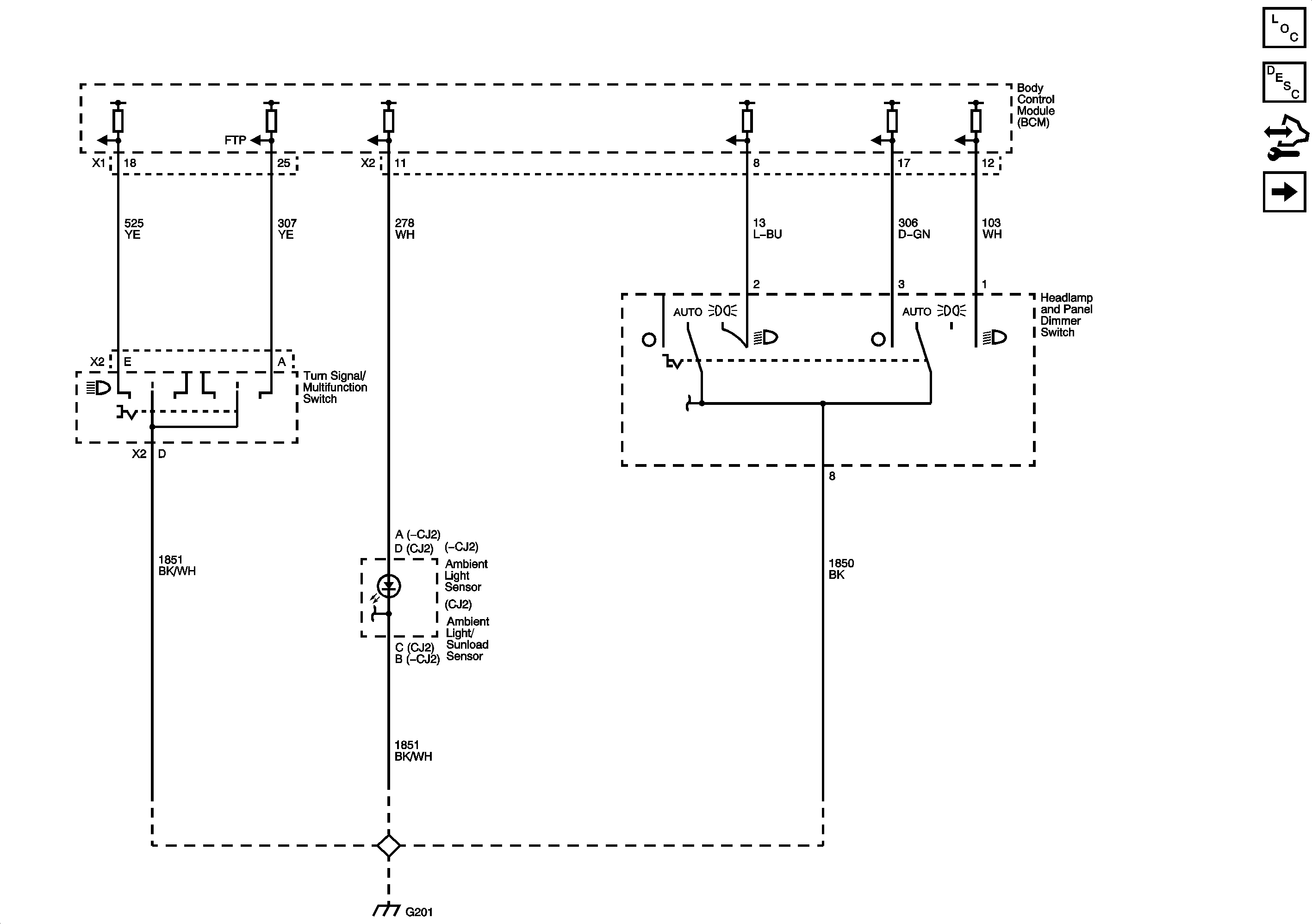
Figure
1:
Headlamp and Daytime Running Lamp Controls
Master Electrical Component List
Exterior Lighting Systems Description and Operation
Control Module References
Low Beam and Daytime Running Lamps - X88 or Z88
G201
Figure
2:
Low Beam and Daytime Running Lamps - X88/Z88
Master Electrical Component List
Exterior Lighting Systems Description and Operation
Control Module References
Low Beam and Daytime Running Lamps - Z75
Headlamp and Daytime Running Lamp Controls
DRL, DRL 2, LO HDLP-LT, LO HDLP-RT, and STRTR Fuses
DRL, DRL 2, LO HDLP-LT, LO HDLP-RT, and STRTR Fuses
DRL, DRL 2, LO HDLP-LT, LO HDLP-RT, and STRTR Fuses
DRL, DRL 2, LO HDLP-LT, LO HDLP-RT, and STRTR Fuses
G100
G101
G100
G101
Figure
3:
Low Beam and Daytime Running Lamps - Z75
Master Electrical Component List
Exterior Lighting Systems Description and Operation
Control Module References
High Beams
Low Beam and Daytime Running Lamps - X88 or Z88
DRL, DRL 2, LO HDLP-LT, LO HDLP-RT, and STRTR Fuses
DRL, DRL 2, LO HDLP-LT, LO HDLP-RT, and STRTR Fuses
DRL, DRL 2, LO HDLP-LT, LO HDLP-RT, and STRTR Fuses
DRL, DRL 2, LO HDLP-LT, LO HDLP-RT, and STRTR Fuses
G100
G101
G100
G101
Figure
4:
High Beams
Master Electrical Component List
Exterior Lighting Systems Description and Operation
Control Module References
Low Beam and Daytime Running Lamps - Z75
FOG LAMP, HI HEADLAMP - LT, and HI HEADLAMP -RT
FOG LAMP, HI HEADLAMP - LT, and HI HEADLAMP -RT
G100
G101