GM Service Manual Online
For 1990-2009 cars only
Makes
🢒
Chevrolet
🢒
2005
🢒
Classic
🢒 Power and Grounds
Power and Grounds
Power and Grounds
Master Electrical Component List
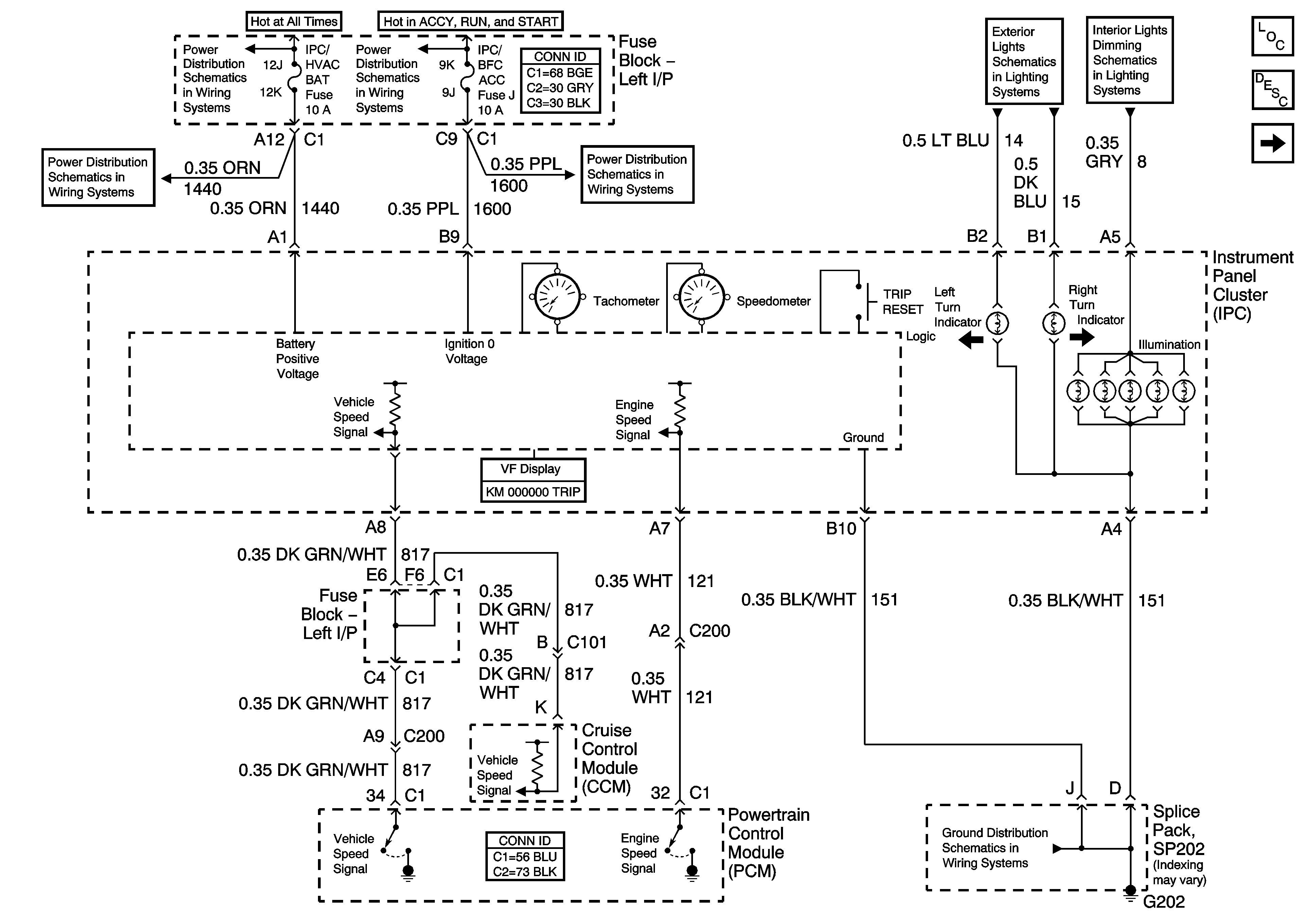
Instrument Cluster Description and Operation
Indicators and Communication
LH BFC BATT 2, STOP LPS, HAZARD LPS, IPC/HVAC BATT Fuses
LH BFC BATT 2, STOP LPS, HAZARD LPS, IPC/HVAC BATT Fuses
IGN BATT 1, IGN SW BATT 2, Ignition Switch
IGN BATT 1, IGN SW BATT 2, Ignition Switch
Panel Dimming
Power, Grounds, and Park Lamp Relay
SP202