GM Service Manual Online
For 1990-2009 cars only
Makes
🢒
Chevrolet
🢒
2005
🢒
Classic
🢒 Indicators and Communication
Indicators and Communication
Indicators and Communication
Master Electrical Component List
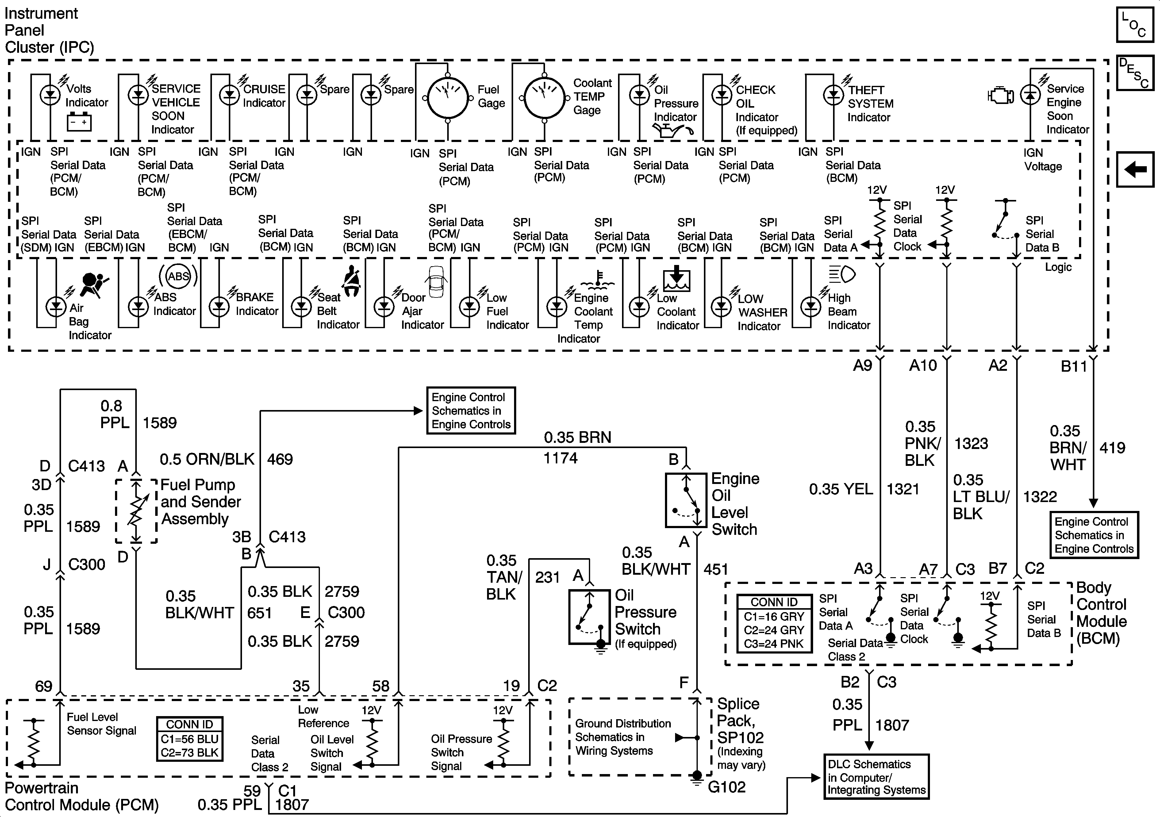
Instrument Cluster Description and Operation
Power and Grounds
Engine Data Sensors - Pressure and Temperature
Data Link Connector (DLC) Schematics
Power, Ground, Serial Data and MIL