GM Service Manual Online
For 1990-2009 cars only
Figure 1:

Inputs


Object Number: 1528128  Size: FS
Master Electrical Component List
Exterior Lighting Systems Description and Operation
Control Module References
Park Lamps
DLC Power, Ground, and Low Speed GMLAN
Headlights/DRL Schematics
Dimmer Switch Inputs
G201
G109, G203, G306
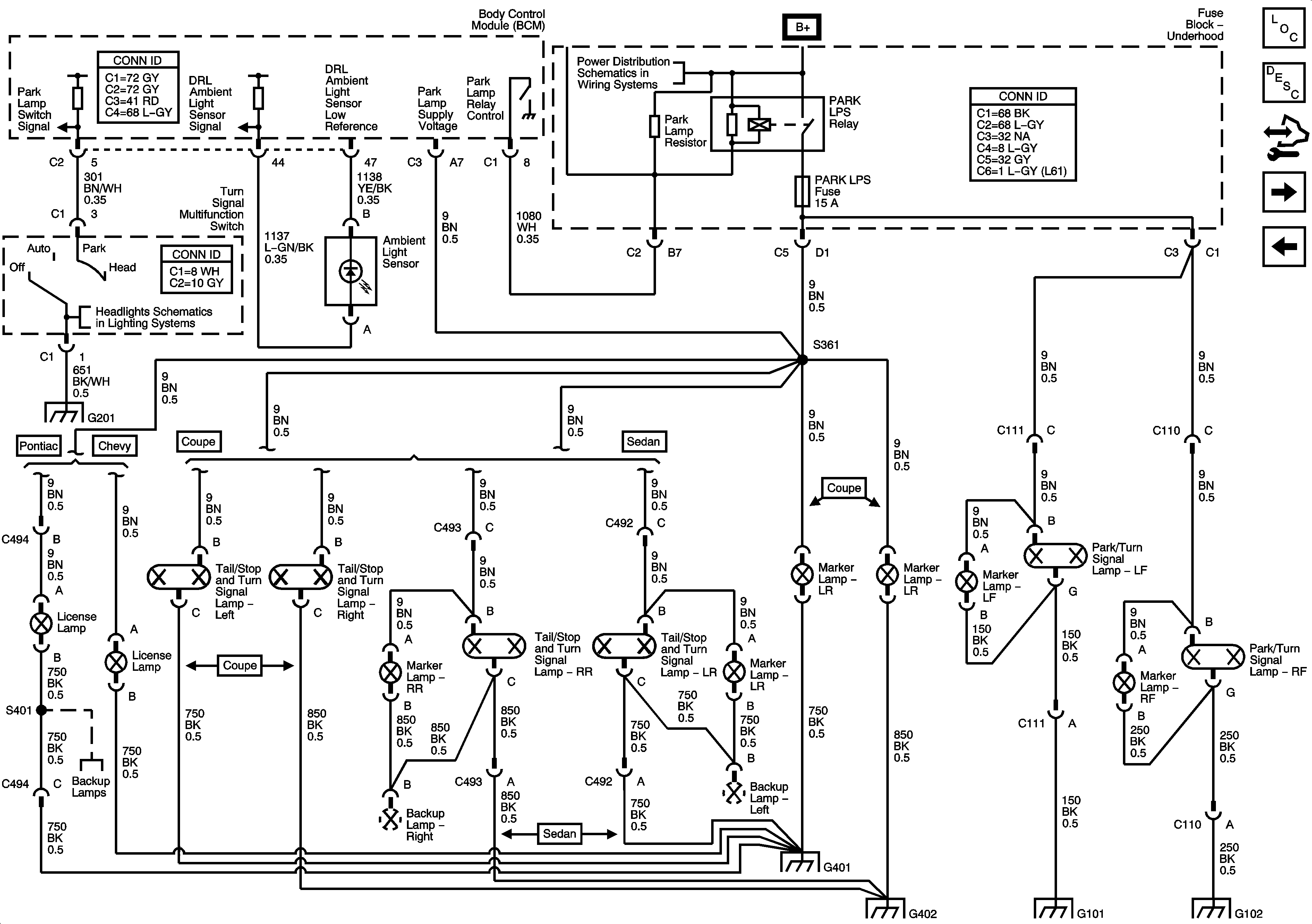
Figure 2:

Park Lamps


Object Number: 1665273  Size: FS
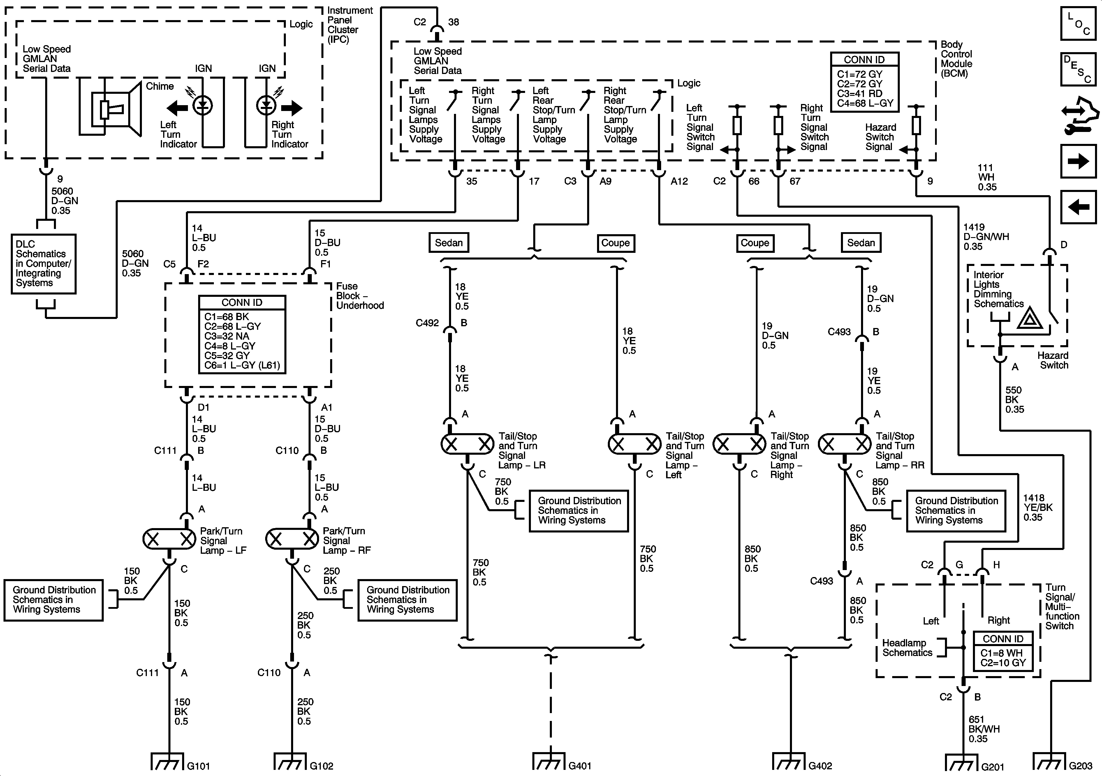
Figure 3:

Hazards, Turn Signals


Object Number: 1528129  Size: FS
Master Electrical Component List
Exterior Lighting Systems Description and Operation
Control Module References
Stop Lamps
Inputs
PARK LAMPS PCB Relay, PARK LPS Fuse, LOW BEAM PCB Relay, HI BEAM PCB Relay, RH LOW BEAM Fuse, LH LOW BEAM Fuse, RH HIGH BEAM Fuse, LH HIGH BEAM Fuse
PARK LAMPS PCB Relay, PARK LPS Fuse, LOW BEAM PCB Relay, HI BEAM PCB Relay, RH LOW BEAM Fuse, LH LOW BEAM Fuse, RH HIGH BEAM Fuse, LH HIGH BEAM Fuse
G101 and G102
G401 - 2 of 2
G402 and G403
G101 and G102
Figure 4:

Stop Lamps


Object Number: 1528131  Size: FS
Master Electrical Component List
Exterior Lighting Systems Description and Operation
Control Module References
Backup Lamps
Hazards, Turn Signals
Ignition Switch, BCM2 Fuse, IGN SW Fuse, STOP LPS Fuse, AUDIO AMPLIFIER Fuse, CLUSTER Fuse, HVAC/PK3 Fuse
Power, Ground, and Wheel Speed Sensor
G401 - 2 of 2
Figure 5:

Backup Lamps


Object Number: 1528133  Size: FS
Master Electrical Component List
Exterior Lighting Systems Description and Operation
Control Module References
Stop Lamps
RUN/CRANK Relay, I/P IGN Fuse, PRK/NEUT Fuse, BACKUP Fuse, ABS Fuses, ECM TRANS Fuse, LIGHTER Fuse, CAN VENT Fuse, EPS Fuse, BCM2 and 3 Fuses, HEATED SEAT Fuse, S-BAND/ONSTAR Fuse, MIRROR Fuse
G401 - 2 of 2
G402 and G403