GM Service Manual Online
For 1990-2009 cars only
Figure 1:

B+ Bus - Underhood Fuse Block


Object Number: 1774045  Size: FS
Master Electrical Component List
Body Control Module (BCM) Programming/RPO Configuration
ABS1, ABS2, AUX, CAN VENT, CIGAR, CLUSTER, DOOR LOCK, ONSTAR, PCM B, RADIO, STOP, and TCCM Fuses
Figure 2:

ABS 1, ABS 2, AUX, CAN VENT, CIGAR, CLUSTER, DOOR LOCK, ONSTAR, PCM B, RADIO, STOP, and TCCM Fuses


Object Number: 1774047  Size: FS
Master Electrical Component List
Body Control Module (BCM) Programming/RPO Configuration
A/C, BLOWER, DOOR LOCK, HTD SEAT, ONSTAR, TBC, TURN/HAZ FR, and TURN/HAZ RR Fuses
B+ Bus - Underhood Fuse Block
B+ Bus - Underhood Fuse Block
Figure 3:

A/C, BLOWER, DOOR LOCK, HTD SEAT, ONSTAR, TBC, TURN/HAZ FR, and TURN /HAZ RR Fuses


Object Number: 1774048  Size: FS
Master Electrical Component List
Body Control Module (BCM) Programming/RPO Configuration
RUN/CRANK RELAY BUS - 1 of 3, CRUISE, SIR, and TRANS Fuses
ABS1, ABS2, AUX, CAN VENT, CIGAR, CLUSTER, DOOR LOCK, ONSTAR, PCM B, RADIO, STOP, and TCCM Fuses
B+ Bus - Underhood Fuse Block
Figure 4:

RUN/CRANK Relay Bus - 1 of 3, CRUISE, SIR, and TRANS Fuses


Object Number: 1774058  Size: FS
Master Electrical Component List
Body Control Module (BCM) Programming/RPO Configuration
RUN/CRANK RELAY BUS - 2 of 3, ABS, BACKUP, and IGN Fuses
A/C, BLOWER, DOOR LOCK, HTD SEAT, ONSTAR, TBC, TURN/HAZ FR, and TURN/HAZ RR Fuses
B+ Bus - Underhood Fuse Block
RUN/CRANK RELAY BUS - 2 of 3, ABS, BACKUP, and IGN Fuses
SIR Caution for Zoning
Figure 5:

RUN/CRANK Relay Bus - 2 of 3, ABS, BACKUP, and IGN Fuses


Object Number: 1774069  Size: FS
Master Electrical Component List
Body Control Module (BCM) Programming/RPO Configuration
RUN/CRANK RELAY BUS - 3 of 3, ERLS, FRT AX, INJECTOR, and PCM I Fuses
RUN/CRANK RELAY BUS - 1 of 3, CRUISE, SIR, and TRANS Fuses
RUN/CRANK RELAY BUS - 1 of 3, CRUISE, SIR, and TRANS Fuses
RUN/CRANK RELAY BUS - 3 of 3, ERLS, FRT AX, INJECTOR, and PCM I Fuses
Figure 6:

RUN/CRANK Relay Bus - 3 of 3, ERLS, FRT AX, INJECTOR, and PCM I Fuses


Object Number: 1774072  Size: FS
Master Electrical Component List
Body Control Module (BCM) Programming/RPO Configuration
ETC, O2 SENSOR, PWR/WINDOW, SUNROOF, and WIP/WASH Fuses
RUN/CRANK RELAY BUS - 2 of 3, ABS, BACKUP, and IGN Fuses
RUN/CRANK RELAY BUS - 2 of 3, ABS, BACKUP, and IGN Fuses
Figure 7:

ETC, 02 SENSOR, PWR/WINDOW, SUNROOF, and WIP/WASH Fuses


Object Number: 1774174  Size: FS
Master Electrical Component List
Body Control Module (BCM) Programming/RPO Configuration
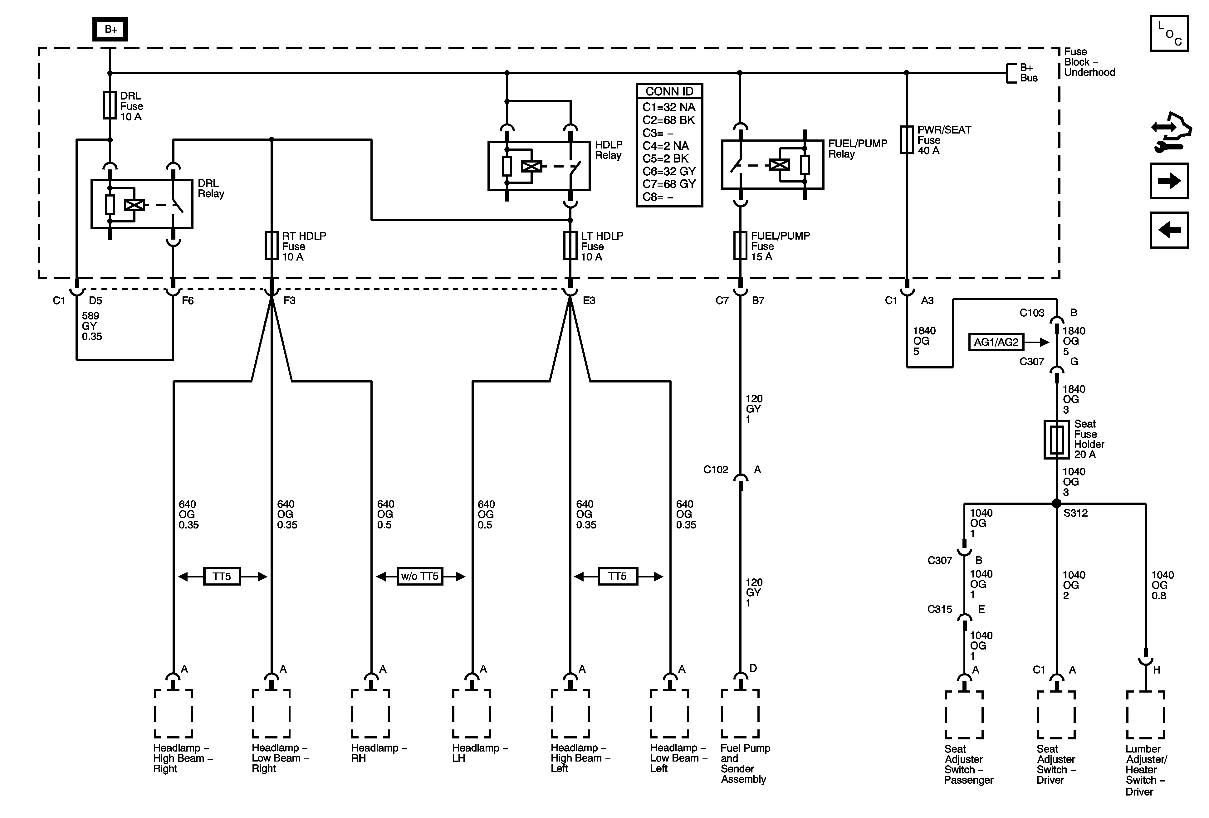
FUEL PUMP, PWR/SEAT, LH HDLP, and RH HDLP Fuses
RUN/CRANK RELAY BUS - 3 of 3, ERLS, FRT AX, INJECTOR, and PCM I Fuses
B+ Bus - Underhood Fuse Block
Figure 8:

DRL, FUEL PMP, LH HDLP, and RH HDLP Fuses


Object Number: 1774184  Size: FS
Master Electrical Component List
Body Control Module (BCM) Programming/RPO Configuration
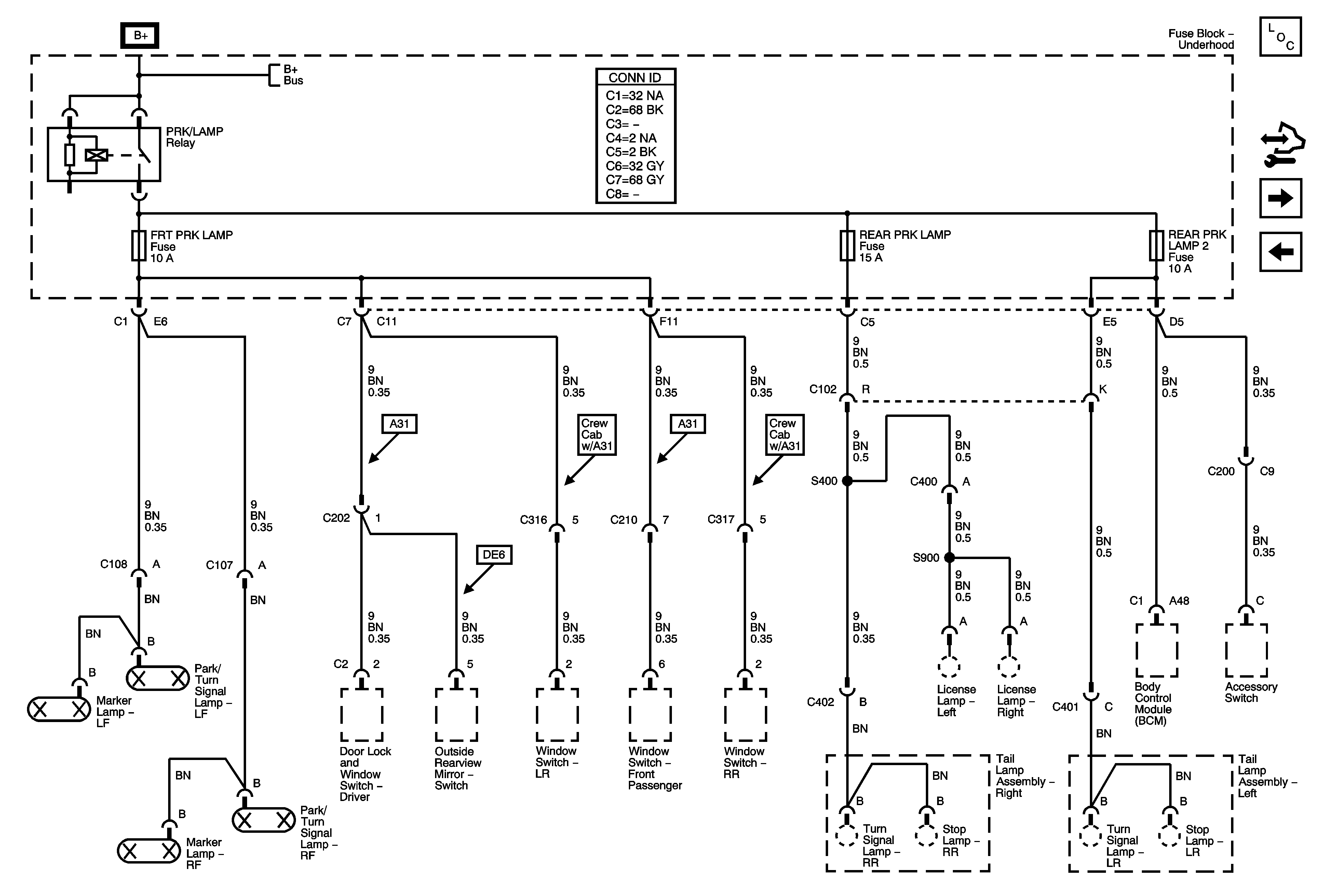
FR PK LP, RR PK LP, and RR PK LP2 Fuses
ETC, O2 SENSOR, PWR/WINDOW, SUNROOF, and WIP/WASH Fuses
B+ Bus - Underhood Fuse Block
Figure 9:

FR PK LP, RR PK LP, and RR PK LP 2 Fuses


Object Number: 1774189  Size: FS
Master Electrical Component List
Body Control Module (BCM) Programming/RPO Configuration
Ignition Switch and IGN TRANS D Fuse
FUEL PUMP, PWR/SEAT, LH HDLP, and RH HDLP Fuses
B+ Bus - Underhood Fuse Block
Figure 10:

Ignition Switch and IGN TRANS D Fuse


Object Number: 1774192  Size: FS
Master Electrical Component List
Body Control Module (BCM) Programming/RPO Configuration
FR PK LP, RR PK LP, and RR PK LP2 Fuses
B+ Bus - Underhood Fuse Block