GM Service Manual Online
For 1990-2009 cars only
Makes
🢒
Chevrolet
🢒
2007
🢒
Colorado Pickup - 2WD
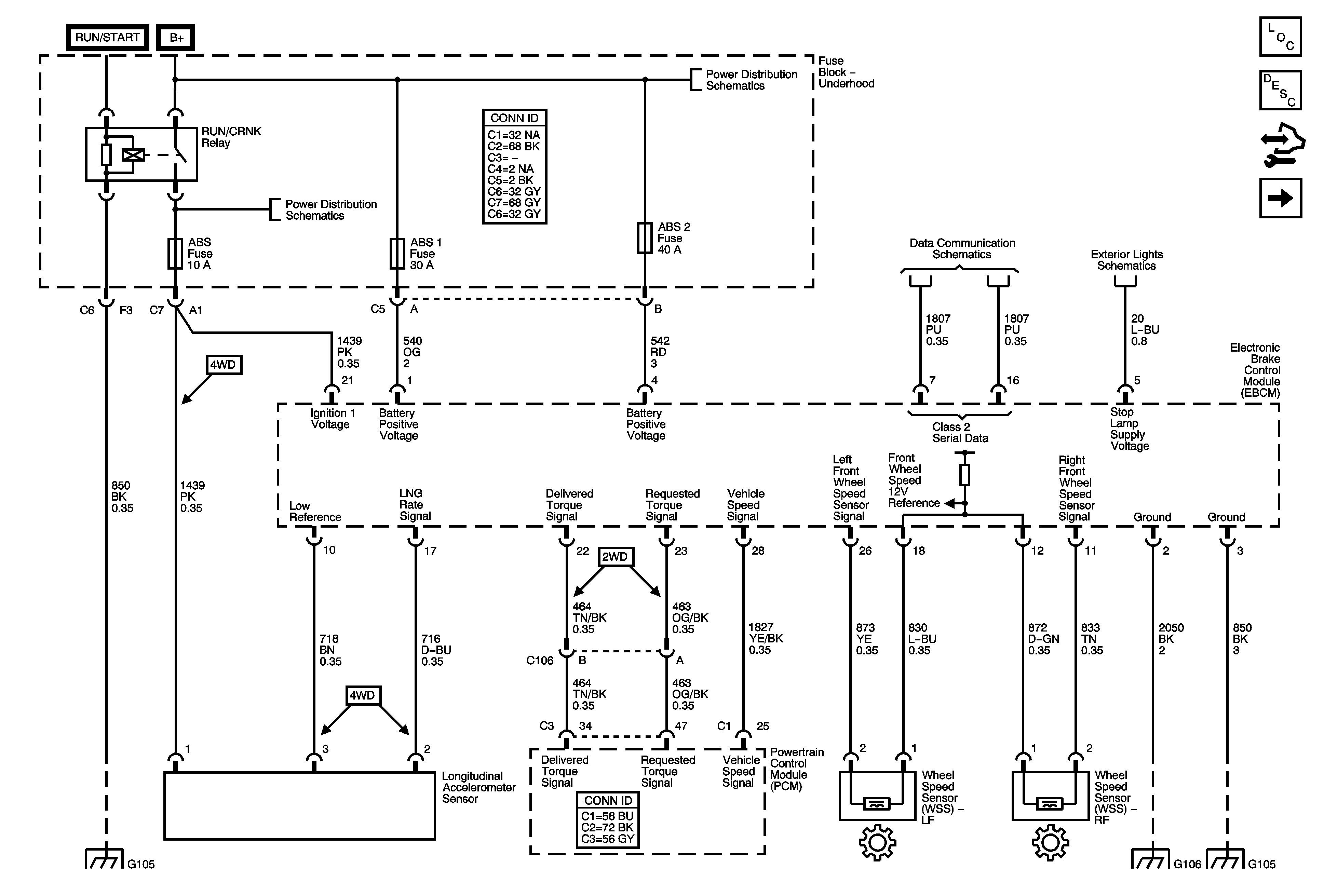
🢒 Power, Ground, and Electric Brake Control Module
Power, Ground, and Electric Brake Control Module
Power, Ground, and Electronic Brake Control Module
Master Electrical Component List
ABS Description and Operation
Body Control Module Programming and Setup
Traction Control
B+ Bus - Underhood Fuse Block
RUN/CRANK RELAY BUS - 1 of 3, CRUISE, SIR, and TRANS Fuses
Data Communication Schematics
Stop Lamps and License Lamps
Splice Pack SP105 and G105 - 1 of 2
Splice Pack SP106 and G106 - 1 of 2
Splice Pack SP105 and G105 - 1 of 2