GM Service Manual Online
For 1990-2009 cars only

Refer to

Engine Data Sensors


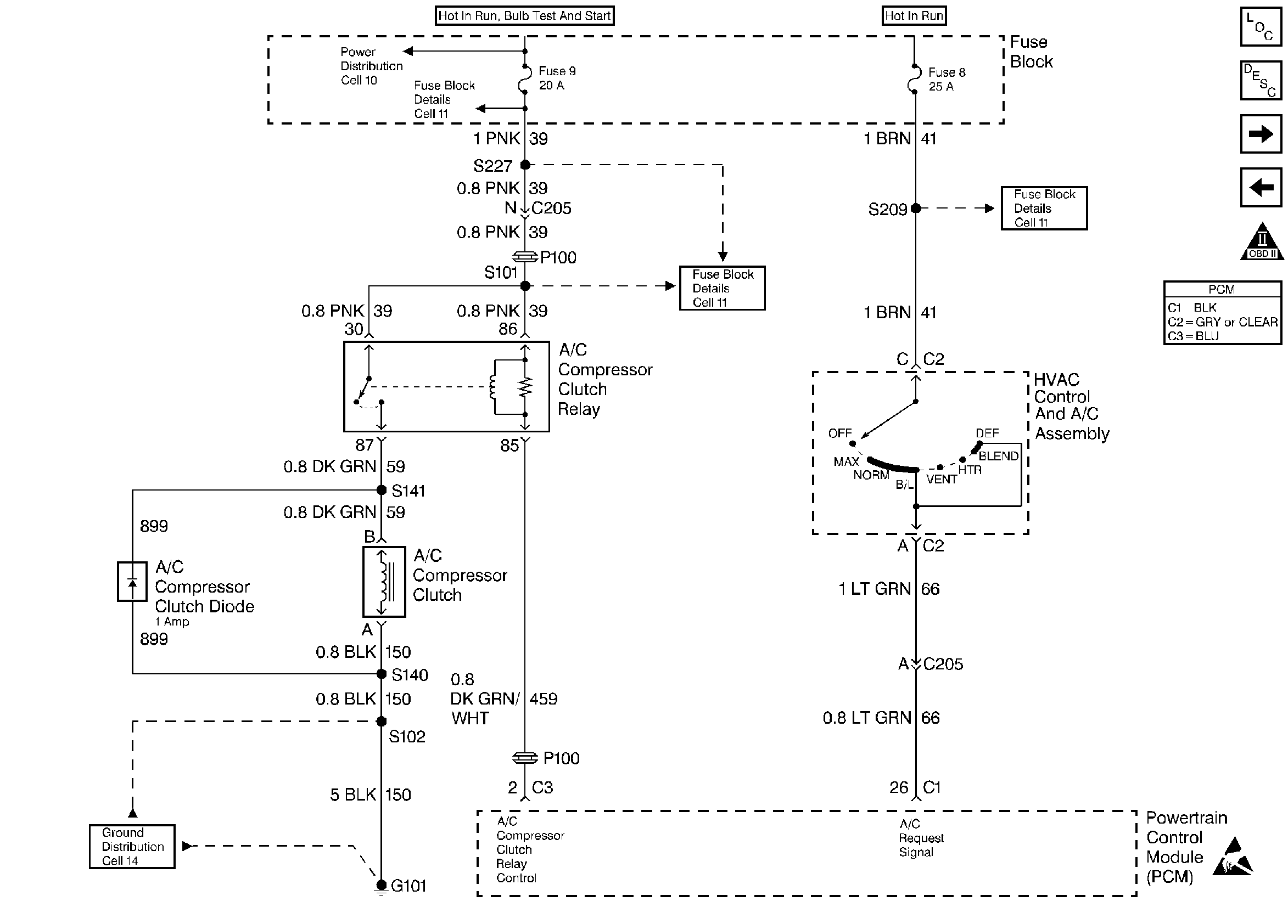
Object Number: 31691  Size: FS
Engine Controls Components
Information Sensors
EVAP and EGR Controls
Fuel Controls
OBD II Symbol Description Notice
Handling ESD Sensitive Parts Notice
Handling ESD Sensitive Parts Notice
and

A/C Controls


Object Number: 31712  Size: FS
Engine Controls Components
Powertrain Control Module Controlled Air Conditioning
Cooling Fan Controls
Transaxle Controls
OBD II Symbol Description Notice
Handling ESD Sensitive Parts Notice
for wiring view.

Circuit Description

The PCM receives an A/C request signal from the A/C selector switch. When A/C is requested, the Powertrain Control Module (PCM) provides a ground path to the A/C clutch relay control circuit. When the relay circuit is grounded, the A/C compressor clutch relay is energized. The PCM delays grounding the relay circuit for 0.3 second, so the PCM can adjust the engine idle RPM for the additional load.

The PCM will temporarily de-energize the A/C compressor clutch relay for one or more of the following conditions:

    • A hot engine restart.
    • A wide open throttle, or TP sensor over 90 percent.
    • Engine RPM more than 6000 RPM.
    • During an Idle Air Control (IAC) valve reset.
        The A/C compressor clutch relay will remain de-energized when one or both of the following conditions exist:
    • A DTC P0530 is set.
    • There is no A/C request signal to the PCM.
        Refer to A/C diagnosis for more information on the A/C refrigerant systems.

Diagnostic Aids

    • If DTC P0530 is set, do not use this table.
    • An A/C refrigerant pressure outside the range of 43 to 428 psi, will cause the A/C compressor clutch to be disabled by the PCM. Observe the A/C refrigerant pressure parameter on the scan tool for 2 minutes with the engine idling and A/C ON. If pressure goes out of range, refer A/C Diagnosis.

Test Description

Number(s) below refer to number(s) on the diagnostic table.

  1. The Powertrain OBD System Check prompts the technician to complete some basic checks and store the freeze frame and failure records data on the scan tool if applicable. This creates an electronic copy of the data taken when the fault occurred. The information is then stored on the scan tool for later reference.

  2. The PCM will only energize the A/C relay when the engine is running. This test will determine if the relay or control circuit is faulty.

  3. By disconnecting the relay, the system can be divided into two sections. If the clutch does not disengage, the fault lies on the compressor side of the system.

  4. A test light that does not illuminate indicates that the A/C compressor clutch relay is faulty.

  5. Determines if the system is normal or if the A/C refrigerant pressure sensor reading is out of range.

  6. Determines if the signal is reaching the PCM from the A/C control panel. The signal should only be present when an A/C mode or defrost mode has been selected.

  7. This step determines if the A/C refrigerant pressure sensor is out of range causing the A/C compressor clutch to be disabled or if the A/C charge is to low to allow A/C operation.

  8. Replacement PCMs must be reprogrammed. Refer to latest Techline information for programming procedures.

  9. Connecting circuit's 59 and 459 together bypasses the PCMs control of the A/C compressor clutch. An A/C compressor clutch that fails to engage at this point indicates that the fault is in circuit 59, the compressor coil or compressor coil ground circuit.

  10. With the engine running and the A/C relay commanded ON, the PCM should ground the A/C relay control circuit. This will also illuminate the test light.

  11. If no faults have been found at this point, refer to Diagnostic Aids for additional checks and information.

A/C Compressor Clutch Control Circuit Diagnosis

Step

Action

Value(s)

Yes

No

1

Was the Powertrain On-Board Diagnostic (OBD) System Check performed?

--

Go to Step 2

Go to Powertrain On Board Diagnostic (OBD) System Check

2

Install a scan tool.

Was DTC P0530 set?

--

Go to DTC tables first

Go to Step 3

3

Turn the ignition switch ON, with the engine OFF.

Is the A/C compressor clutch engaged?

--

Go to Step 4

Go to Step 5

4

Disconnect the A/C relay.

Does the A/C compressor clutch disengage?

--

Go to Step 6

Go to Step 7

5

  1. Start the engine and allow the engine coolant temperature to reach the specified value.
  2. Cycle the A/C selector switch ON and OFF.

Does the A/C compressor clutch cycle ON and OFF with the selector switch?

85°C (185°F)

Go to Step 8

Go to Step 9

6

With a test light connected to B+, probe the A/C relay control terminal.

Does the test light illuminate?

--

Go to Step 10

Go to Step 11

7

Disconnect the A/C clutch electrical connector.

Does the A/C compressor clutch disengage?

--

Go to Step 12

Go to Step 13

8

  1. Turn the ignition switch ON, with the engine OFF.
  2. Install an A/C manifold gage set (refer to Section 1B).
  3. Observe the A/C Highside pressure on the scan tool and the manifold gage set.

Are the High side pressures within the specified value of each other?

20 psi

Go to Step 36

Go to Step 14

9

Turn the A/C ON and OFF.

Does the scan tool indicate when the A/C is requested and not requested correctly?

--

Go to Step 15

Go to Step 16

10

Check the A/C compressor clutch relay control circuit for a short to ground and repair as necessary

Was a repair necessary?

--

Go to Step 36

Go to Step 22

11

Replace the A/C compressor clutch relay.

Is the action complete?

--

Go to Step 36

--

12

Repair the short to B+ in the A/C compressor clutch ignition feed circuit.

Is the action complete?

--

Go to Step 36

--

13

Replace the faulty A/C compressor clutch assembly.

Is the action complete?

--

Go to Step 36

--

14

  1. Turn the ignition switch ON, with the engine OFF.
  2. Disconnect the A/C refrigerant pressure sensor electrical connector.
  3. With a DVM connected to B+, probe the A/C refrigerant pressure sensor ground.

Does the DVM read the specified value?

B+

Go to Step 18

Go to Step 19

15

Turn the ignition switch ON, with the engine OFF.

Is the A/C Highside value between the specified values?

40-430 psi

Go to Step 20

Go to Step 21

16

  1. Ignition OFF.
  2. Disconnect PCM connectors.
  3. Ignition ON.
  4. Connect a test light to ground.
  5. Probe the A/C selector switch input circuit to the PCM.
  6. Cycle the A/C selector switch ON and OFF.

Does the test light turn ON and OFF when the A/C selector switch is cycled?

--

Go to Step 17

Go to Step 23

17

Check A/C request circuit connector to PCM for poor connection and repair if necessary.

Was repair necessary?

--

Go to Step 36

Go to Step 22

18

Replace the A/C refrigerant pressure sensor.

Is the action complete?

--

Go to Step 36

--

19

Repair the open or poor connection in the A/C refrigerant pressure sensor ground.

Is the action complete?

--

Go to Step 36

--

20

  1. Disconnect the A/C relay.
  2. With a test light connected to ground, probe the A/C relay ignition feed circuits.

Does the test light illuminate on both circuits?

--

Go to Step 24

Go to Step 25

21

  1. Install an A/C manifold gage set (refer to Section 1B).
  2. Observe the A/C Highside pressure on the scan tool and the manifold gage set.

Are the High side pressure within the specified value of each other?

20 psi

Go to Section 1B

Go to Step 18

22

Replace the PCM.

Is the action complete?

--

Go to Step 36

--

23

Repair the signal from the A/C selector switch (refer to Section 8A-64).

Is the action complete?

--

Go to Step 36

--

24

Connect a jumper between the A/C relay ignition feed terminal and the A/C compressor clutch feed terminal.

Does the A/C compressor clutch engage?

--

Go to Step 26

Go to Step 27

25

If the test light did not illuminate on the A/C relay battery feed terminal, check for a short to ground in the A/C compressor clutch ignition feed circuit or for a faulty A/C compressor clutch diode and repair as necessary.

Was a repair necessary?

--

Go to Step 36

Go to Step 28

26

  1. Remove the jumper.
  2. Start the engine.
  3. With a test light connected to B+, probe the A/C compressor clutch relay control terminal.
  4. Command the relay ON.

Does the test light illuminate?

--

Go to Step 11

Go to Step 29

27

  1. Disconnect the A/C compressor clutch electrical connector.
  2. With a test light connected to ground and the jumper still installed, probe the A/C compressor clutch ignition feed circuit.

Does the test light illuminate?

--

Go to Step 30

Go to Step 31

28

Repair the open battery or ignition feed circuit to the A/C relay.

Is the action complete?

--

Go to Step 36

--

29

Connect the test light to ground and again probe the compressor clutch relay control terminal.

Did the test light illuminate?

--

Go to Step 32

Go to Step 33

30

With a test light connected to B+, probe the A/C compressor clutch ground circuit.

Does the test light illuminate?

--

Go to Step 34

Go to Step 35

31

Repair the open in the A/C compressor clutch ignition feed circuit.

Is the action complete?

--

Go to Step 36

--

32

Check the A/C compressor clutch relay control circuit for a short to voltage and repair as necessary.

Was a repair necessary?

--

Go to Step 36

Go to Step 17

33

Check the A/C compressor clutch relay control circuit for an open or poor connection and repair as necessary.

Was a repair necessary?

--

Go to Step 36

Go to Step 17

34

Replace the A/C compressor clutch coil.

Is the action complete?

--

Go to Step 36

--

35

Repair the open or poor connection in the A/C compressor clutch ground circuit.

Is the action complete?

--

Go to Step 36

--

36

  1. Start the engine.
  2. With the engine idling, cycle the A/C selector switch ON and OFF.

Does the A/C compressor clutch cycle ON and OFF?

 

System OK

Refer to Diagnostic Aids

Go to Step 2