GM Service Manual Online
For 1990-2009 cars only

Refer to

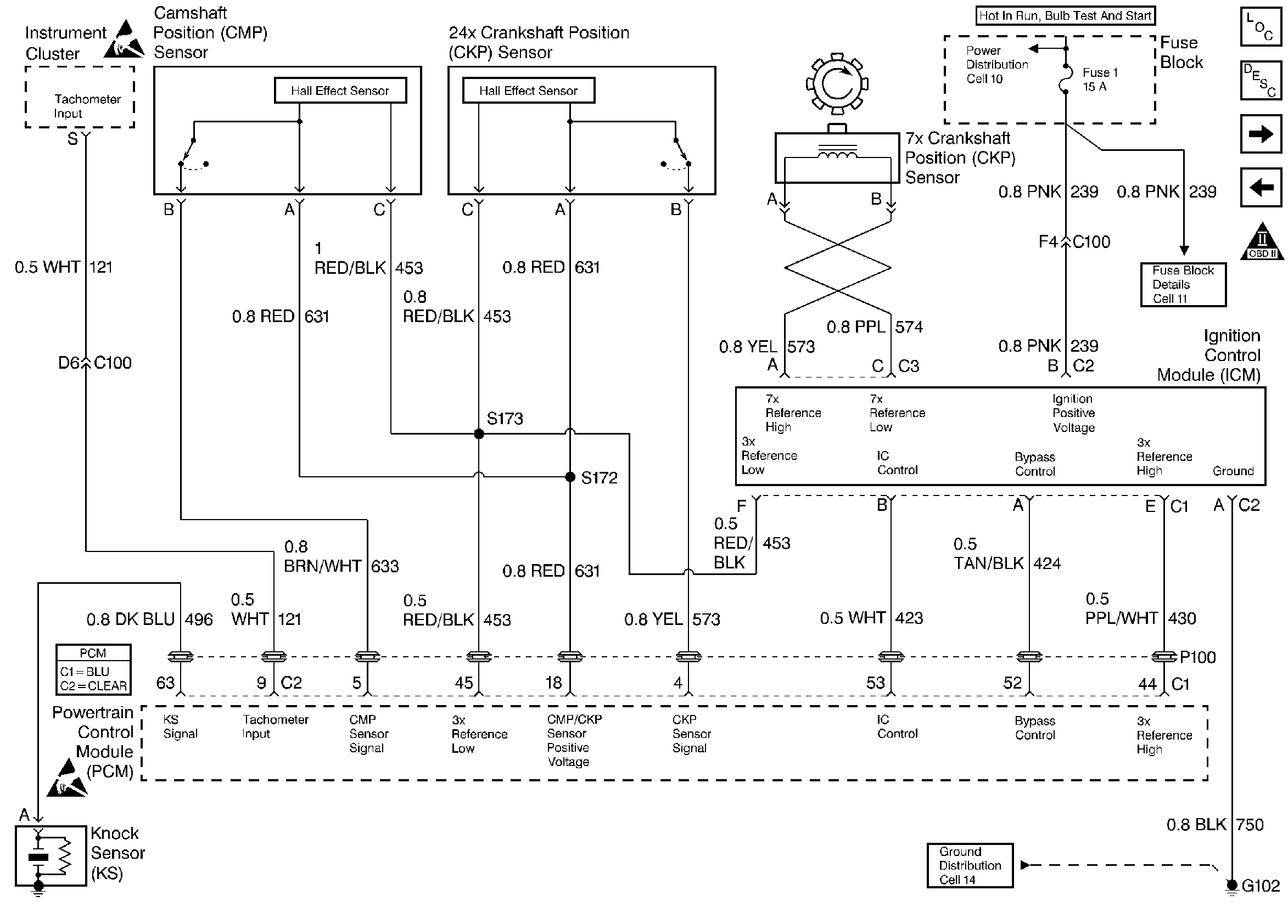
Knock Sensor, Instrument Cluster, CMP, CKPs, and Ignition Control Module


Object Number: 30271  Size: FS
Fuel Tank Unit, Fuel Pump/Oil Pressure Sender/Switch, and Fuel Pump Relay
Instrument Panel Cluster and Data Link Connector
OBD II Symbol Description Notice
Handling ESD Sensitive Parts Notice
Handling ESD Sensitive Parts Notice

Circuit Description

The Ignition Control Module (ICM) sends signals that the PCM requires for fuel control and spark advance calculations. At the start of engine crank, the ICM controls spark advance (Bypass mode.) When the second 3X reference pulse is recognized by the PCM, the PCM applies 5 volts to the Bypass circuit, commanding the ICM to switch spark advance to PCM control (IC mode). An open in the IC circuit or a short to voltage in the Bypass circuit at start-up will cause the PCM to monitor IC pulses during crank, when the ICM should be grounding the IC circuit. This condition will set DTC P1350. The engine may be started but will run on Bypass mode timing.

Conditions for Setting the DTC

    • The PCM monitors IC pulses during crank while Bypass mode spark advance is commanded.
    • Engine speed less than 450 rpm.

Action Taken When the DTC Sets

    • The PCM will illuminate the malfunction indicator lamp (MIL) during the second consecutive trip in which the diagnostic test has been run and failed.
    • The PCM will store conditions which were present when the DTC set as Freeze Frame and Failure Records data.

Conditions for Clearing the MIL/DTC

    • The PCM will turn OFF the MIL during the third consecutive trip in which the diagnostic has been run and passed.
    • The History DTC will clear after 40 consecutive warm-up cycles have occurred without a malfunction.
    • The DTC can be cleared by using the scan tool.

Diagnostic Aids

Check for the following conditions:

    • Poor connection at PCM. Inspect harness connectors for backed out terminals, improper mating, broken locks, improperly formed or damaged terminals, and poor terminal to wire connection.
    • Damaged harness. Inspect the wiring harness for damage. If the harness appears to be OK, disconnect the ICM, turn the ignition ON and observe a voltmeter connected between the IC circuit and B+ while moving connectors and wiring harnesses related to the ICM. A change in voltage will indicate the location of the fault.

Reviewing the Fail Records vehicle mileage since the diagnostic test last failed may help determine how often the condition that caused the DTC to be set occurs. This may assist in diagnosing the condition.

DTC P1350 - Ignition Control System

Step

Action

Value(s)

Yes

No

1

Was the Powertrain On-Board Diagnostic System Check performed?

--

Go to Step 2

Go to Powertrain OBD System Check

2

  1. Clear DTC P1350.
  2. Start engine and let idle for 2 minutes.
  3. Observe DTC(s).

Did DTC P1350 set?

--

Go to Step 3

Go to Diagnostic Aids

3

  1. Ignition OFF, disconnect the PCM.
  2. Connect DVM to measure resistance between the IC circuit and the reference low circuit at the PCM harness connector.
  3. Ignition ON, observe resistance.

Is resistance less than the specified value?

300 ohms

Go to Step 6

Go to Step 4

4

  1. Ignition OFF, disconnect the Ignition Control Module.
  2. Check the IC circuit for an open.
  3. If a problem is found, repair as necessary. Refer to Repair Procedures in Electrical Diagnosis section 8A.

Was a problem found?

--

Go to Step 10

Go to Step 5

5

  1. Check the IC circuit for a poor connection at the ignition control module.
  2. If a problem is found, replace faulty terminal. Refer to Repair Procedures in Electrical Diagnosis section 8A.

Was a problem found?

--

Go to Step 10

Go to Step 8

6

  1. Check the IC circuit for a poor terminal connection at the PCM.
  2. If a problem is found, repair as necessary. Refer to Repair Procedures in Electrical Diagnosis section 8A.

Was a problem found?

--

Go to Step 10

Go to Step 7

7

Replace the PCM.

Important: The replacement PCM must be programmed. Refer to PCM Replacement/Programming.

Is action complete?

--

Go to Step 10

--

8

  1. Ignition ON, check the Bypass circuit for a short to voltage.
  2. If a problem is found, repair as necessary. Refer to Repair Procedures in Electrical Diagnosis section 8A.

Was a problem found?

--

Go to Step 10

Go to Step 9

9

Replace the ignition control module.

Is action complete?

--

Go to Step 10

--

10

  1. Review and record scan tool Fail Records data.
  2. Clear DTCs.
  3. Operate vehicle within Fail Records conditions as noted.
  4. Using a scan tool, monitor SPECIFIC DTC info for DTC P1350.

Does scan tool indicate DTC P1350 failed?

--

Go to Step 2

Repair complete