GM Service Manual Online
For 1990-2009 cars only
Makes
🢒
Chevrolet
🢒
2000
🢒
Corvette
🢒
Body and Accessories
🢒
Lighting Systems
🢒 Headlights/Daytime Running Lights (DRL) Schematics
Figure
1:
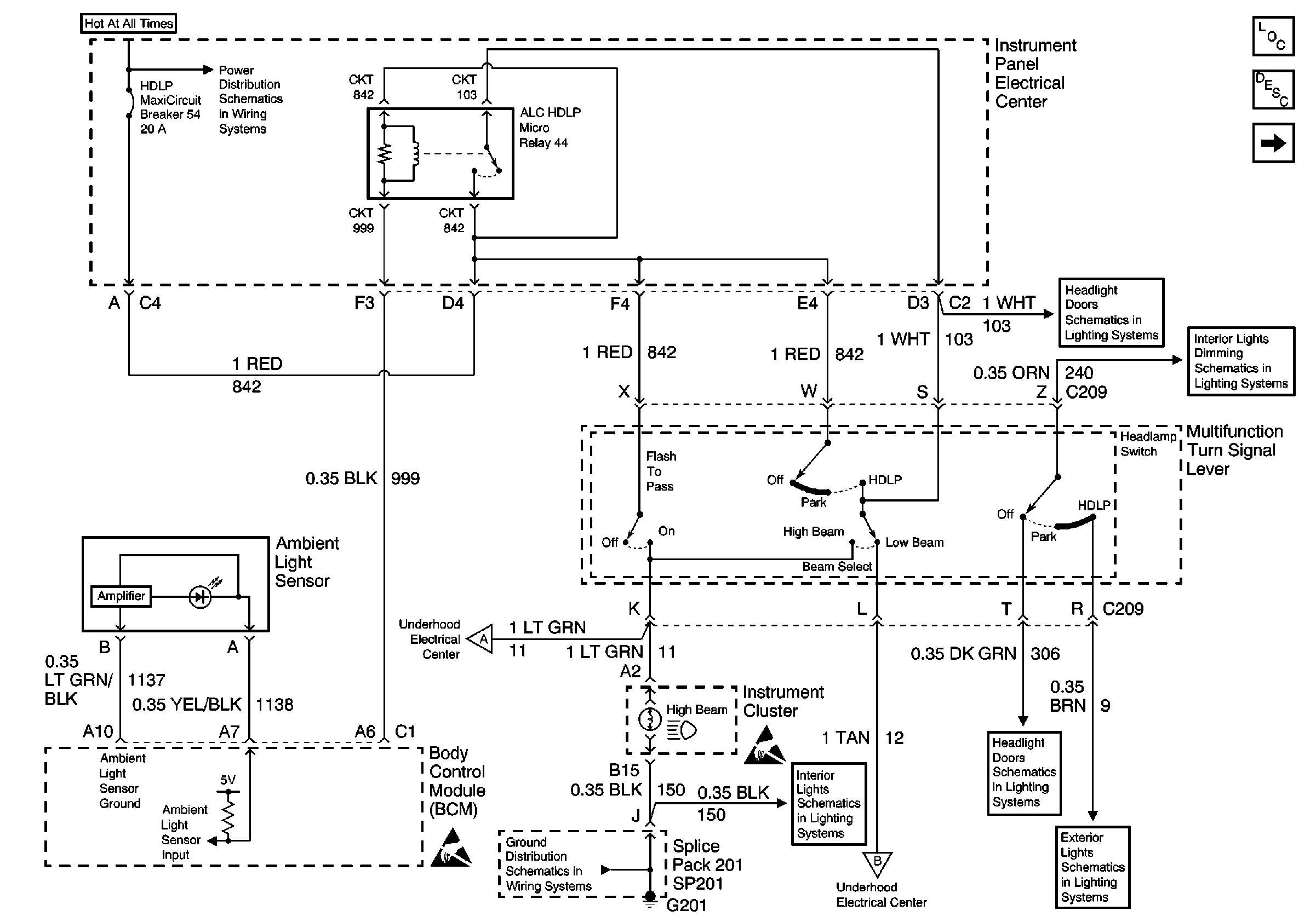
Headlamp Switch and Ambient Light Sensor
Lighting Systems Components
Headlights/Daytime Running Lights (DRL) Circuit Description
High and Low Beams
Power Distribution Schematics
Ground Distribution Schematics
Headlight Doors Schematics
Headlight Doors Schematics
Interior Lights Schematics
Interior Lights Dimming Schematics
Exterior Lights Schematics
Handling ESD Sensitive Parts Notice
Handling ESD Sensitive Parts Notice
High and Low Beams
High and Low Beams
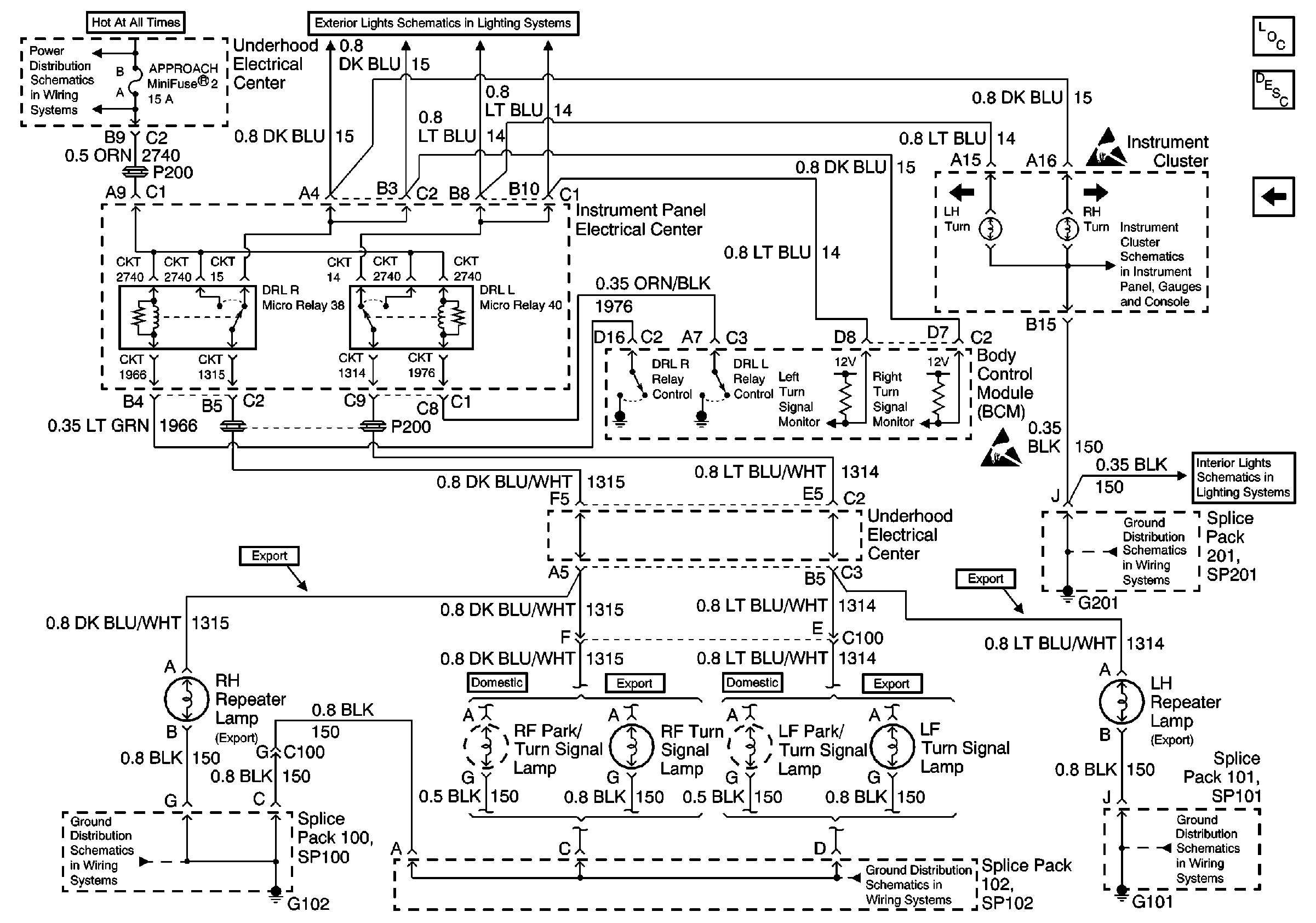
Figure
2:
High and Low Beams
HVAC Components
DRL Domestic and Export
Headlamp Switch and Ambient Light Sensor
Ground Distribution Schematics
Ground Distribution Schematics
Headlamp Switch and Ambient Light Sensor
Figure
3:
DRL Domestic and Export
Lighting Systems Components
Headlights/Daytime Running Lights (DRL) Circuit Description
High and Low Beams
Power Distribution Schematics
Ground Distribution Schematics
Ground Distribution Schematics
Ground Distribution Schematics
Ground Distribution Schematics
Interior Lights Schematics
Exterior Lights Schematics
Instrument Cluster: Analog Schematics
Handling ESD Sensitive Parts Notice
Handling ESD Sensitive Parts Notice