GM Service Manual Online
For 1990-2009 cars only
Makes
🢒
Chevrolet
🢒
2000
🢒
Corvette
🢒 Manual Transmission Controls
Manual Transmission Controls
Manual Transmission Controls
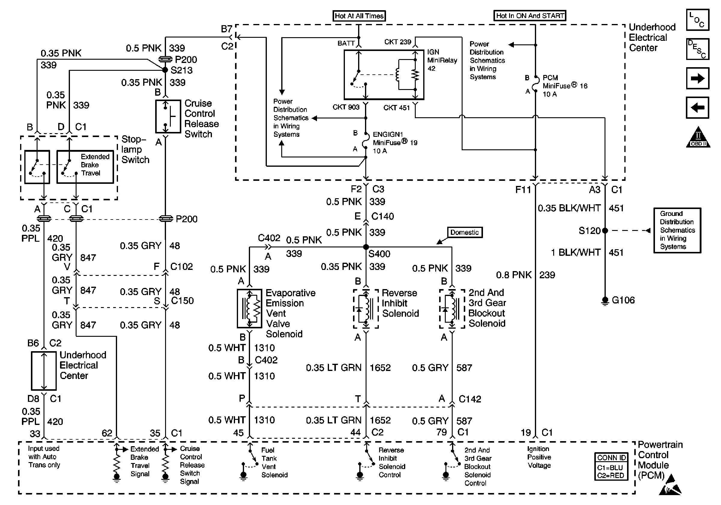
Engine Controls Components
1 to 4 Lamp Control and TFT Sensor (Manual Transmission(Europe))
Evaporative Emissions Vent Valve Solenoid
OBD II Symbol Description Notice
Handling ESD Sensitive Parts Notice
Power Distribution Schematics
Power Distribution Schematics
Ground Distribution Schematics