GM Service Manual Online
For 1990-2009 cars only
Makes
🢒
Chevrolet
🢒
2000
🢒
Corvette
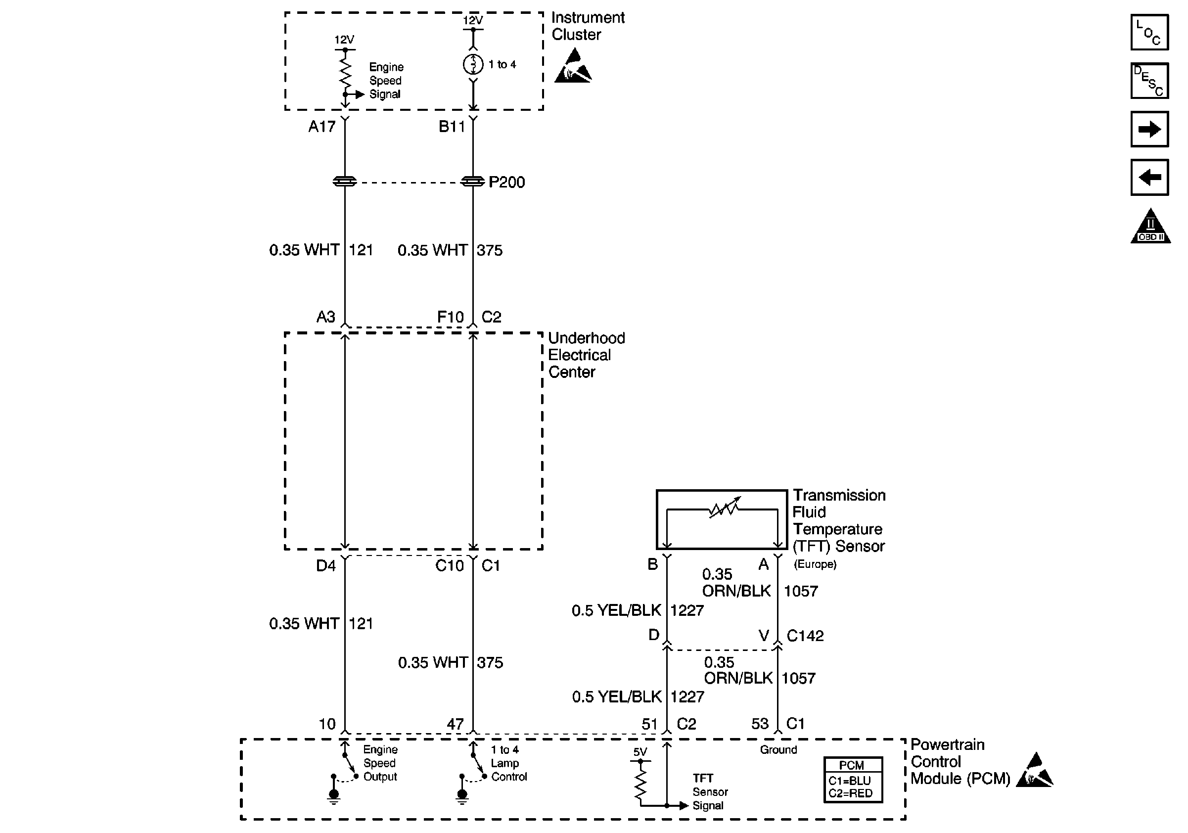
🢒 1 to 4 Lamp Control and TFT Sensor (Manual Transmission(Europe))
1 to 4 Lamp Control and TFT Sensor (Manual Transmission(Europe))
1 to 4 Lamp Control and TFT Sensor (Manual Transmission(Europe))
Engine Controls Components
TCC Switch and Extended Brake Travel Switch
Manual Transmission Controls
OBD II Symbol Description Notice
Handling ESD Sensitive Parts Notice
Handling ESD Sensitive Parts Notice