GM Service Manual Online
For 1990-2009 cars only
Makes
🢒
Chevrolet
🢒
2000
🢒
Corvette
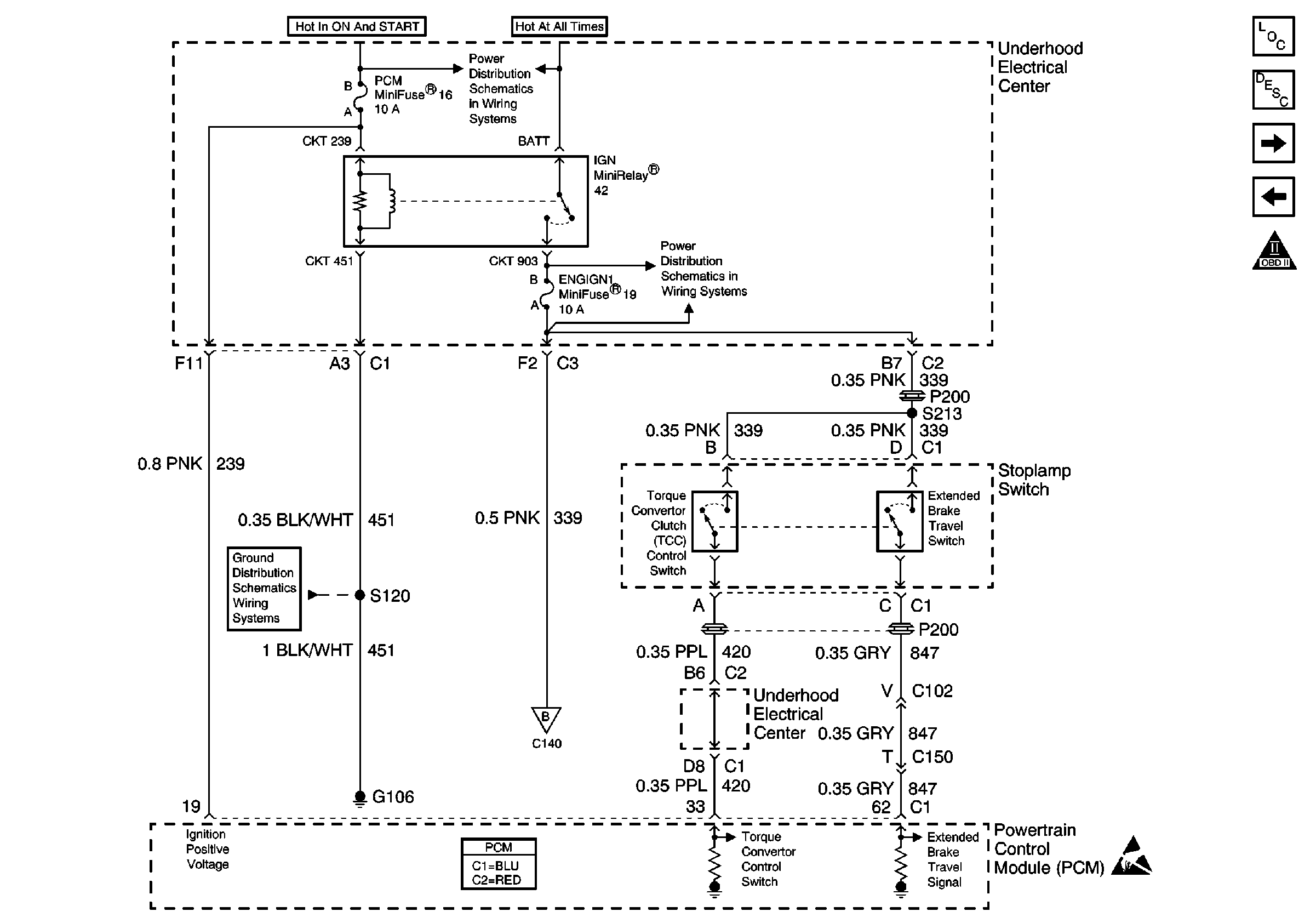
🢒 TCC Switch and Extended Brake Travel Switch
TCC Switch and Extended Brake Travel Switch
TCC Switch and Extended Brake Travel Switch
Engine Controls Components
Automatic Transmission Controls
1 to 4 Lamp Control and TFT Sensor (Manual Transmission(Europe))
OBD II Symbol Description Notice
Handling ESD Sensitive Parts Notice
Power Distribution Schematics
Power Distribution Schematics
Ground Distribution Schematics
Automatic Transmission Controls