GM Service Manual Online
For 1990-2009 cars only
Makes
🢒
Chevrolet
🢒
2000
🢒
Corvette
🢒 Miscellaneous Dimming Control
Miscellaneous Dimming Control
Miscellaneous Dimming Control
Lighting Systems Components
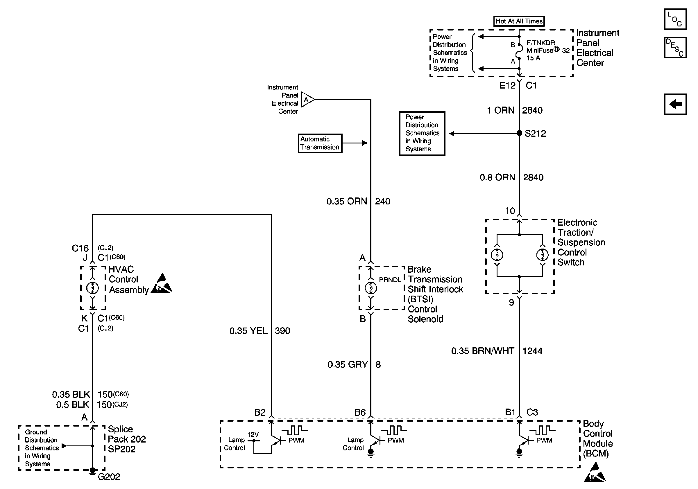
Interior Lights Dimming Circuit Description
ALC PRK LP Relay
Power Distribution Schematics
Power Distribution Schematics
Ground Distribution Schematics
Handling ESD Sensitive Parts Notice
Handling ESD Sensitive Parts Notice
ALC PRK LP Relay