GM Service Manual Online
For 1990-2009 cars only
Makes
🢒
Chevrolet
🢒
2004
🢒
Corvette
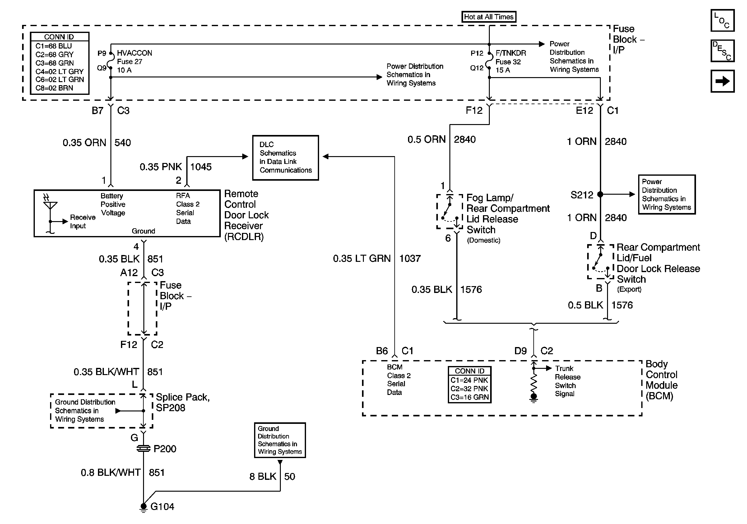
🢒 Remote Control Door Lock Receiver (RCDLR) and Rear Compartment Lid Release Request
Remote Control Door Lock Receiver (RCDLR) and Rear Compartment Lid Release Request
Remote Control Door Lock Receiver and Rear Compartment Lid Release Request
Master Electrical Component List
Luggage Compartment Description and Operation
Rear Compartment Lid Release Control and Rear Compartment Lid Ajar Switch (Hardtop/Convertible)
G104
Star Connectors
G104
Fuse Block-I/P Bussing (1 of 2)
Fuse Block-I/P Bussing (1 of 2)
Fuse Block-I/P Fuses 32, 26, 52 and Relay 39