GM Service Manual Online
For 1990-2009 cars only
Makes
🢒
Chevrolet
🢒
2004
🢒
Corvette
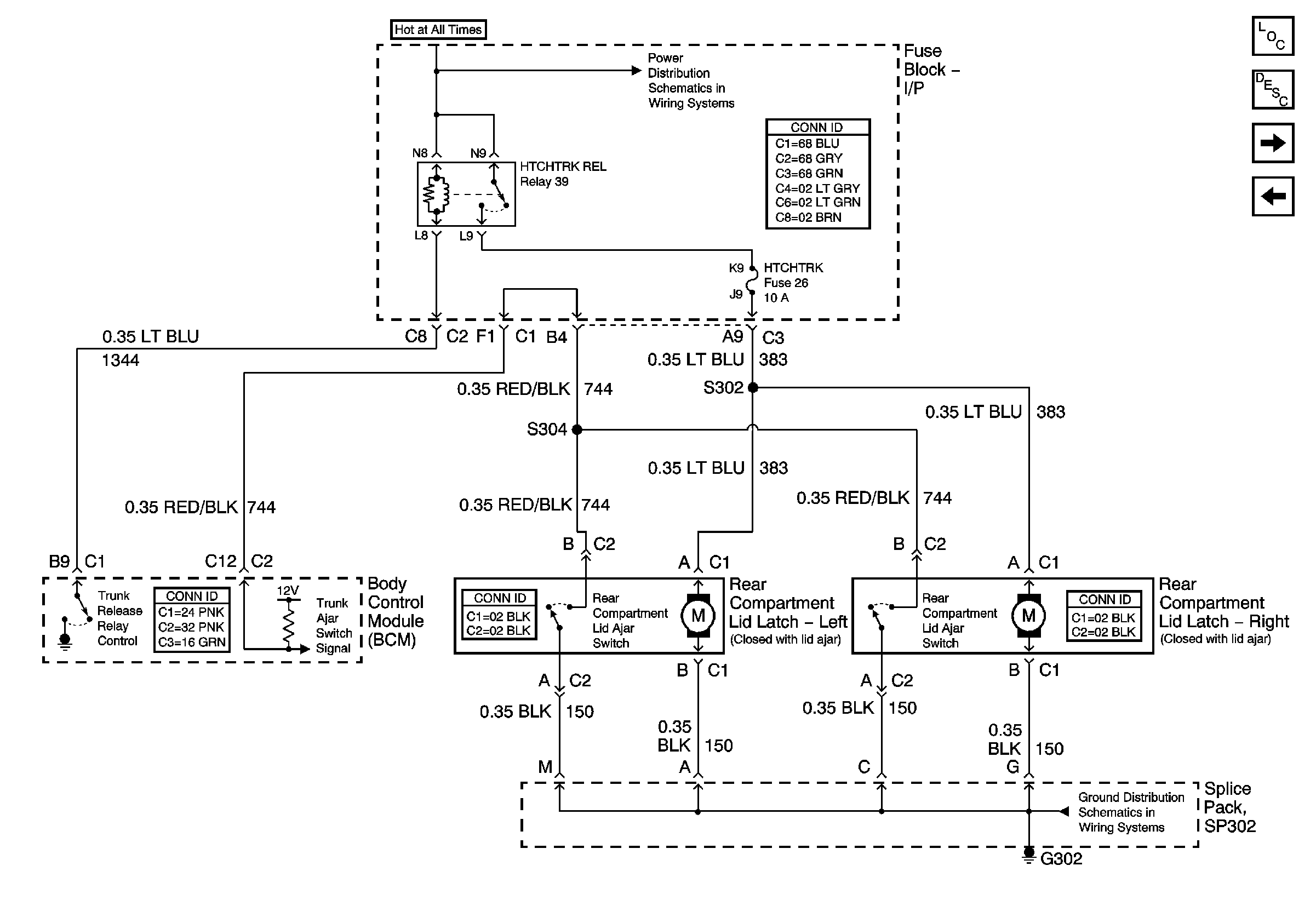
🢒 Rear Compartment Lid Release Control and Rear Compartment Lid Ajar Switch (Coupe)
Rear Compartment Lid Release Control and Rear Compartment Lid Ajar Switch (Coupe)
Rear Compartment Lid Release Control and Rear Compartment Lid Ajar Switch (Coupe)
Master Electrical Component List
Luggage Compartment Description and Operation
Folding Top Control
Rear Compartment Lid Release Control and Rear Compartment Lid Ajar Switch (Hardtop/Convertible)
Fuse Block-I/P Bussing (1 of 2)
G301, G402 and G30