GM Service Manual Online
For 1990-2009 cars only
Makes
🢒
Chevrolet
🢒
2004
🢒
Corvette
🢒 Folding Top Control
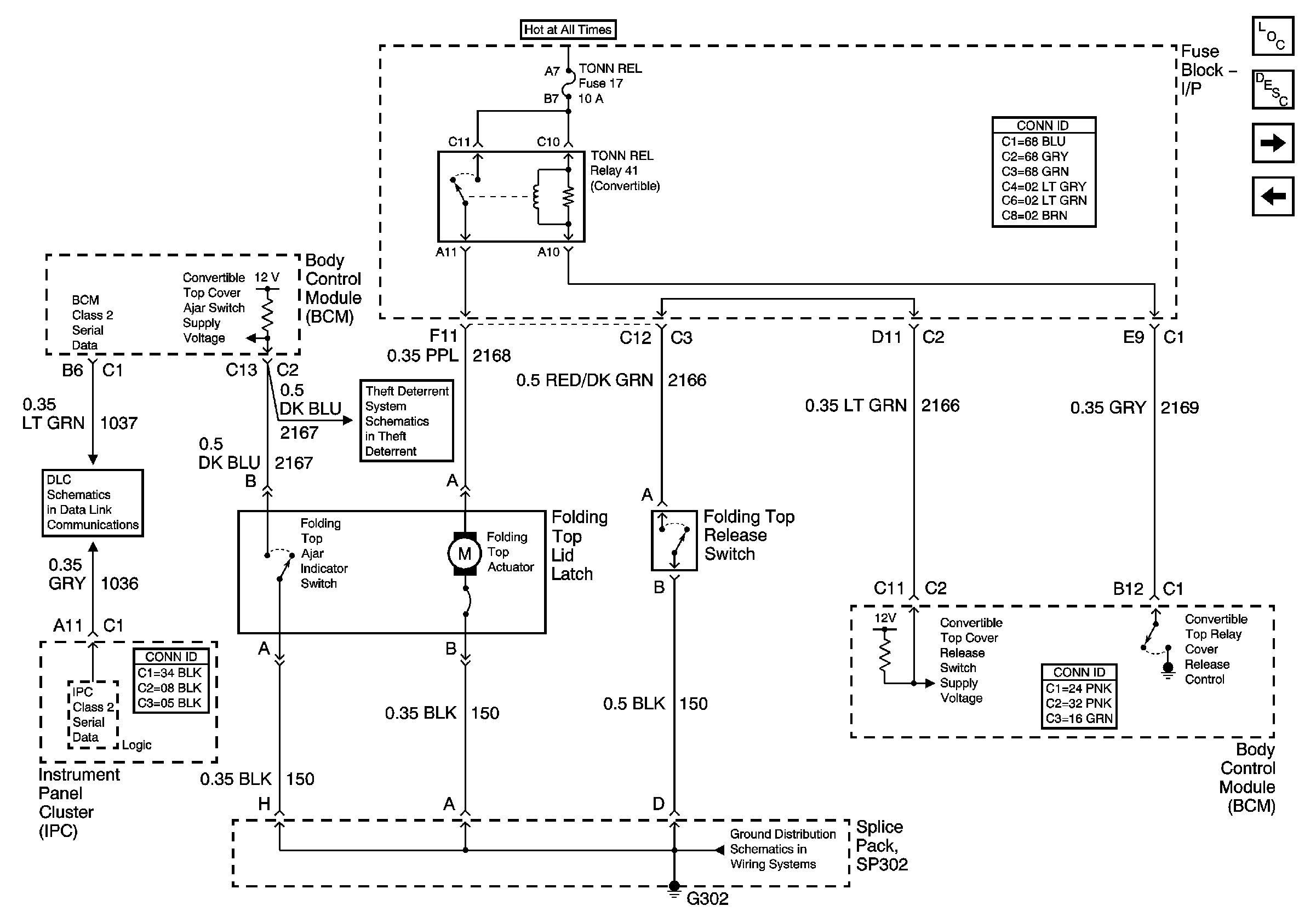
Folding Top Control
Folding Top Control
Master Electrical Component List
Folding Top Cover Description and Operation
Fuel Tank Filler Door Release
Rear Compartment Lid Release Control and Rear Compartment Lid Ajar Switch (Coupe)
Star Connectors
Hood Ajar Switch Signal and Folding Top Lid Latch Supply Voltage
G301, G402 and G30