GM Service Manual Online
For 1990-2009 cars only
Figure 1:

Blower Controls, DLC, Ground, Power, and Subsystem References


Object Number: 1771819  Size: FS
Master Electrical Component List
Air Delivery Description and Operation
Control Module References
Compressor Controls
Fuse Block - Underhood ABS, AMP, BATT2, COOLFAN, ECM/TCM/EASY KEY, HORN/ALT SENSE, HVAC, and MRRTD Fuses
BCM Fuses: CLSTR/HUD, CRUISE SWTCH, CTSY/LAMP, DR LCK, EXH MDL, HVAC/PWR SND, ISRVM/HVAC and RUN CRNK Relay
BCM Fuses: CLSTR/HUD, CRUISE SWTCH, CTSY/LAMP, DR LCK, EXH MDL, HVAC/PWR SND, ISRVM/HVAC and RUN CRNK Relay
Defogger Schematics
Driver Heated Seat (KA1)
Passenger Heated Seat (KA1)
G202, 1 of 2
Class 2
Figure 2:

Compressor Controls


Object Number: 1771826  Size: FS
Master Electrical Component List
Air Delivery Description and Operation
Control Module References
Temperature Controls
Blower Controls, DLC, Ground, Power and Subsystem References
Fuse Block - Underhood A/C COMP, EMISSION, EVEN INJ, MAN TRAN SOL, O2 SEN, ODD INJ, and PT INPUT/ETC Fuses, A/C COMP and POWERTRAIN IGN1, Relays
Class 2
GMLAN - A/T
GMLAN - M/T
G102
Figure 3:

Temperature Sensors


Object Number: 1771828  Size: FS
Master Electrical Component List
Air Delivery Description and Operation
Control Module References
Actuators
Compressor Controls
BCM Fuses: CLSTR/HUD, CRUISE SWTCH, CTSY/LAMP, DR LCK, EXH MDL, HVAC/PWR SND, ISRVM/HVAC and RUN CRNK Relay
Headlamp/DRL Controls
BCM Fuses: CLSTR/HUD, CRUISE SWTCH, CTSY/LAMP, DR LCK, EXH MDL, HVAC/PWR SND, ISRVM/HVAC and RUN CRNK Relay
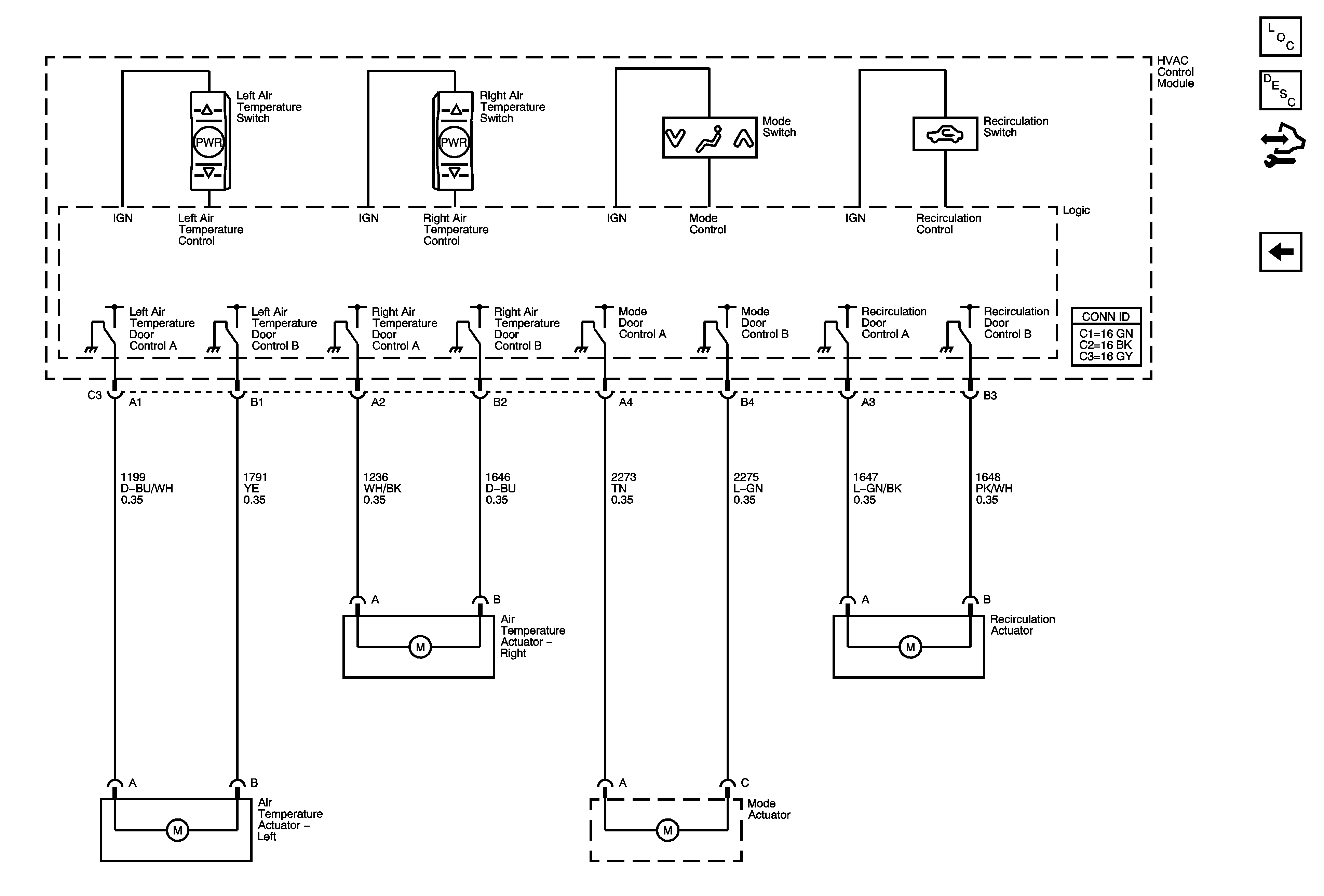
Figure 4:

Actuators


Object Number: 1771833  Size: FS
Master Electrical Component List
Air Delivery Description and Operation
Control Module References
Temperature Controls