GM Service Manual Online
For 1990-2009 cars only
Figure 1:

Blower Controls Automatic


Object Number: 1257052  Size: FS
Master Electrical Component List
Underhood Fuse Block - HVAC, BLWR, S/ROOF, and PWR SEAT Fuses
Underhood Fuse Block - IGN2 Fuse, Ignition Switch, I/P Fuse Block - AUTO A/C BCM, HVAC EPS, ABS and HTD MIR Fuses
G201, G202
IP Illumination
Figure 2:

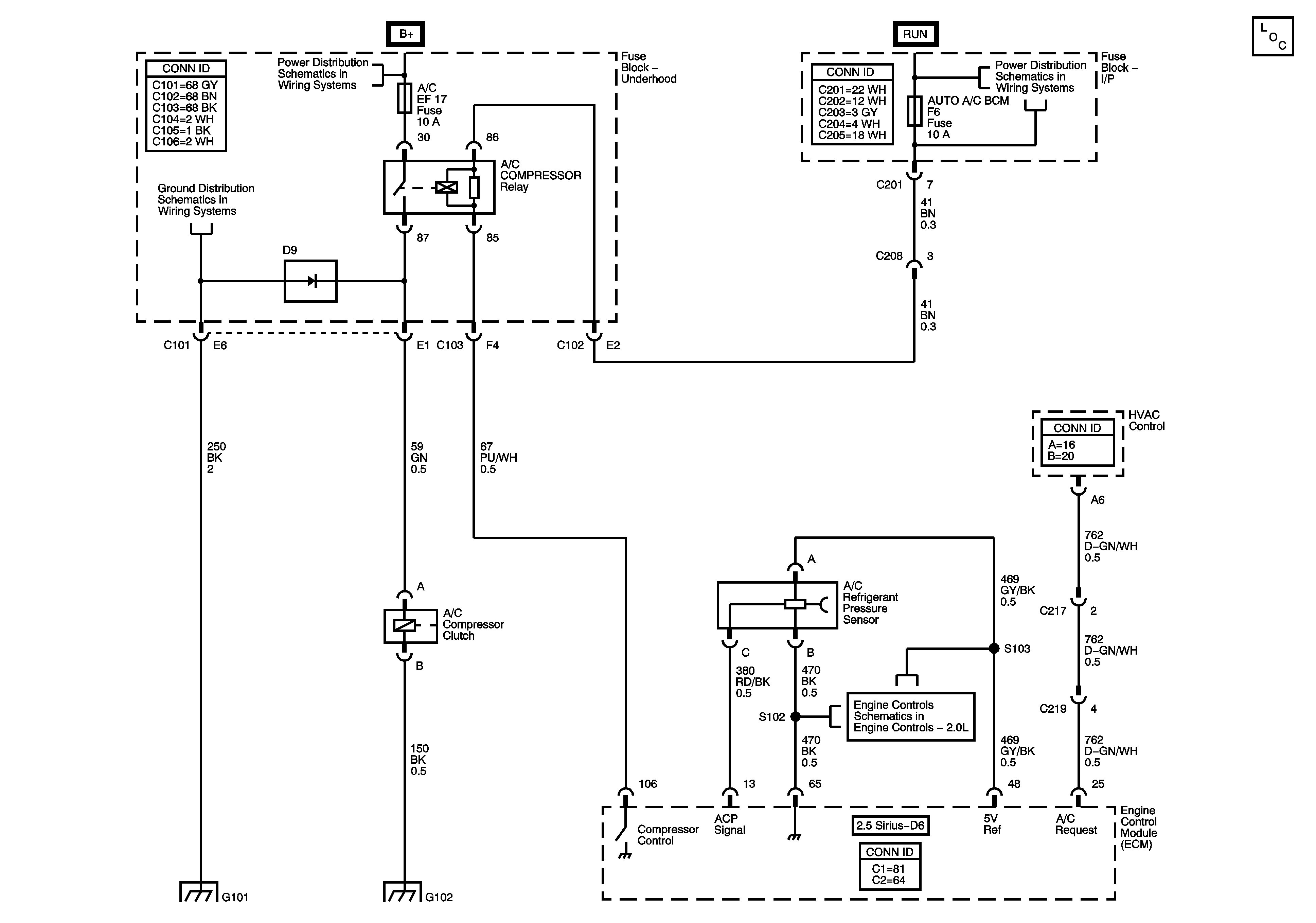
Compressor Controls (2.5L Sirius D6)


Object Number: 1461124  Size: FS
Master Electrical Component List
Underhood Fuse Block - A/C and IP Fuse BATT, I/P Fuse Block - RADIO CRUISE, AUTO HVAC CLSTR, and DLC Fuses
Underhood Fuse Block - IGN2 Fuse, Ignition Switch, I/P Fuse Block - AUTO A/C BCM, HVAC EPS, ABS and HTD MIR Fuses
G101
Engine Data Sensors - Pressure and Temperature, Vehicle Speed Sensor (VSS), Mass Air Flow (MAF)
Figure 3:

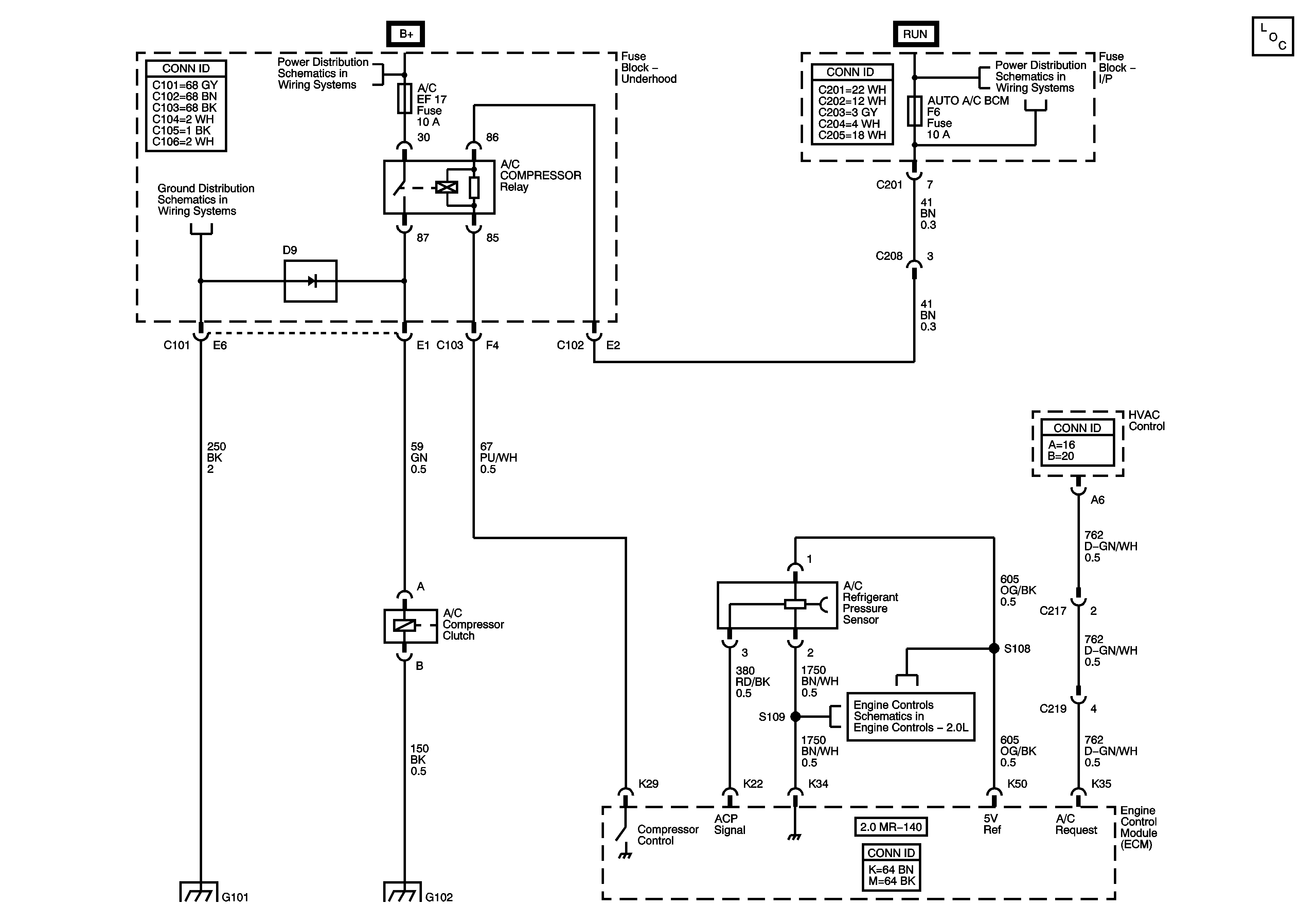
Compressor Controls (2.0L MR-140)


Object Number: 1461125  Size: FS
Master Electrical Component List
Underhood Fuse Block - A/C and IP Fuse BATT, I/P Fuse Block - RADIO CRUISE, AUTO HVAC CLSTR, and DLC Fuses
Underhood Fuse Block - IGN2 Fuse, Ignition Switch, I/P Fuse Block - AUTO A/C BCM, HVAC EPS, ABS and HTD MIR Fuses
G101
Engine Data Sensors - Pressure and Temperature
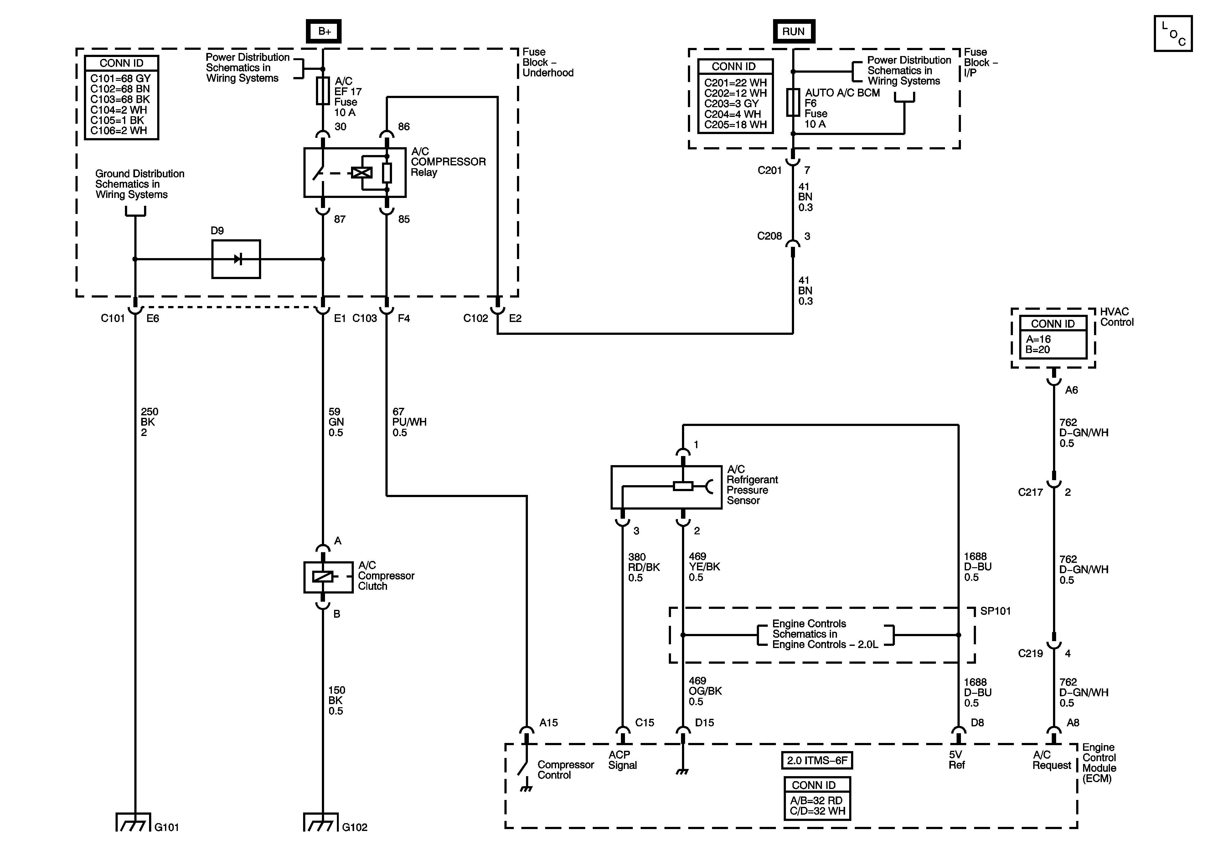
Figure 4:

Compressor Controls (2.0L ITMS-6F)


Object Number: 1461126  Size: FS
Master Electrical Component List
Underhood Fuse Block - A/C and IP Fuse BATT, I/P Fuse Block - RADIO CRUISE, AUTO HVAC CLSTR, and DLC Fuses
Underhood Fuse Block - IGN2 Fuse, Ignition Switch, I/P Fuse Block - AUTO A/C BCM, HVAC EPS, ABS and HTD MIR Fuses
G101
Engine Data Sensors - Pressure and Temperature
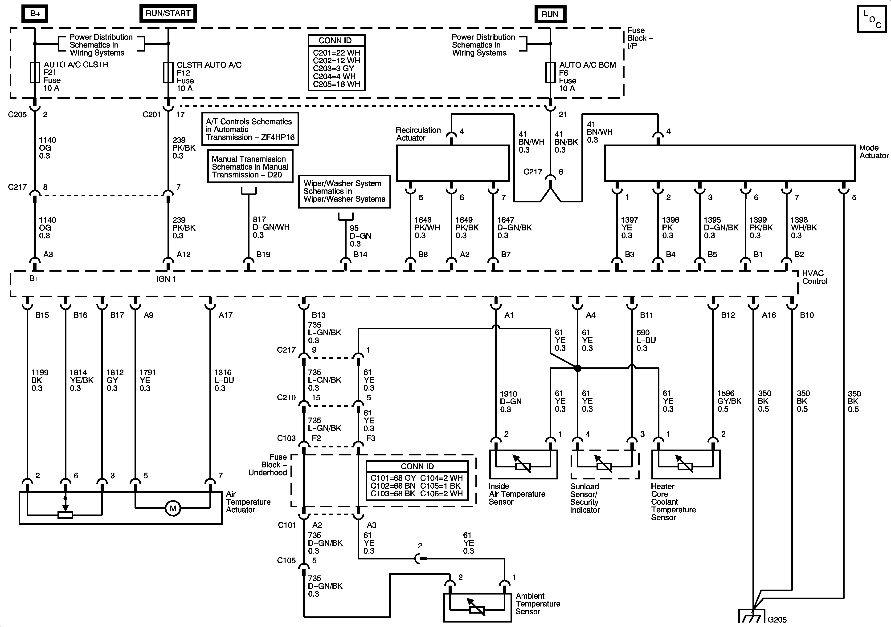
Figure 5:

Air Delivery and Temperature Controls


Object Number: 1257051  Size: FS
Master Electrical Component List
Underhood Fuse Block - A/C and IP Fuse BATT, I/P Fuse Block - RADIO CRUISE, AUTO HVAC CLSTR, and DLC Fuses
Underhood Fuse Block - IGN2 Fuse, Ignition Switch, I/P Fuse Block - AUTO A/C BCM, HVAC EPS, ABS and HTD MIR Fuses
Power, Ground, Hold Switch and DLC
Vehicle Speed Sensor (VSS) - European Emissions
Wiper/Washer