GM Service Manual Online
For 1990-2009 cars only
Makes
🢒
Chevrolet
🢒
2004
🢒
Epica
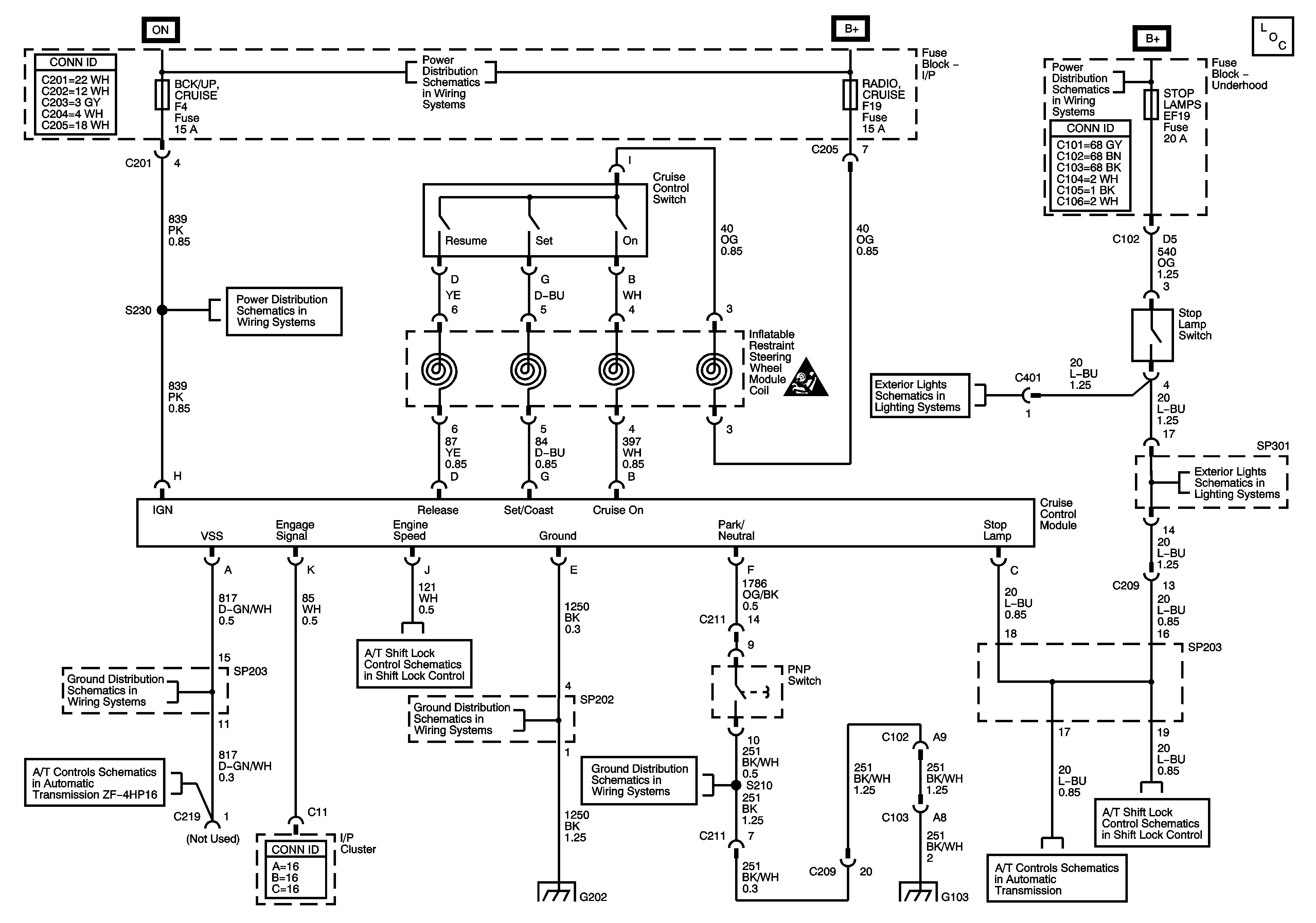
🢒 Cruise Control
Cruise Control
Master Electrical Component List
Cruise Control Schematic Icons
Underhood Fuse Block - IGN1 Fuse, Ignition Switch, I/P Fuse Block - LTR, HTD SEAT, CLK, RADIO, AIR BAG, BCK/UP CRUISE, and ECM Fuses
Underhood Fuse Block - STOP LAMPS, HI BEAM PASSING, and ECM Fuses
Underhood Fuse Block - IGN1 Fuse, Ignition Switch, I/P Fuse Block - LTR, HTD SEAT, CLK, RADIO, AIR BAG, BCK/UP CRUISE, and ECM Fuses
Stop Lamps
Stop Lamps
G203
Park/Neutral Position (PNP) Switch
Automatic Transmission Shift Lock Control - 2.0L
G201, G202
G103 (MR-140)
Automatic Transmission Shift Lock Control - 2.0L
Power, Ground, Hold Switch and DLC