GM Service Manual Online
For 1990-2009 cars only
Makes
🢒
Chevrolet
🢒
2004
🢒
Epica
🢒 Fuel Controls - Fuel Pump Controls and Fuel Injectors
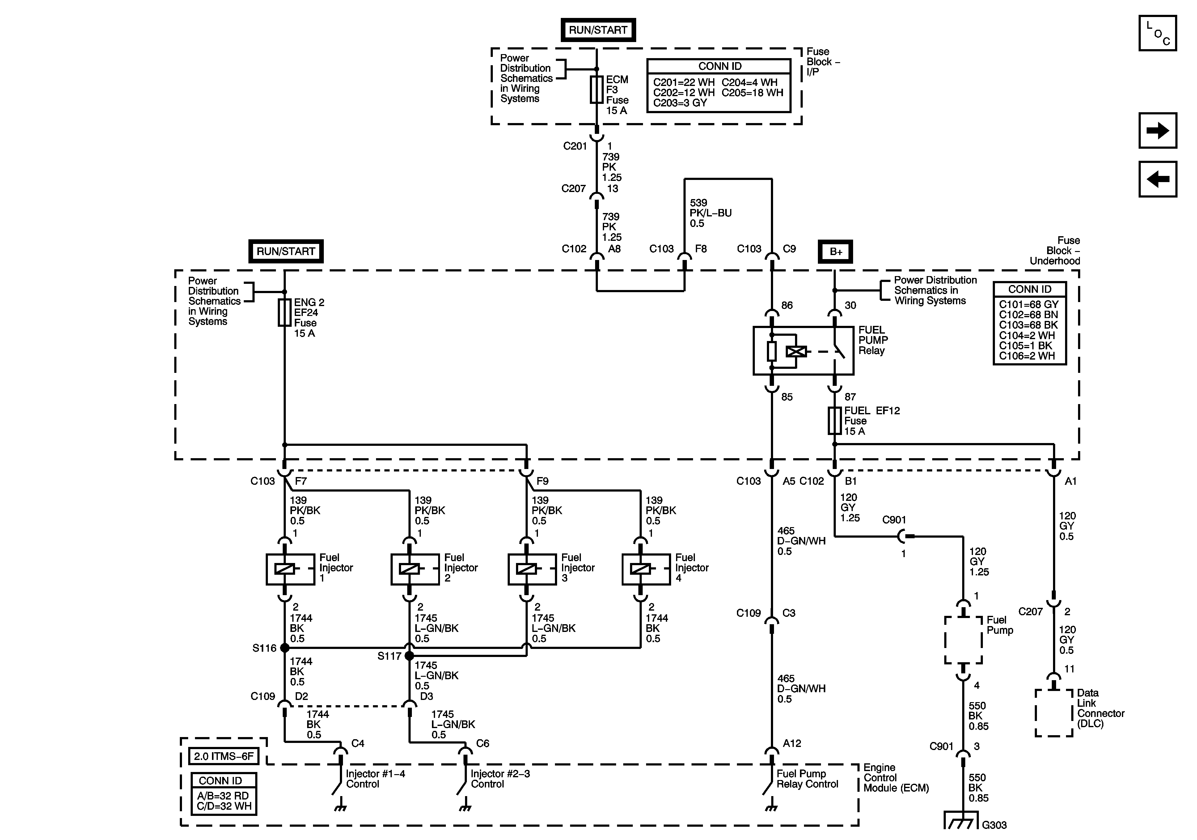
Fuel Controls - Fuel Pump Controls and Fuel Injectors
Fuel Controls - Fuel Pump Controls and Fuel Injectors
Master Electrical Component List
EVAP and Device Controls
Ignition Controls - Sensors
Underhood Fuse Block - IGN1 Fuse, Ignition Switch, I/P Fuse Block - LTR, HTD SEAT, CLK, RADIO, AIR BAG, BCK/UP CRUISE, and ECM Fuses
Underhood Fuse Block (2.0L) - ENG MAIN Relay and ENG2 Fuse
Underhood Fuse Block - Battery Feeds