GM Service Manual Online
For 1990-2009 cars only
Makes
🢒
Chevrolet
🢒
2006
🢒
Epica
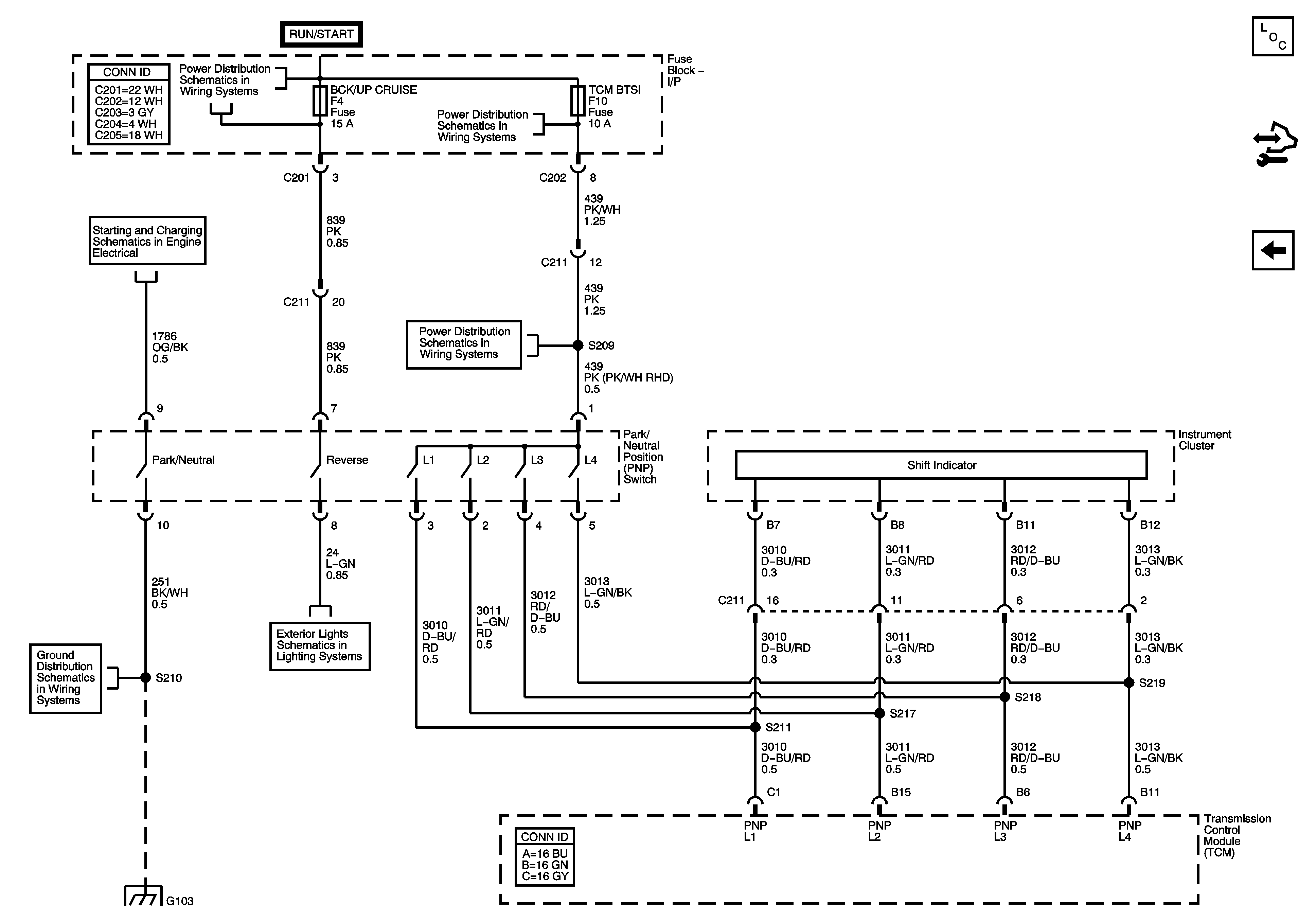
🢒 Park/Neutral Position Switch
Park/Neutral Position Switch
Park/Neutral Position (PNP) Switch
Master Electrical Component List
Vehicle Speed Signal
IGN 1, Fuse, Ignition Switch, I/P Fuse Block, - LTR, HTD SEAT, CLK, RADIO, AIR BAG, BCK/UP, CRUISE, ECM Fuses
WPR, TCM BTSI, BCM ABS, CLSTR AUTO A/C, WSWA Fuses
Starting System
WPR, TCM BTSI, BCM ABS, CLSTR AUTO A/C, WSWA Fuses
G103 (2.0L MR140)
Backup Lamps
G103 (2.0L MR140)