GM Service Manual Online
For 1990-2009 cars only
Makes
🢒
Chevrolet
🢒
2006
🢒
Epica
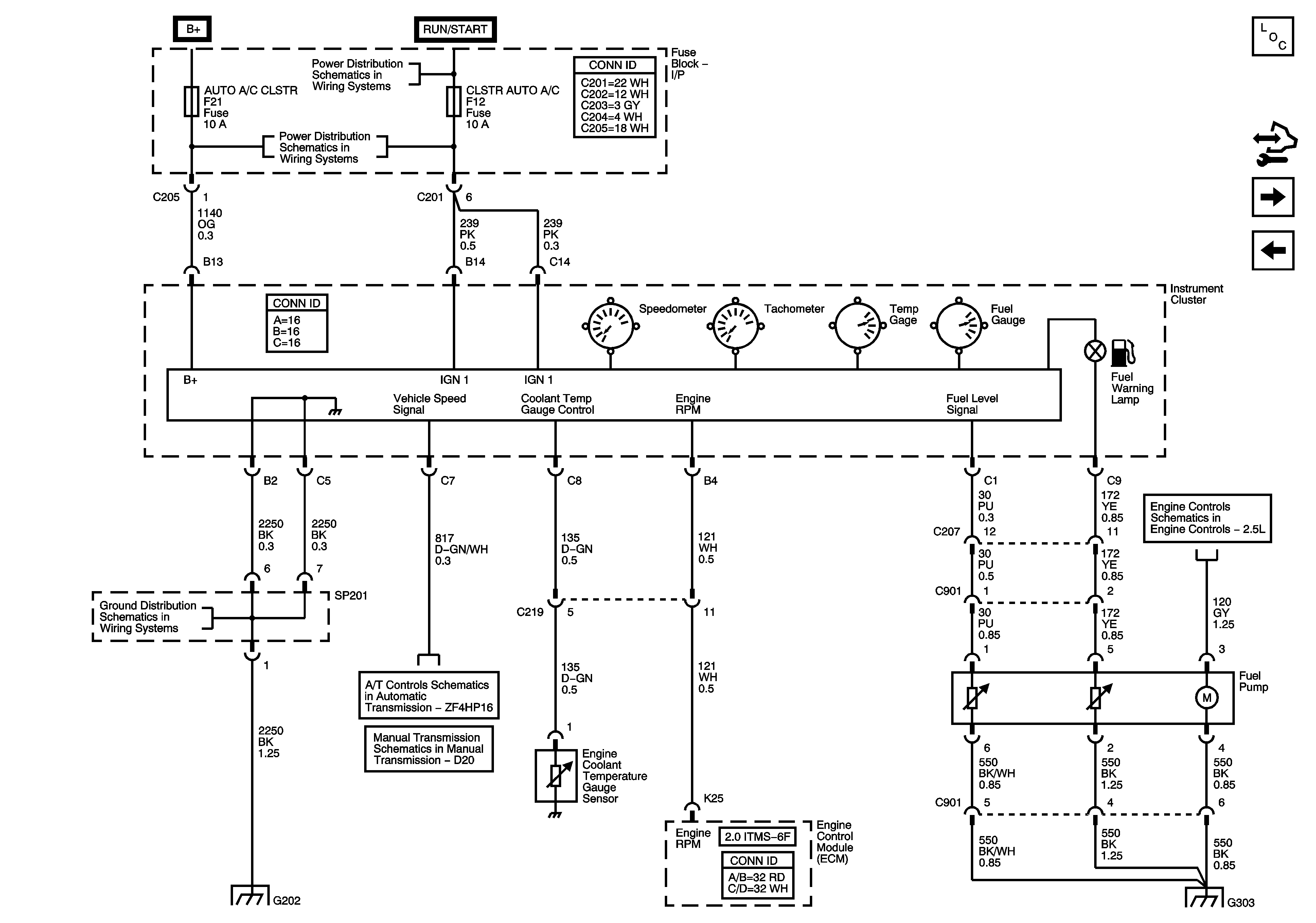
🢒 Power, Ground and Gages 2.0L ITMS-6F
Power, Ground and Gages 2.0L ITMS-6F
Power, Ground, and Gages (2.0L ITMS-6F)
Master Electrical Component List
MIL, Speed Sensitive Steering, Hold Mode, PRNDL Indicators, Odometer Switch
WPR, TCM BTSI, BCM ABS, CLSTR AUTO A/C, WSWA Fuses
A/C, IP BATT Fuses, I/P Fuse Block, RADIO, CRUISE, AUTO A/C CLSTR, DLC Fuses
G201, G202, SP203
Transmission Control Module (TCM) Power, Ground, Serial Data, Hold Mode Indicator Control
Manual Transmission - 2.0L MR 140
CKP, Knock Sensors
G202, SP201
G303