GM Service Manual Online
For 1990-2009 cars only
Makes
🢒
Chevrolet
🢒
2006
🢒
Epica
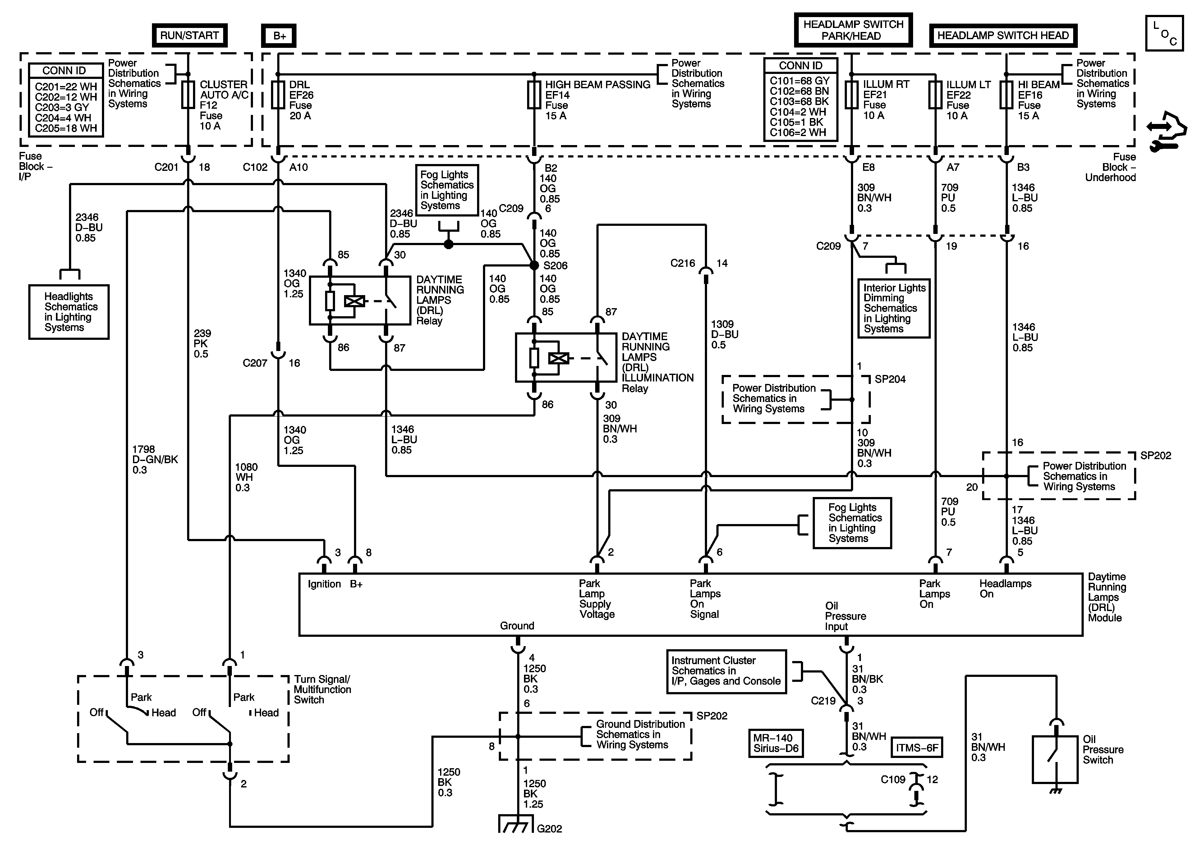
🢒 Daytime Running Lamps (DRL) (Scandinavia)
Daytime Running Lamps (DRL) (Scandinavia)
Daytime Running Lights (DRL) (Scandinavia)
Master Electrical Component List
WPR, TCM BTSI, BCM ABS, CLSTR AUTO A/C, WSWA Fuses
HEADLAMP Relay, LOW BEAM LT, LOW BEAM RT, DRL, CLSTR AUTO A/C Fuses
STOP LAMPS, HI BEAM PASSING, ECM Fuses
Headlights Schematics
Front Fog Lamps
05 Holden-Console Lamp and Switch
STOP LAMPS, HI BEAM PASSING, ECM Fuses
Front Fog Lamps
Automatic Transmission Shift Lock Control 2.0L
G201, G202, SP203
G201, G202, SP203