GM Service Manual Online
For 1990-2009 cars only
Makes
🢒
Chevrolet
🢒
2006
🢒
Epica
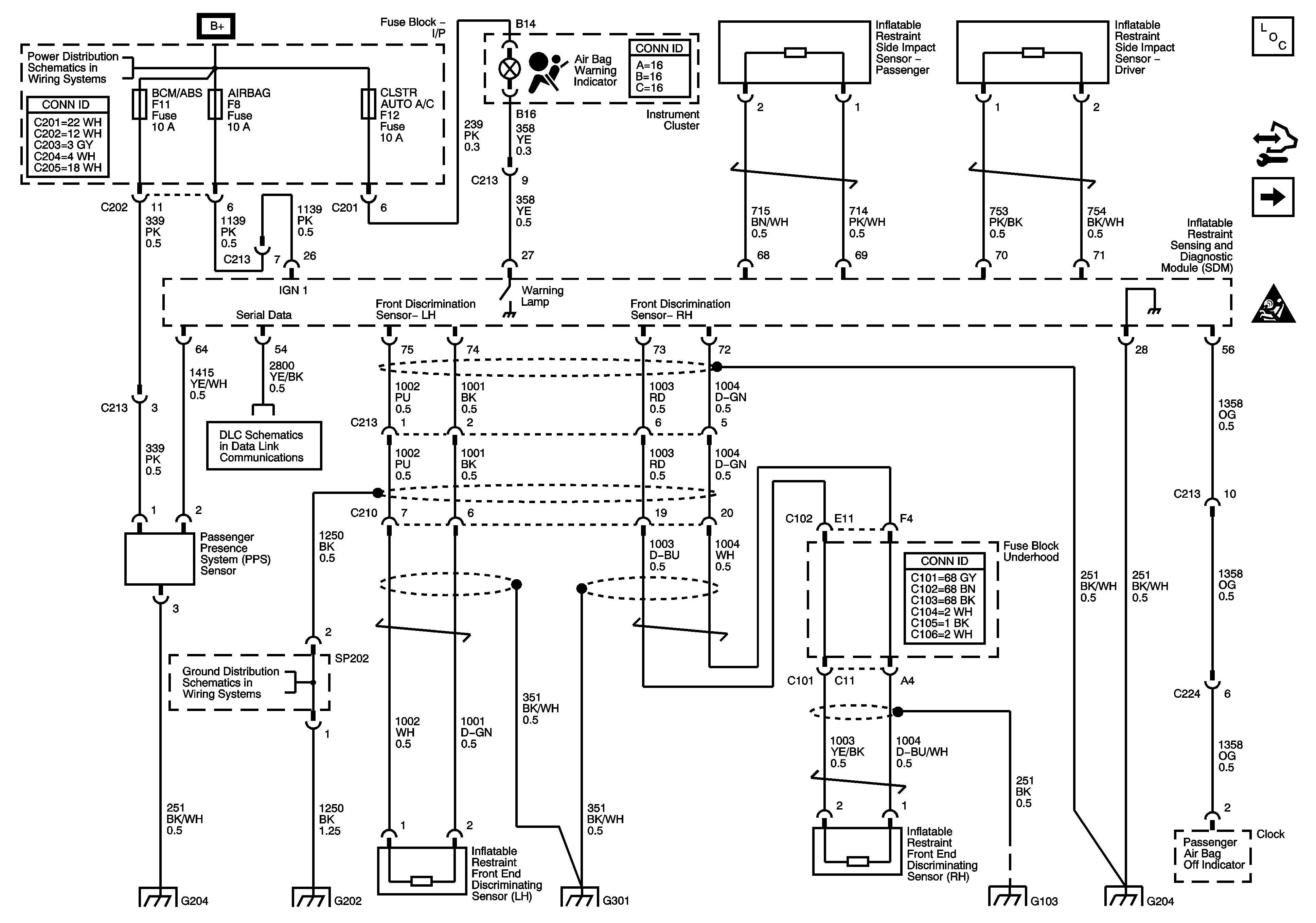
🢒 Power, Ground, Impact Sensors, Passenger Presence System
Power, Ground, Impact Sensors, Passenger Presence System
Power, Ground, Impact Sensors, Passenger Presence System
Master Electrical Component List
Airbag and Pretensioner Deployment Loops
SIR Schematic Icons
IGN 1, Fuse, Ignition Switch, I/P Fuse Block, - LTR, HTD SEAT, CLK, RADIO, AIR BAG, BCK/UP, CRUISE, ECM Fuses
DLC Schematics
G202, SP202
G204
G202, SP202
G301
G204
G103 and G104 (2.0L ITMS-6F)