GM Service Manual Online
For 1990-2009 cars only
Makes
🢒
Chevrolet
🢒
2007
🢒
Epica
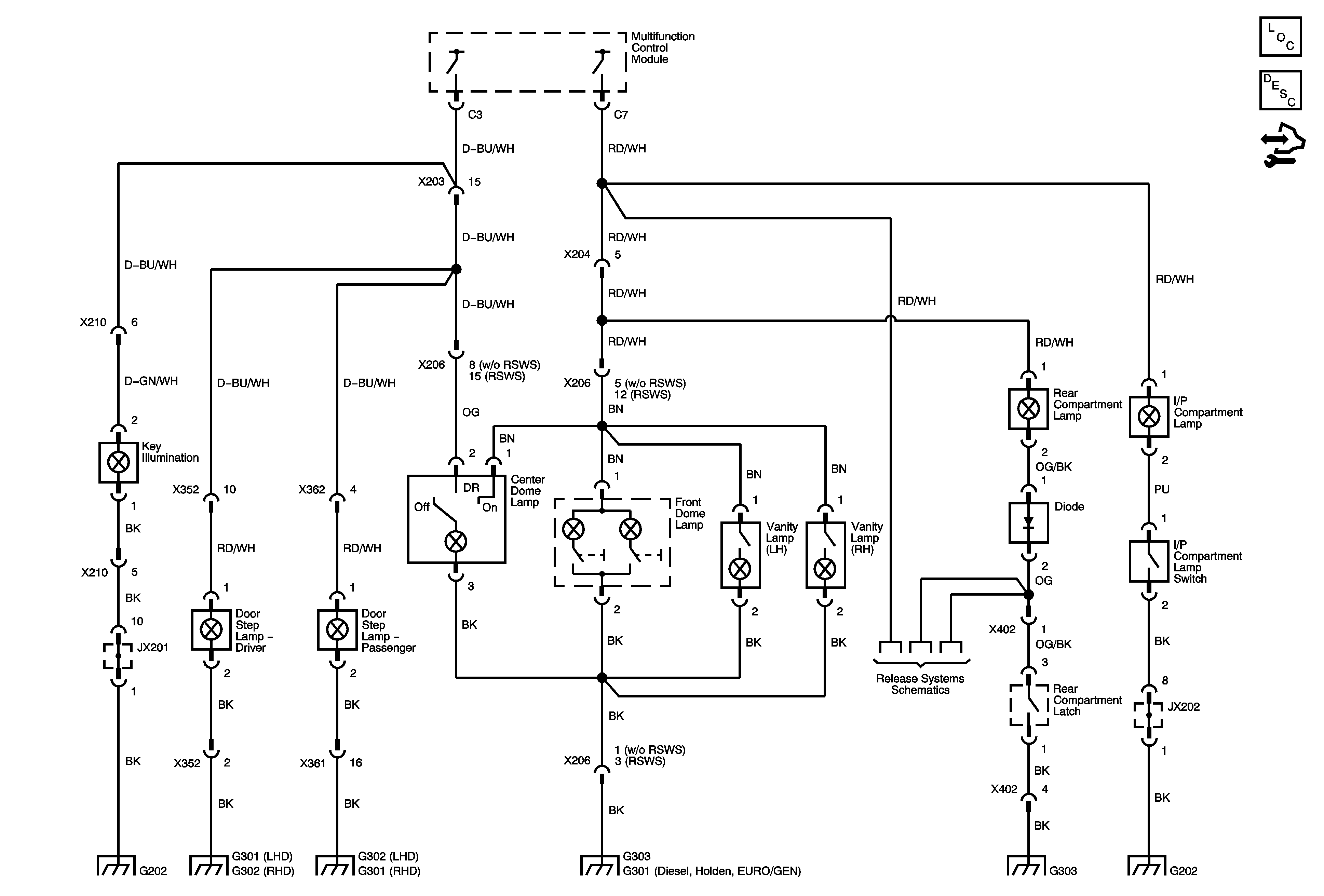
🢒 Courtesy Lamps
Courtesy Lamps
Courtesy Lamps
Master Electrical Component List
Interior Lighting Systems Description and Operation
Control Module References
Release Systems Schematics
G202 (1 of 2)
G301
G302
G302
G301
G303
G301
G303
G202 (1 of 2)