GM Service Manual Online
For 1990-2009 cars only
Makes
🢒
Chevrolet
🢒
2007
🢒
Epica
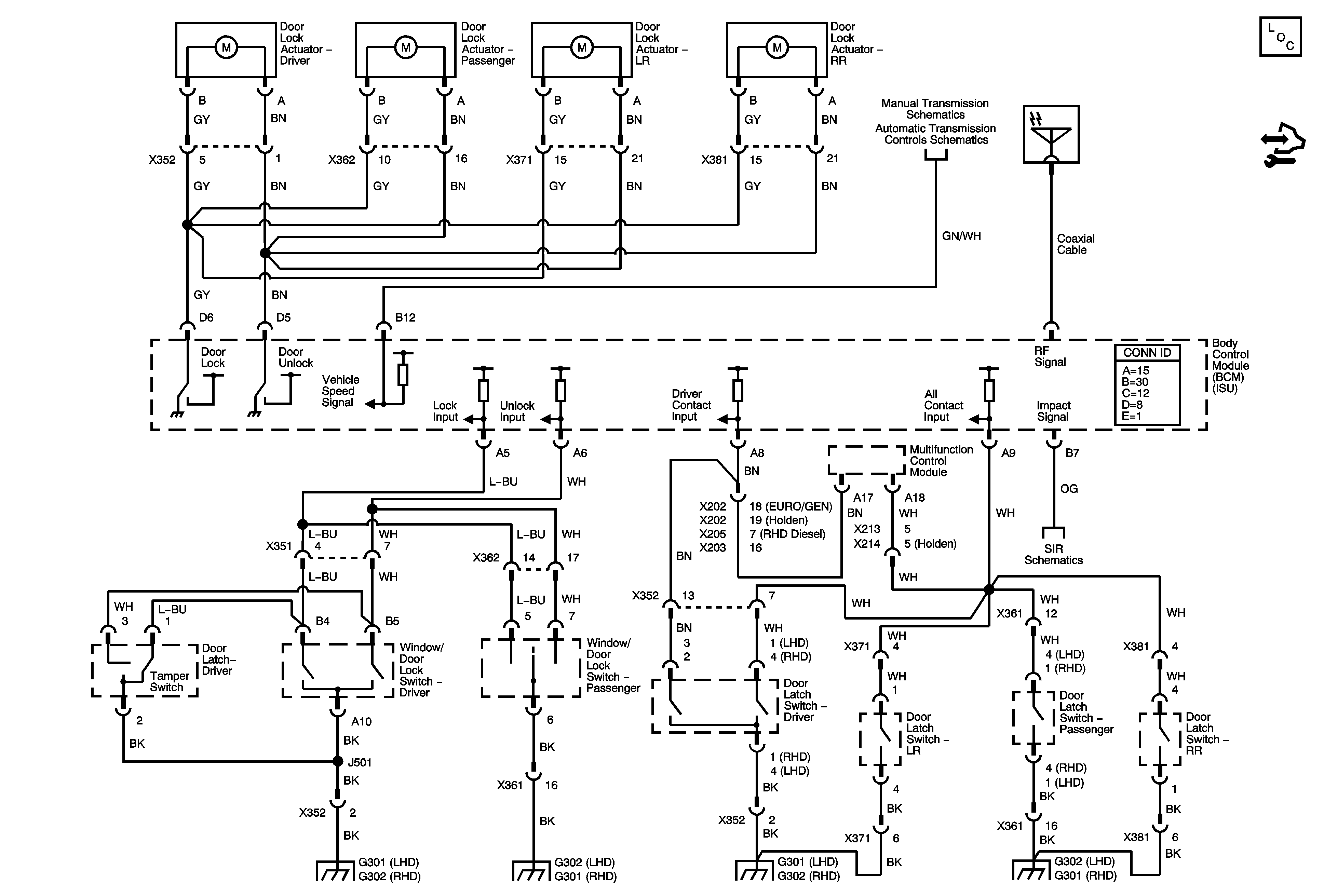
🢒 Door Lock Schematics
Door Lock Schematics
Master Electrical Component List
Control Module References
Manual Transmission Schematics - 2.0L MR-140
Transmission Control Module (TCM) Power, Ground, Serial Data, Hold Mode Indicator Control
G301
G302
G302
G301
G301
G302
G302
G301