GM Service Manual Online
For 1990-2009 cars only
Makes
🢒
Chevrolet
🢒
2007
🢒
Epica
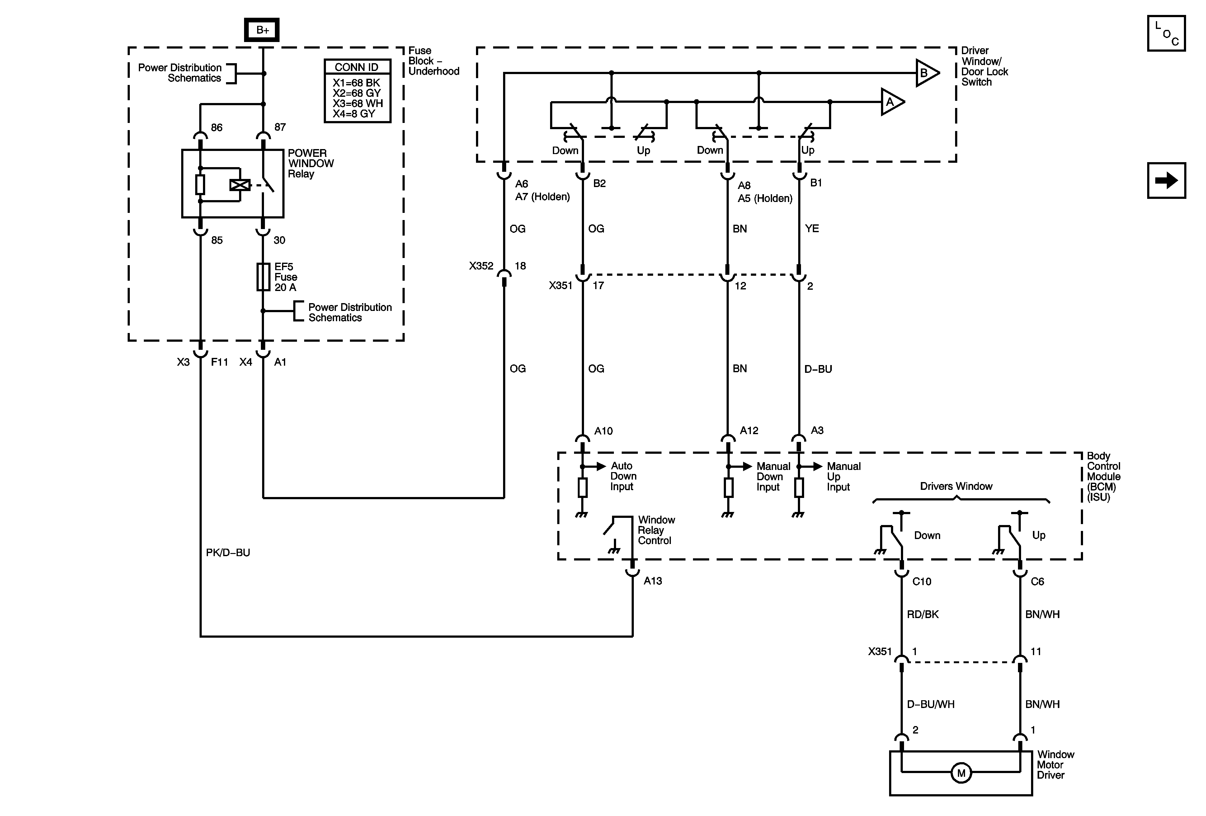
🢒 Driver Window Switch, Motor
Driver Window Switch, Motor
Driver Window Switch, Motor
Master Electrical Component List
Driver Window Switch, Motor (Safety Function)
Alternator, EF1, EF3, EF5, EF18, EF19, EF27, EF30, EF33 Fuses
Passenger, Rear Window Switches, Motor
Passenger, Rear Window Switches, Motor
Alternator, EF1, EF3, EF5, EF18, EF19, EF27, EF30, EF33 Fuses