GM Service Manual Online
For 1990-2009 cars only
Makes
🢒
Chevrolet
🢒
2007
🢒
Epica
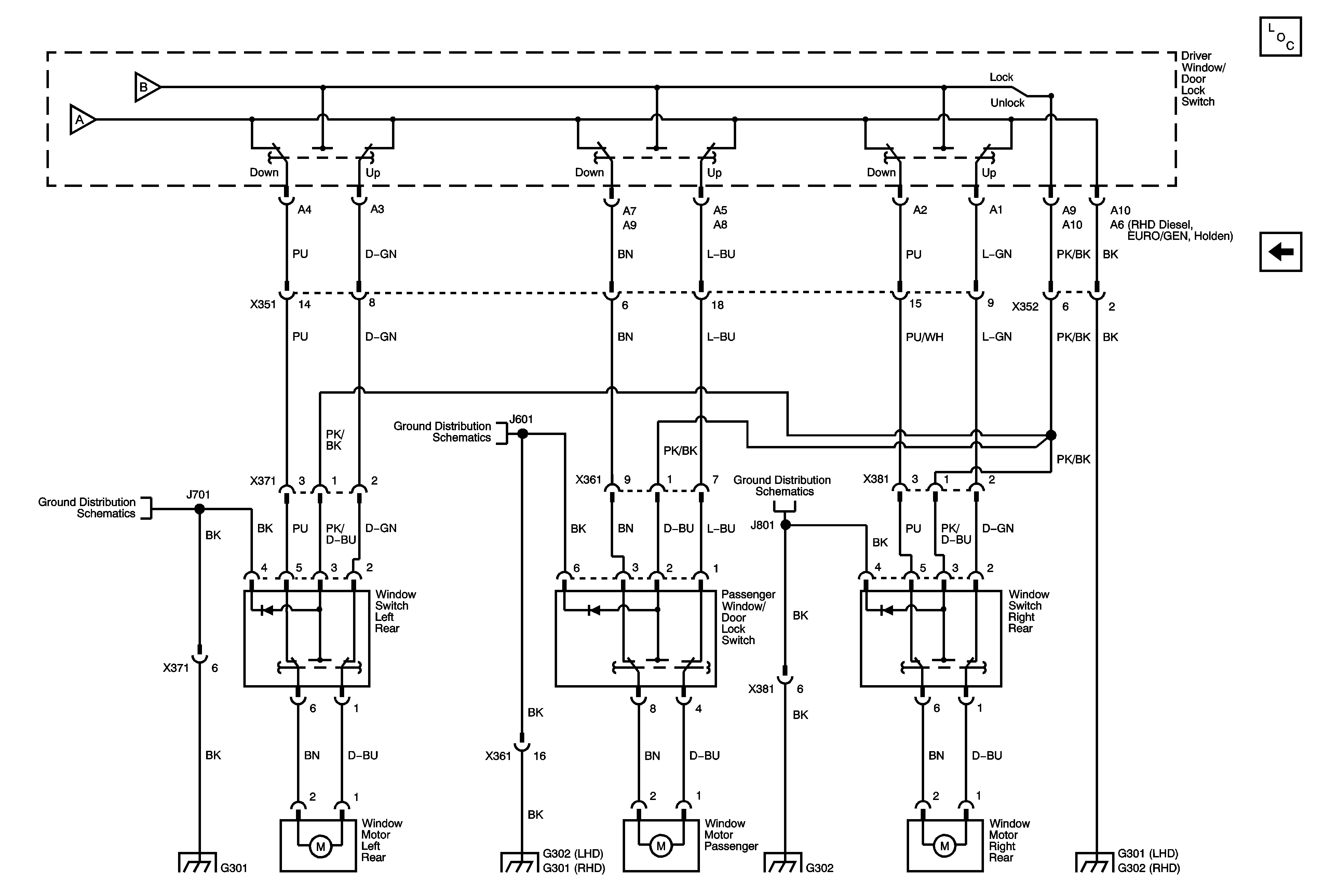
🢒 Passenger, Rear Window Switches, Motor
Passenger, Rear Window Switches, Motor
Passenger, Rear Window Switches, Motors
Master Electrical Component List
Driver Window Switch, Motor (Safety Function)
Driver Window Switch, Motor (Safety Function)
Driver Window Switch, Motor
Driver Window Switch, Motor (Safety Function)
Driver Window Switch, Motor
Alternator, EF1, EF3, EF5, EF18, EF19, EF27, EF30, EF33 Fuses
Alternator, EF1, EF3, EF5, EF18, EF19, EF27, EF30, EF33 Fuses
Alternator, EF1, EF3, EF5, EF18, EF19, EF27, EF30, EF33 Fuses
G301
G302
G301
G302
G301
G302