GM Service Manual Online
For 1990-2009 cars only
Makes
🢒
Chevrolet
🢒
2007
🢒
Epica
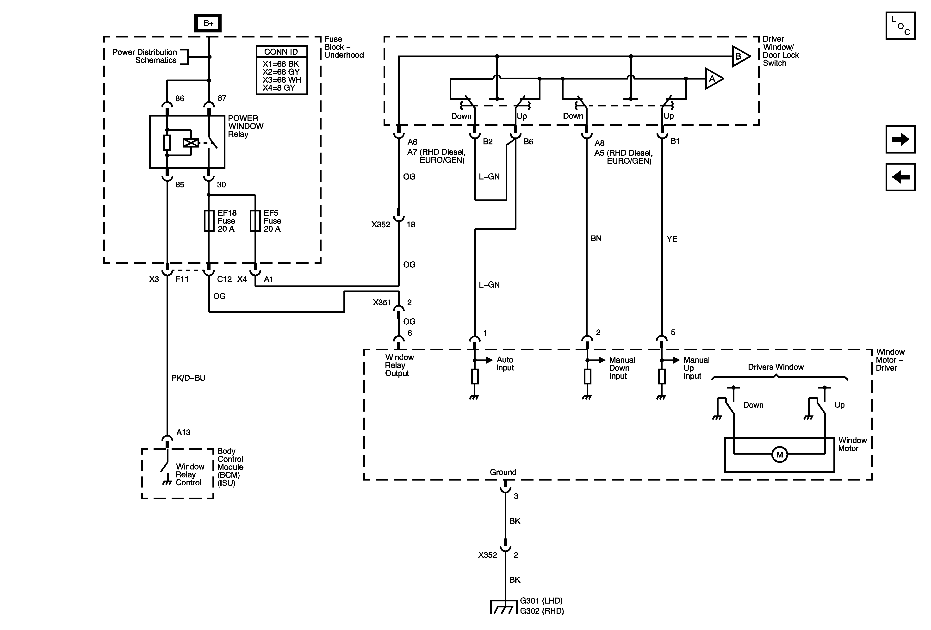
🢒 Driver Window Switch, Motor (Safety Function)
Driver Window Switch, Motor (Safety Function)
Driver Window Switch, Motor (Safety Function)
Master Electrical Component List
Passenger, Rear Window Switches, Motor
Driver Window Switch, Motor
Alternator, EF1, EF3, EF5, EF18, EF19, EF27, EF30, EF33 Fuses
Passenger, Rear Window Switches, Motor
Passenger, Rear Window Switches, Motor
G301
G302