GM Service Manual Online
For 1990-2009 cars only
Makes
🢒
Chevrolet
🢒
2007
🢒
Epica
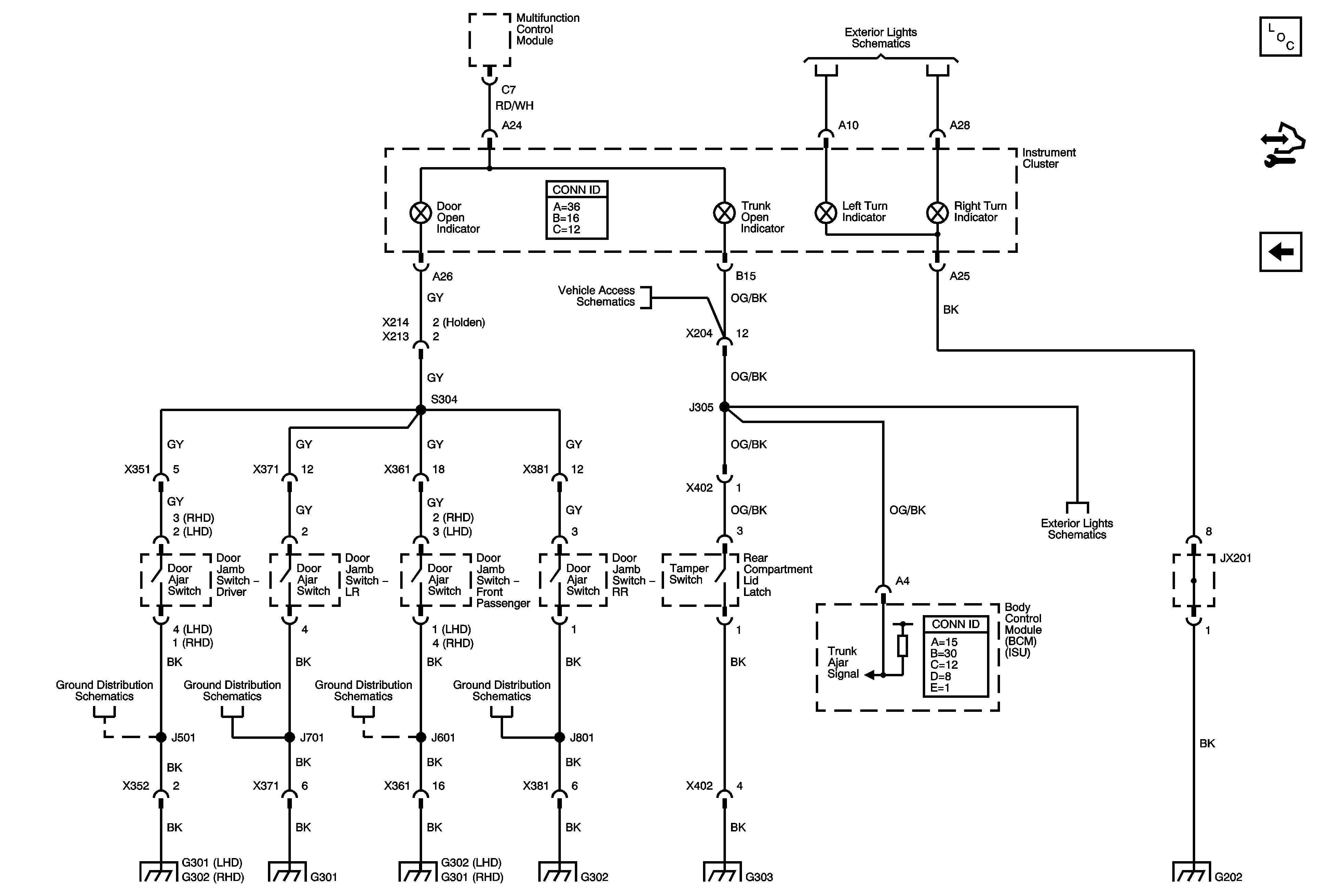
🢒 Door Open, Trunk Open, Turn Indicators
Door Open, Trunk Open, Turn Indicators
Door Open, Trunk Open, Turn Indicators
Master Electrical Component List
Control Module References
Illumination
Park Lamps
Release Systems Schematics
Park Lamps
G101, G106, G107
G101, G106, G107
G101, G106, G107
G101, G106, G107
G301
G302
G301
G302
G301
G302
G303
G202 (1 of 2)