GM Service Manual Online
For 1990-2009 cars only
Makes
🢒
Chevrolet
🢒
2007
🢒
Epica
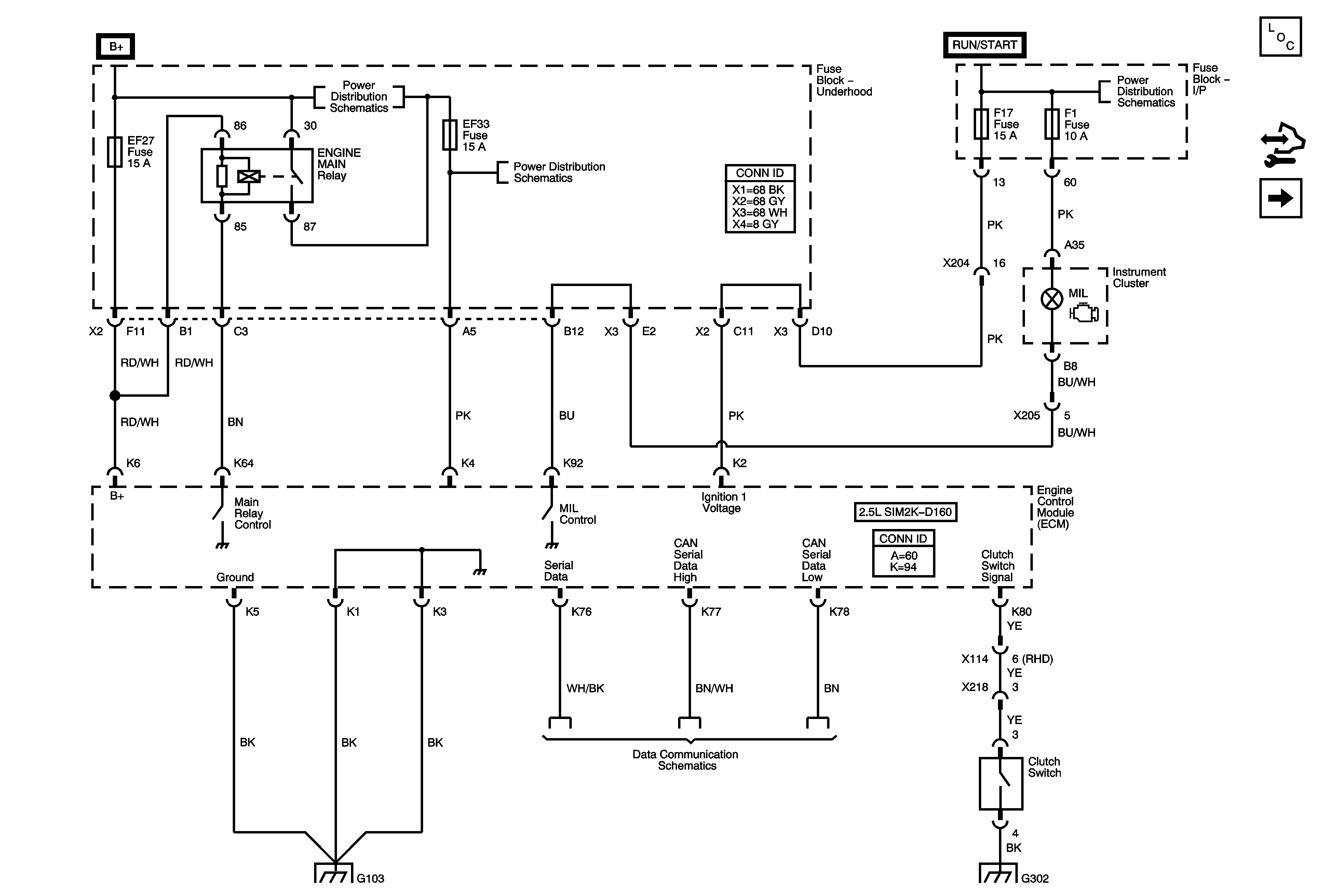
🢒 Engine Control Module, Power and Ground, Serial Data, Malfunction Indicator Lamp
Engine Control Module, Power and Ground, Serial Data, Malfunction Indicator Lamp
Engine Control Module (ECM) Power, Ground, Serial Data, MIL
Master Electrical Component List
Control Module References
MAF, ECT IAT, MAP, IMT Valve Position Sensor, Rough Road Wheel Speed Sensor
Alternator, EF1, EF3, EF5, EF18, EF19, EF27, EF30, EF33 Fuses
Alternator, EF1, EF3, EF5, EF18, EF19, EF27, EF30, EF33 Fuses
Alternator, EF1, EF3, EF5, EF18, EF19, EF27, EF30, EF33 Fuses
DLC Schematics
G103, G105, G201
G302