GM Service Manual Online
For 1990-2009 cars only
Makes
🢒
Chevrolet
🢒
2007
🢒
Epica
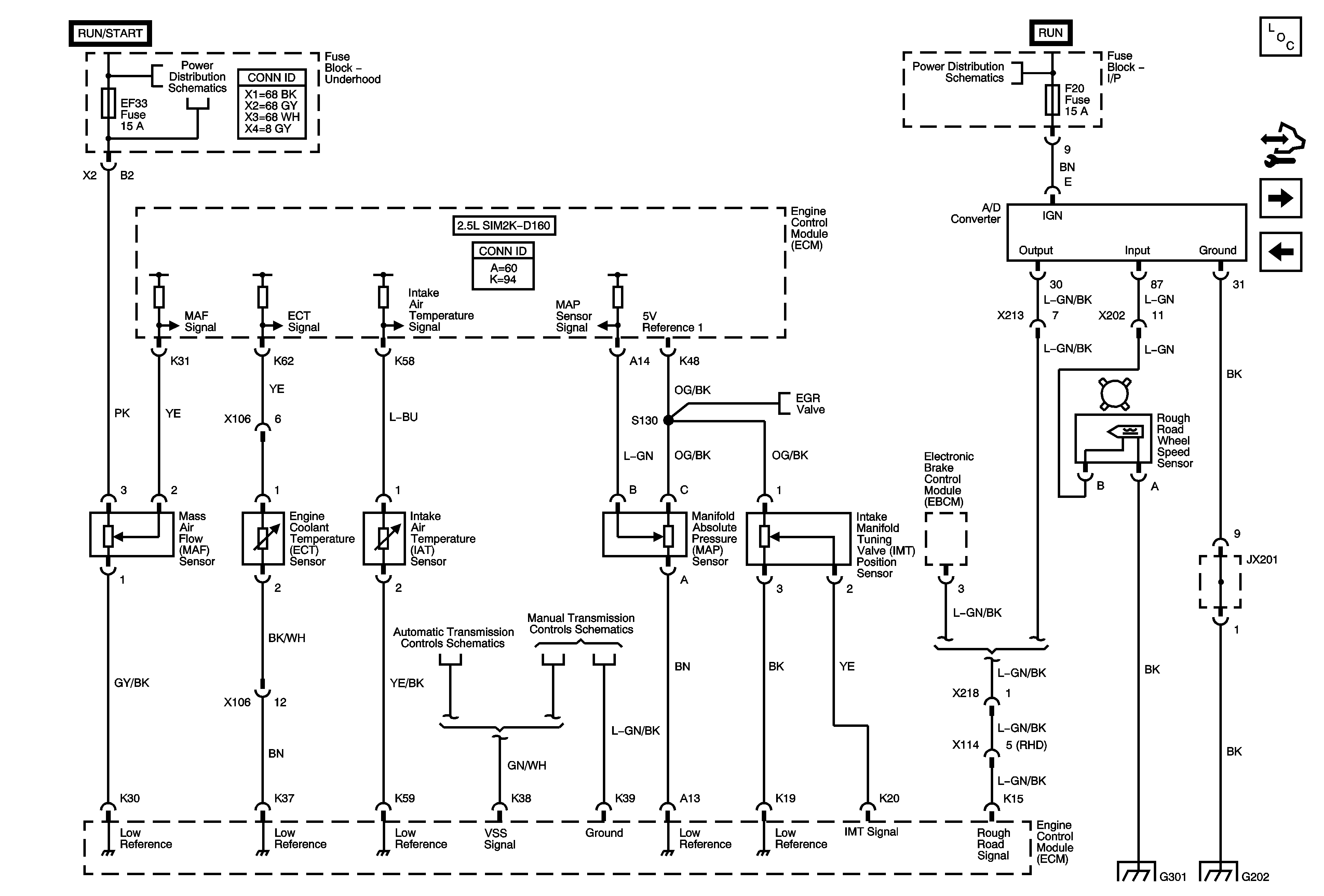
🢒 MAF, ECT IAT, MAP, IMT Valve Position Sensor, Rough Road Wheel Speed Sensor
MAF, ECT IAT, MAP, IMT Valve Position Sensor, Rough Road Wheel Speed Sensor
MAF, ECT, IAT, MAP, Intake Manifold Tuning Valve Position, Rough Road Wheel Speed Sensors
Master Electrical Component List
Control Module References
EVAP Solenoids, IMT Valve Solenoid, FTP Sensor
Engine Control Module, Power and Ground, Serial Data, Malfunction Indicator Lamp
Alternator, EF1, EF3, EF5, EF18, EF19, EF27, EF30, EF33 Fuses
Alternator, EF1, EF3, EF5, EF18, EF19, EF27, EF30, EF33 Fuses
Transmission Control Module (TCM) Power, Ground, Serial Data, Hold Mode Indicator Control
Manual Transmission Schematics - 2.0L MR-140
G301
G202 (1 of 2)