GM Service Manual Online
For 1990-2009 cars only
Makes
🢒
Chevrolet
🢒
2008
🢒
Epica
🢒
Safety and Security
🢒
Supplemental Inflatable Restraints
🢒 SIR Schematics
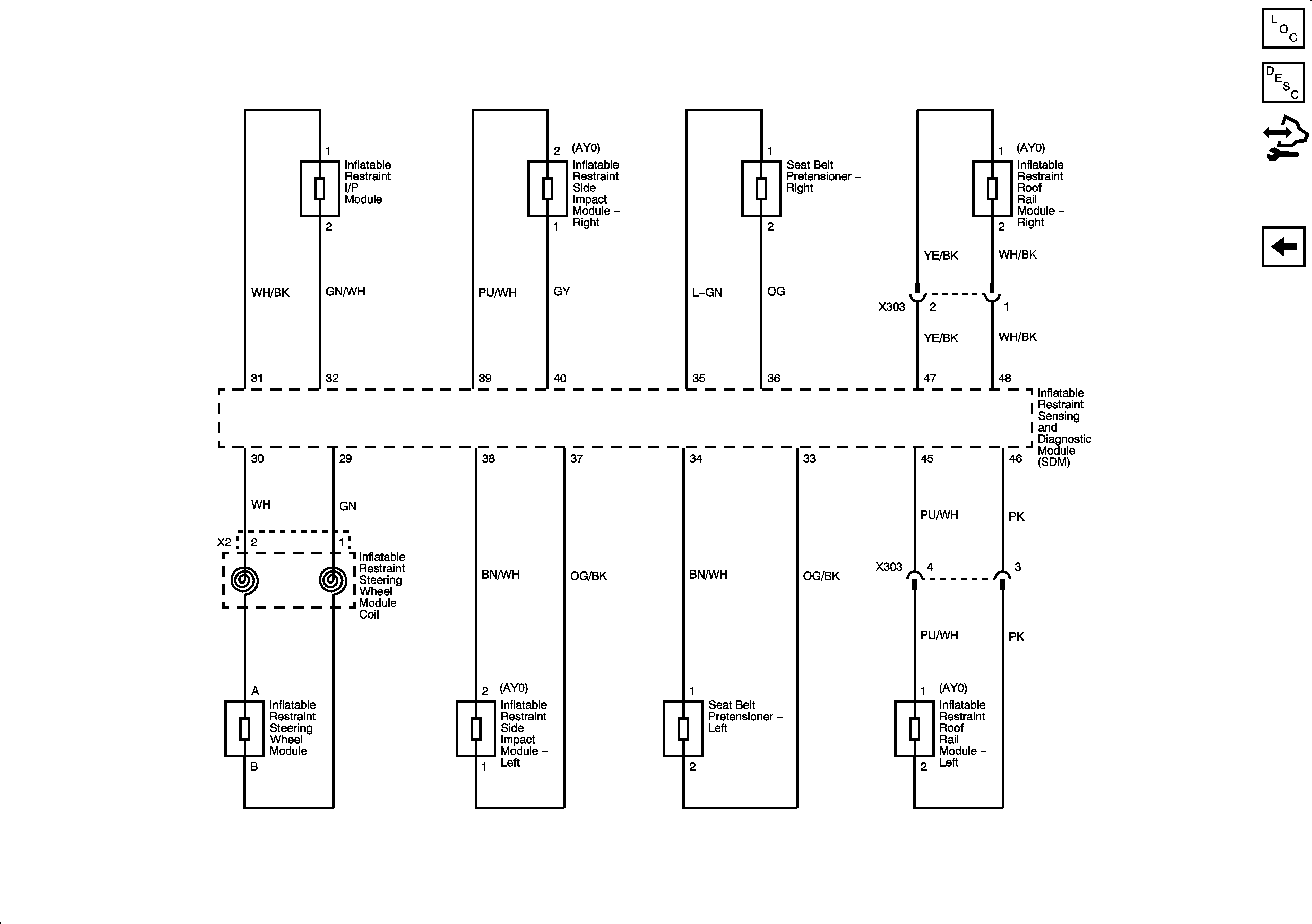
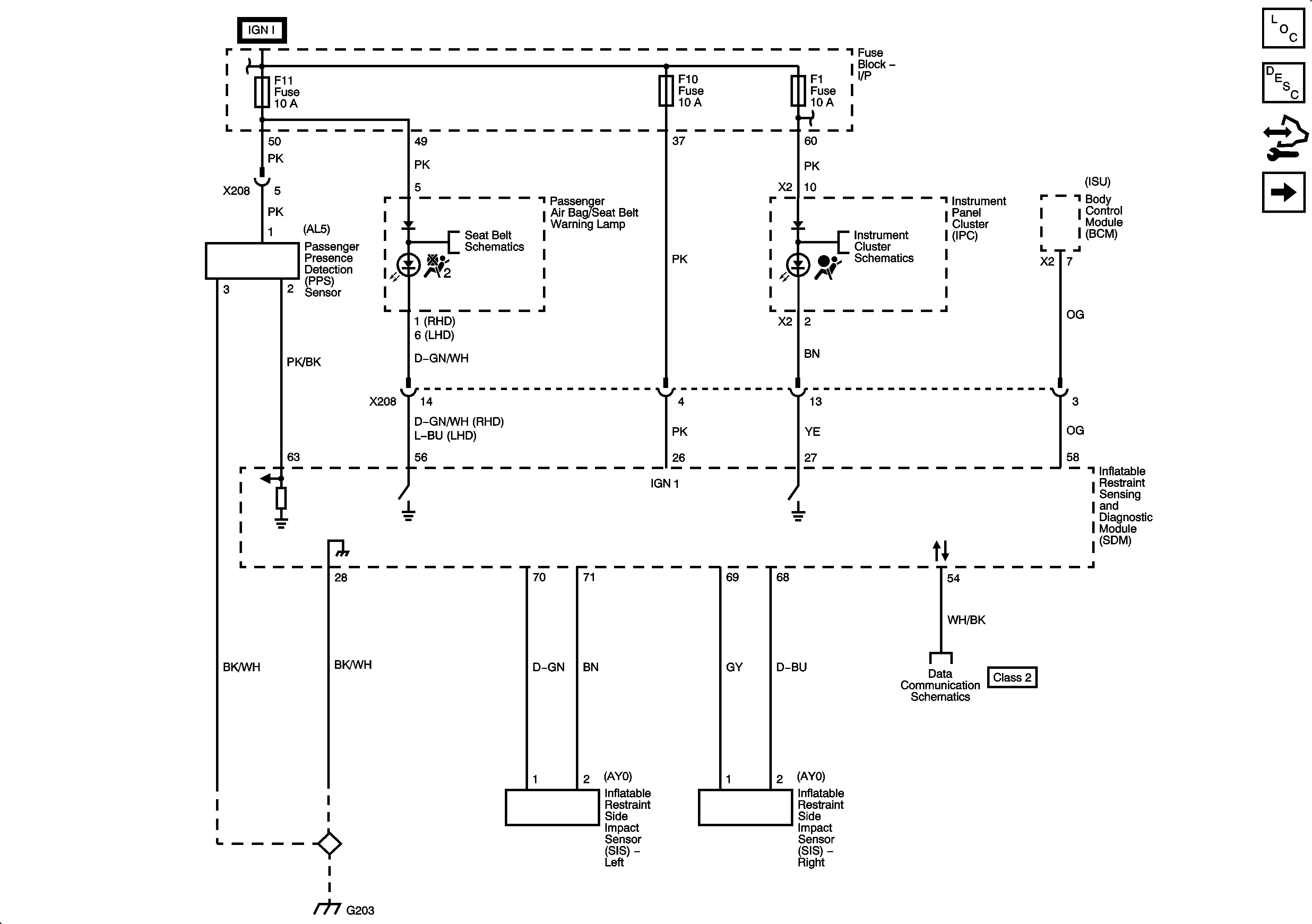
Figure
1:
Power, Ground, Indicators and Sensors
Master Electrical Component List
SIR System Description and Operation
Control Module References
Airbag and Pretensioner Deployment Loops
Ignition Switch
Fuse Block - I/P F1, F2, F3, F11, F12, F18 Fuses
Seat Belt Schematics
Indicators 1 of 3
Power, Ground, Class 2
G203, G204
Figure
2:
Airbag and Pretensioner Deployment Loops
Master Electrical Component List
SIR System Description and Operation
Control Module References
Power, Ground, Indicators and Sensors