GM Service Manual Online
For 1990-2009 cars only
Makes
🢒
Chevrolet
🢒
2008
🢒
Epica
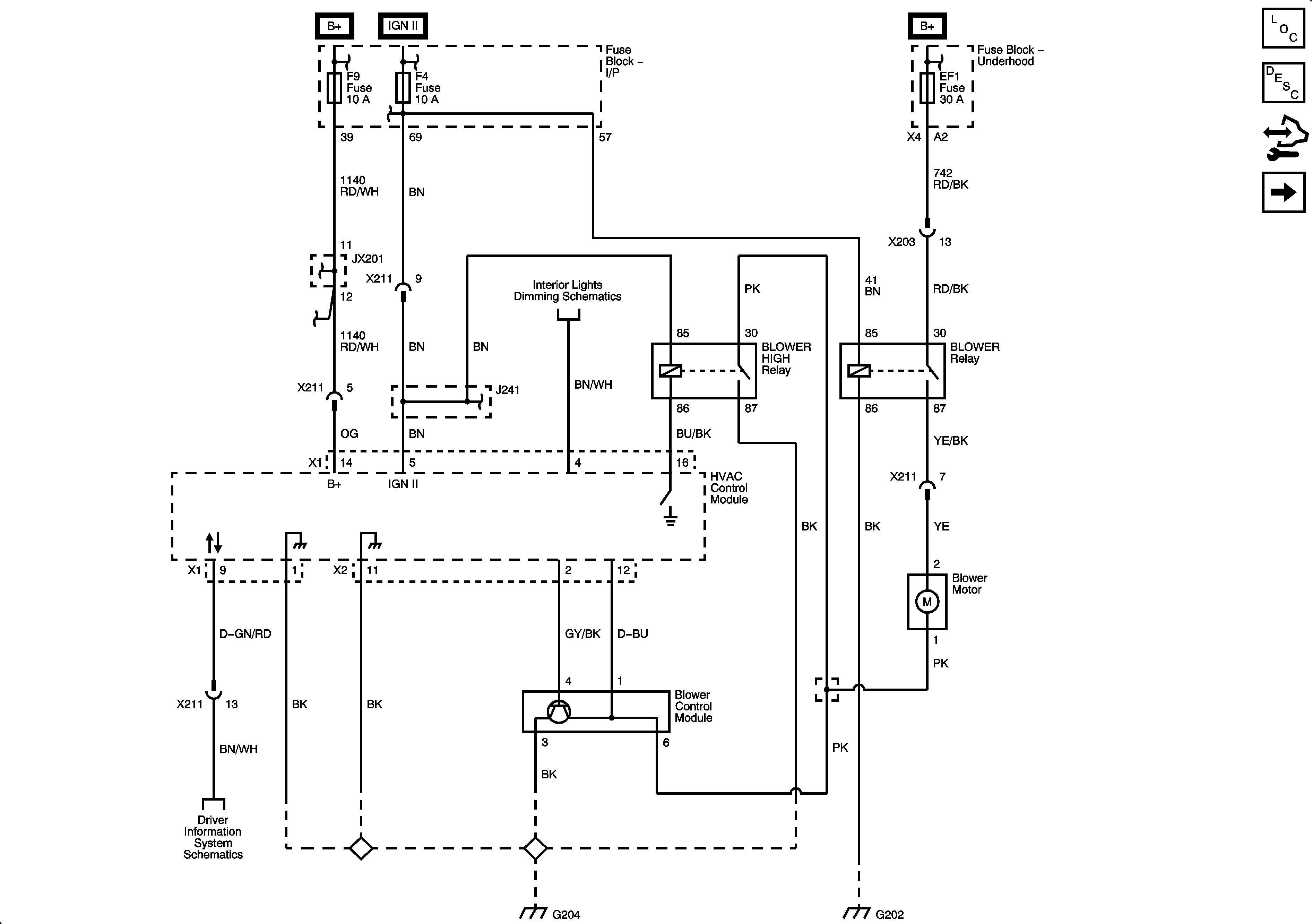
🢒 Blower Controls
Blower Controls
Blower Controls
Master Electrical Component List
Automatic HVAC Description and Operation
Control Module References
Compressor Controls
Fuse Block - I/P F8, F9, F15, F22, F23 Fuses
Ignition Switch
B+ Bus
Fuse Block - I/P F4, F13, F21 Fuses
Fuse Block - I/P F8, F9, F15, F22, F23 Fuses
Illumination
Fuse Block - I/P F4, F13, F21 Fuses
DIC
G203, G204
G202, 1 of 2