GM Service Manual Online
For 1990-2009 cars only
Makes
🢒
Chevrolet
🢒
2008
🢒
Epica
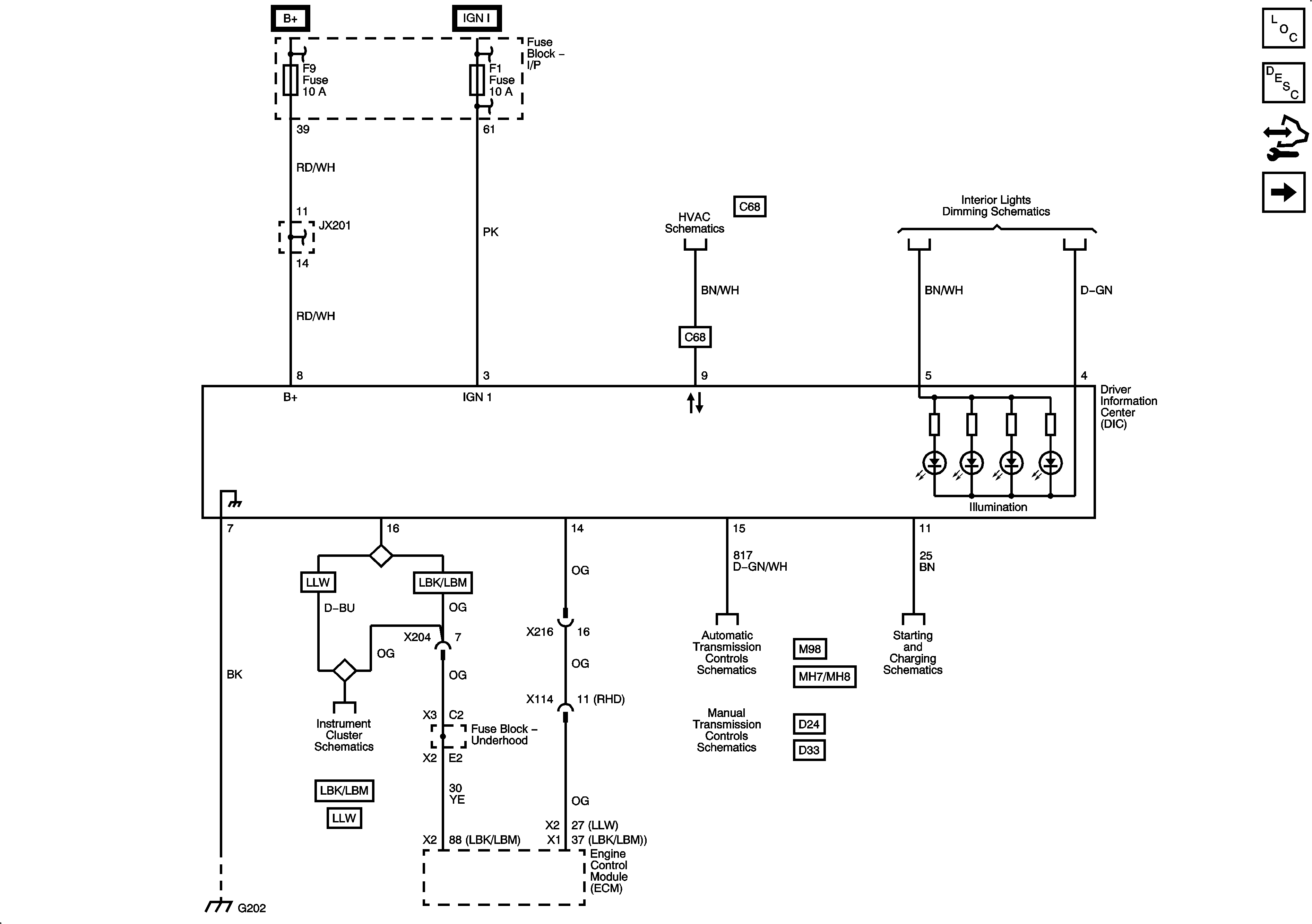
🢒 DIC
DIC
DIC
Master Electrical Component List
Instrument Cluster Description and Operation
Control Module References
Clock
Fuse Block - I/P F8, F9, F15, F22, F23 Fuses
Ignition Switch
Fuse Block - I/P F1, F2, F3, F11, F12, F18 Fuses
Fuse Block - I/P F8, F9, F15, F22, F23 Fuses
Blower Controls
Illumination
Speed Sensors
Speed Sensors
Manual Transmission Schematics
Manual Transmission Schematics
Charging
Power, Ground, Gages and Serial Data (Gasoline)
Power, Ground, Gages and Serial Data (Diesel)
G202, 2 of 2