GM Service Manual Online
For 1990-2009 cars only
Makes
🢒
Chevrolet
🢒
2008
🢒
Epica
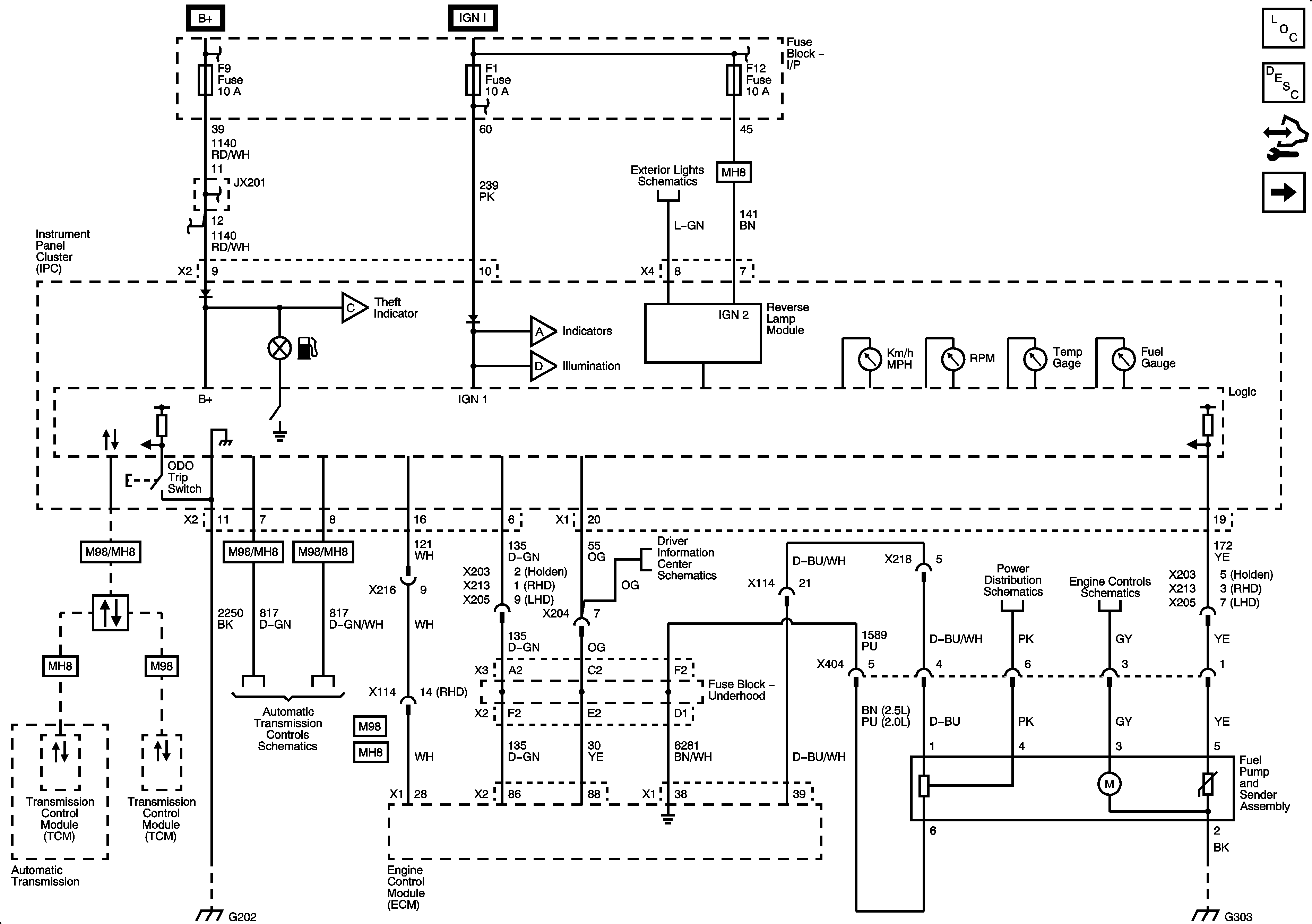
🢒 Power, Ground, Gages and Serial Data (Gasoline)
Power, Ground, Gages and Serial Data (Gasoline)
Power, Ground, Gages and Serial Data (Gasoline)
Master Electrical Component List
Instrument Cluster Description and Operation
Control Module References
Power, Ground, Gages and Serial Data (Diesel)
Fuse Block - I/P F8, F9, F15, F22, F23 Fuses
Ignition Switch
Fuse Block - I/P F8, F9, F15, F22, F23 Fuses
Backup Lamps (MH7/MH8)
Indicators 2 of 3
Indicators 1 of 3
Illumination
High Speed GMLAN - M98 (LHD)
High Speed GMLAN - M98 (RHD)
High Speed GMLAN - MH7/MH8
DIC
Fuse Block - I/P F10, F16, F17 Fuses
Fuel Pump and Fuel Injectors
Speed Sensors
Speed Sensors
G202, 1 of 2
G303