GM Service Manual Online
For 1990-2009 cars only
Makes
🢒
Chevrolet
🢒
2008
🢒
Epica
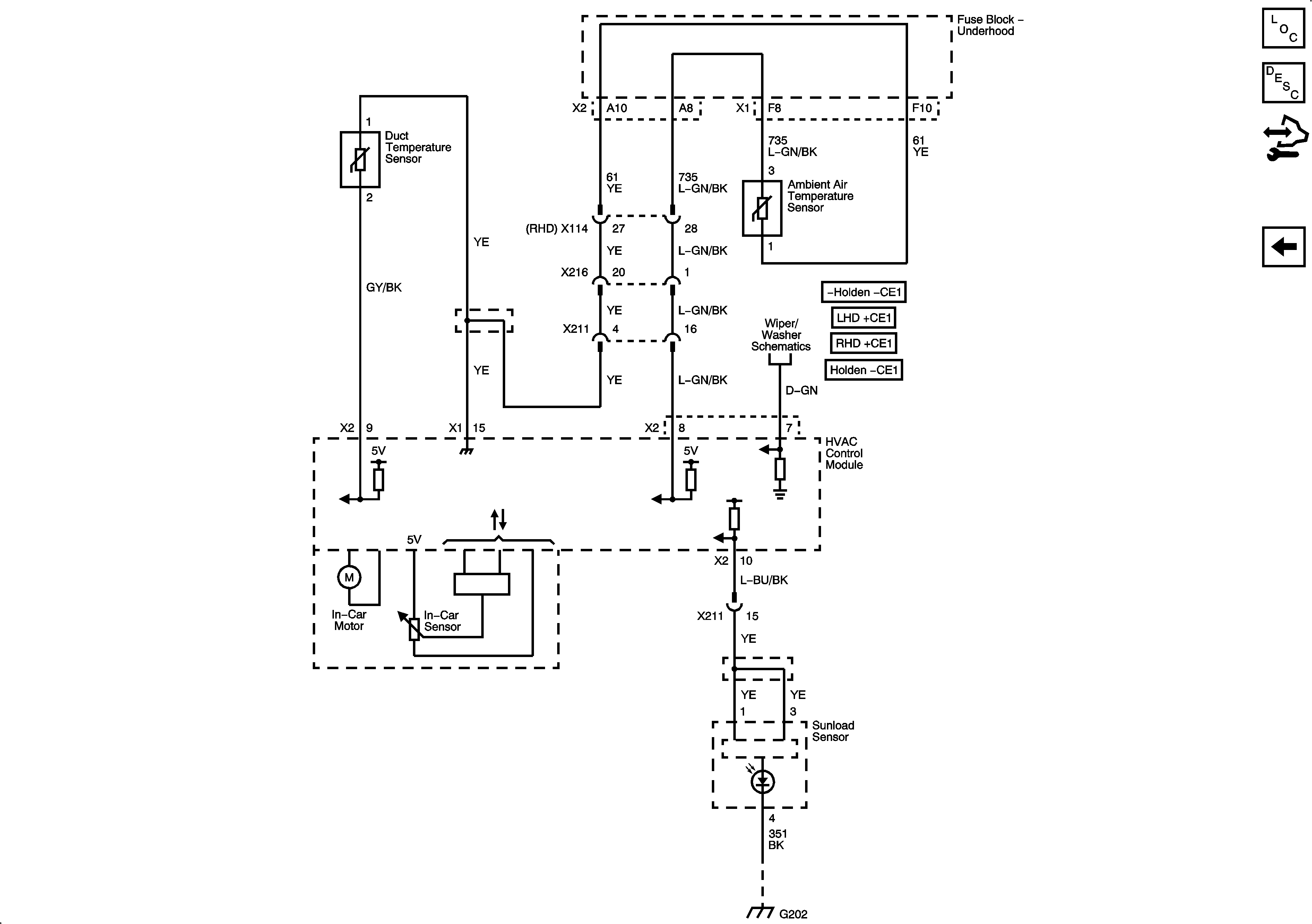
🢒 Air Temperature Sensors
Air Temperature Sensors
Air Temperature Sensors
Master Electrical Component List
Automatic HVAC Description and Operation
Control Module References
Air Delivery Actuators
Except Holden w/o CE1
LHD w/CE1
RHD w/CE1
Holden w/o CE1
G202, 2 of 2