GM Service Manual Online
For 1990-2009 cars only
Makes
🢒
Chevrolet
🢒
2008
🢒
Epica
🢒 Engine Data Sensors - Pressure, Temperature, MAF and VSS
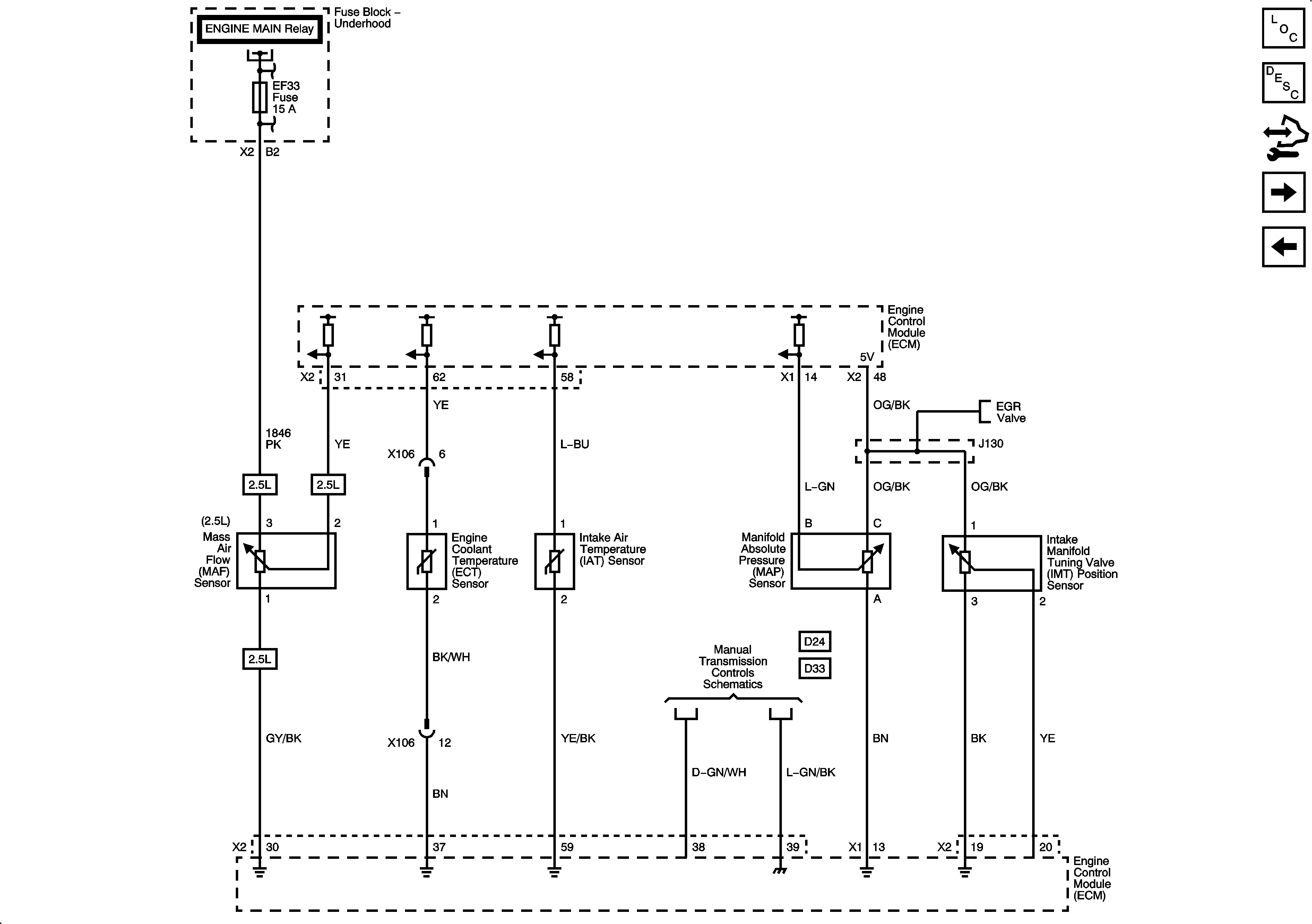
Engine Data Sensors - Pressure, Temperature, MAF and VSS
Engine Data Sensors - Pressure, Temperature, MAF and VSS
Master Electrical Component List
Engine Control Module Description
Control Module References
Engine Data Sensors - Oxygen Sensors
Power, Ground, Serial Data and MIL
Power, Ground, Serial Data and MIL
Fuse Block - Underhood EF33 Fuse
Fuel Controls - EVAP Controls
Manual Transmission Schematics
Manual Transmission Schematics