GM Service Manual Online
For 1990-2009 cars only
Makes
🢒
Chevrolet
🢒
2008
🢒
Epica
🢒 Engine Data Sensors - Oxygen Sensors
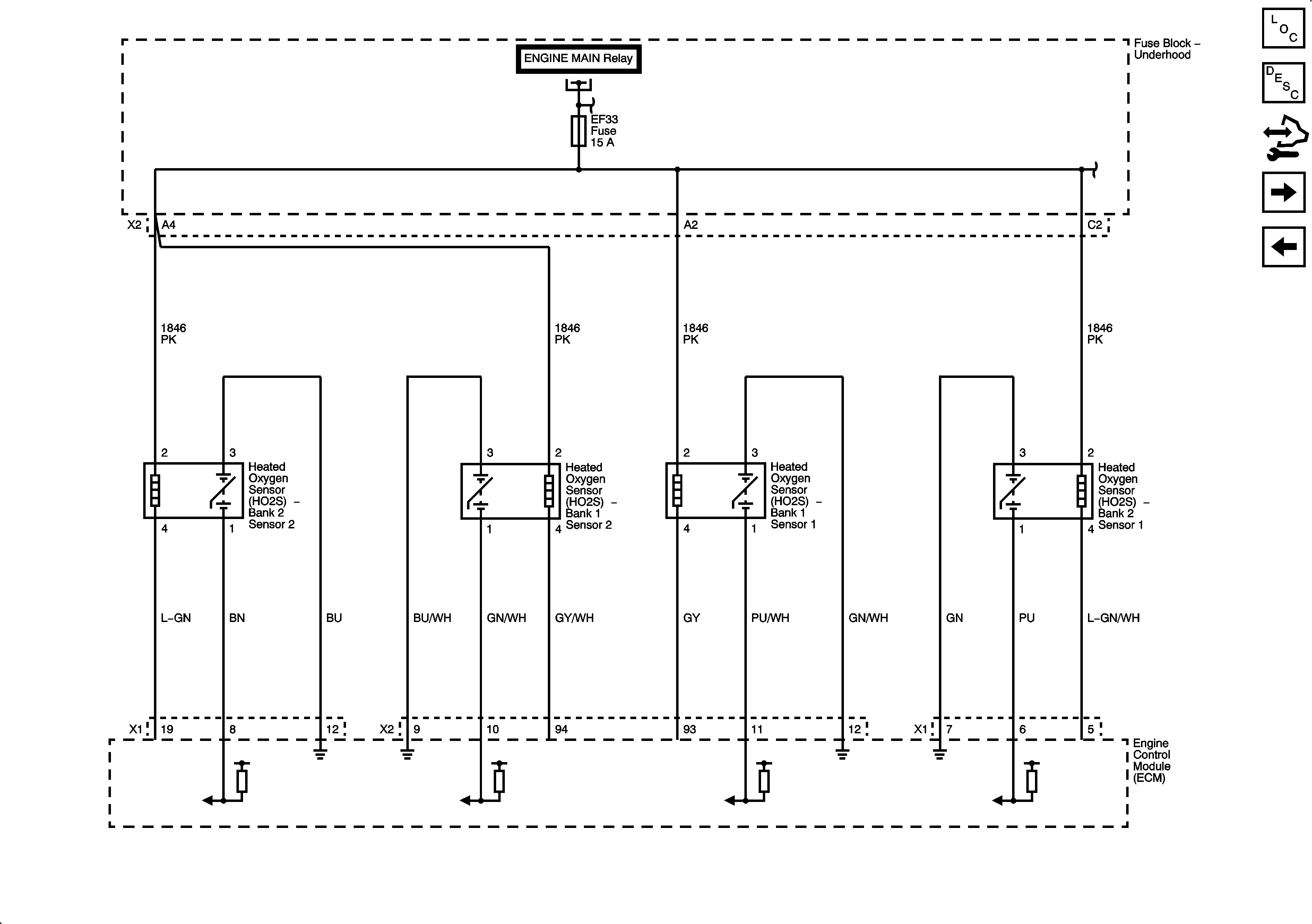
Engine Data Sensors - Oxygen Sensors
Engine Data Sensors - Oxygen Sensors
Master Electrical Component List
Engine Control Module Description
Control Module References
Electronic Throttle Controls
Engine Data Sensors - Pressure, Temperature, MAF and VSS
Power, Ground, Serial Data and MIL
Fuse Block - Underhood EF33 Fuse